Запчасти Case IH 1212 (N08) - DECALS AND SERVICE PARTS, TOOLBOX AND TOOLS, ALL MODELS Service Parts

Схема запчастей Case IH 1212 - (N08) - DECALS AND SERVICE PARTS, TOOLBOX AND TOOLS, ALL MODELS Service Parts
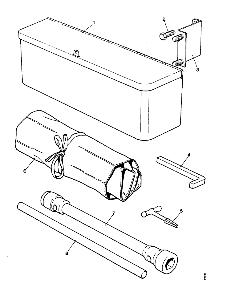
2
1
3
5
7
4
6
8
FIT
1:1
100%

Артикул

Название

Примечание

Количество

1a

K919573

BOX, TOOL

TOOLBOX (1210, 1212)

1шт.

2

K602736

SCREW

set, 1/4 UNC x 7/8 in, lid securing (1210, 1212)

1шт.

K607043

NUT

1/4 UNC, lid securing (1210, 1212)

1шт.

3

K919538

BRACKET

support, toolbox (1210, 1212)

2шт.

280136

NUT,3/8"-16, G8

Bracket to box (1210, 1212) 3/8"-16, G8

4шт.

K19482

SPRING WASHER

WASHER spring, 3/8 in, brackets to box (1210, 1212)

4шт.

1b

K914379

BOX, TOOL

TOOLBOX (990, 995, 996)

1шт.

K627036

BUSHING

PIECE distance, hydrostatic steering (990, 995, 996)

2шт.

K602908

SCREW

set, 3/8 UNC x 1-1/2 in, hydrostatic steering (990, 995, 996)

2шт.

K602903

SCREW

set, 3/8 UNC x 7/8 in, toolbox to main frame (990, 995, 996)

2шт.

K19472

WASHER

3/8 in, toolbox to main frame (990, 995, 996)

2шт.

K19482

SPRING WASHER

WASHER spring, 3/8 in, toolbox to main frame (990, 995, 996)

2шт.

1c

K916389

BOX, TOOL

TOOLBOX (885)

1шт.

K946776

PLATE

clamping, toolbox (885)

1шт.

K603304

SCREW

set, 5/8 UNC x 1-1/4 in, plate to frame (885)

2шт.

K19485

WASHER

spring, 5/8 in, plate to frame (885)

2шт.

K603304

SCREW

set, 5/8 UNC x 1-1/4 in, plate to toolbox (885)

2шт.

K19485

WASHER

spring, 5/8 in, plate to toolbox (885)

2шт.

K918595

TOOL

KIT tool, optional equipment W1119, Includes: Ref. 4 - 7 and parts listed below

1шт.

K964971

KEY

and wrench, Includes: Ref. 4 and 5

1шт.

4

K946448

GRIP

KEY, bonnet catch (1210, 1212)

1шт.

The illustrations for items#4 and#5 are switched.

1шт.

5

K39426

OPEN END WRENCH

WRENCH

1шт.

The illustrations for items#4 and#5 are switched.

1шт.

K919894

SPECIAL WRENCH

WRENCH, 7/16 square in

1шт.

6

K922741

WALLET tool

1шт.

K38618

WHEEL

BRACE wheel, 5/8 bolts

1шт.

7

K946622

KEY

BRACE wheel, 3/4 bolts

1шт.

K906963

SCREW

PEG, engine timing

1шт.

K627607

SPANNER, 1-1/8 x 5/16 in A/F

1шт.

K627603

TOOL

SPANNER, 3/4 x 5/8 in A/F

1шт.

K627604

TOOL

SPANNER, 9/16 x 1/2 in A/F

1шт.

K627608

TOOL

SPANNER, 7/16 x 5/16 in A/F

1шт.

K922742

TOOL

WRENCH, 10 in, adjustable

1шт.

K627609

SPANNER box, 15/16 x 3/4 in A/F

1шт.

K627610

TOOL

SPANNER box, 9/16 x 1/2 in A/F

1шт.

K19806

BAR

tommy, 5/16 x 6 in

1шт.

8

K948095

CLEVIS PIN

BAR tommy, use with K946622

1шт.

K922744

SCREW

DRIVER, reversible

1шт.

K19803

SCREWDRIVER

1шт.

K922743

TOOL

PILERS, 7 in insulated

1шт.

Выбрано товаров: 41