Запчасти Case IH 1212 (A06) - ENGINE, VALVE MECHANISM AND TIMING GEARS, 990, 995, 996, 1210 AND 1212 TRACTORS (01) - ENGINE

Схема запчастей Case IH 1212 - (A06) - ENGINE, VALVE MECHANISM AND TIMING GEARS, 990, 995, 996, 1210 AND 1212 TRACTORS (01) - ENGINE
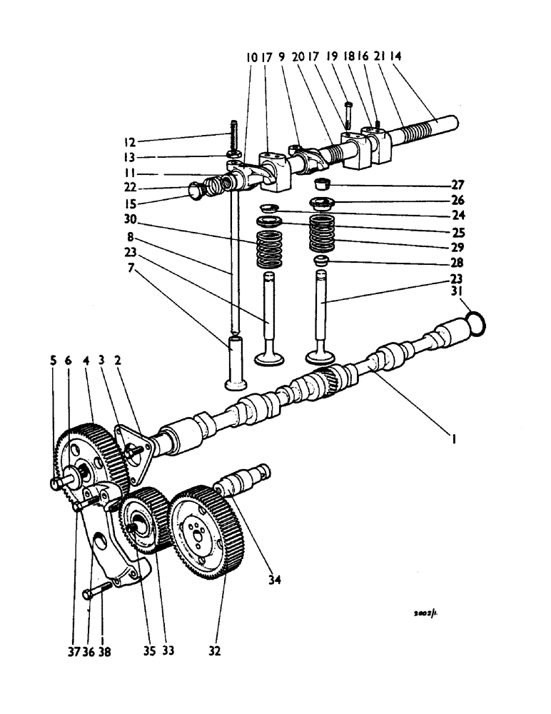
29
36
21
9
1
8
11
25
27
5
31
4
32
23
14
3
7
28
10
34
12
23
13
26
24
17
19
33
30
20
15
16
22
2
18
38
17
37
6
35
FIT
1:1
100%

Артикул

Название

Примечание

Количество

1

K921769

CAMSHAFT

1шт.

REF# 1-P/N K921769 CAMSHAFT; THIS ENGINE DOES NOT HAVE CAMSHAFT BEARINGS, JUST THE REFERENCED O-RING (CASE# 460472)

1шт.

2

K902015

PLATE

LOCATING PLATE

1шт.

3

K602885

HARDWARE

SETSCREW, 5/16 UNC x 1 in.

3шт.

K19481

SPRING WASHER

SPRING WASHER, 5/16 in.

3шт.

4a

K945097

GEAR

68 teeth, camshaft, steel

1шт.

Used on model 990, S/N E42772 and after

1шт.

Used on model 995, S/N E41927 and after

1шт.

Used on model 996, S/N E56331 and after

1шт.

Used on model 1210, S/N E25713 and after

1шт.

Used on model 1210 (Bosch), S/N E24732 and after

1шт.

Used on model 1212, S/N E18386 and after

1шт.

4b

K940081

GEAR

(46 teeth), camshaft

1шт.

Used on model 1210 (Bosch), up to S/N E24732

1шт.

Used on model 1212, up to S/N E18386

1шт.

Used on model 1210, up to S/N E25713

1шт.

Used on model 990, up to S/N E42772

1шт.

Used on model 995, up to S/N E41927

1шт.

Used on model 996, up to S/N E56331

1шт.

K19607

KEY

Woodruff No. 506

1шт.

5

K600700

BOLT

7/16 UNC x 2 in.

1шт.

6

K66382

WASHER

7/16 in.

1шт.

7

K901137

TAPPET

8шт.

8

K902035

ROD

PUSH ROD

8шт.

9

K961052

ROCKER

VALVE ROCKER, right-hand, with bush (No. 2 from front)

4шт.

10

K961053

ROCKER

VALVE ROCKER, left-hand, with bush (No. 1 from front)

4шт.

11

K11060

BUSHING

BUSH, valve rocker

8шт.

12

K900413

ADJUSTMENT SCREW,3/8" - 16 x 1 1/8"

adjusting

8шт.

13

87016560

JAM NUT,Jam, 3/8"-16, G5

LOCKNUT, 3/8 UNC

8шт.

14

K909622

SHAFT

rocker

1шт.

15

K19590

PLUG

3/8 BSP

2шт.

16

K606051

SET SCREW,5/16" - 18 x 1/2"

LOCATING SCREW, 5/16 UNC

1шт.

17

K921431

BRACKET

rocker shaft, Nos. 1, 2 and 3

3шт.

18

K921432

BRACKET

rocker shaft, rear

1шт.

19

K600611

BOLT

7/16 UNC x 2-5/8 in.

4шт.

K19483

SPRING WASHER

SPRING WASHER, 7/16 in.

4шт.

K19473

WASHER

7/16 in.

4шт.

20

K11017

SPRING

LOCATING SPRING, intermediate

2шт.

21

K11034

SPRING

LOCATING SPRING, centre

1шт.

22

K11018

SPRING

LOCATING SPRING, ends

2шт.

23

K928622

STD INLET VALVE

VALVE, inlet and exhaust

8шт.

24

K928623

COLLAR

inner, exhaust valve

4шт.

25

K928624

COLLAR

outer, exhaust valve

4шт.

26

K921437

COLLAR

inlet valve

4шт.

27

K943439

LOCKING DEVICE

COTTER, inlet and exhaust valve

16шт.

28

K940481

OIL SEAL

inlet valve

4шт.

29

K921435

SPRING

inlet valve

4шт.

30

K921436

VALVE SPRING

SPRING, exhaust valve

4шт.

31

K623523

O-RING,1.802" OD x 0.143" Width

'O' RING, 1-13/16 in. internal dia.

1шт.

32a

K945096

GEAR

DRIVE GEAR, 68 teeth, injection pump, steel (1210, 1212)

1шт.

Used on model 1210, S/N E25713 and after

1шт.

Used on model 1210 (Bosch), S/N E24732 and after

1шт.

Used on model 1212, S/N E18386 and after

1шт.

32b

K940080

DRIVE

GEAR, (46 teeth), injection pump (1210, 1212)

1шт.

Used on model 1210 (Bosch), up to S/N E24732

1шт.

Used on model 1212, up to S/N E18386

1шт.

Used on model 1210, up to S/N E25713

1шт.

32c

K949822

GEAR

DRIVE GEAR, 68 teeth, injection pump, steel (990, 995, 996)

1шт.

Used on model 990, S/N E42772 and after

1шт.

Used on model 995, S/N E41927 and after

1шт.

Used on model 996, S/N E56331 and after

1шт.

32d

K940079

DRIVE

GEAR, (46 teeth), injection pump (990, 995, 996)

1шт.

Used on model 990, up to S/N E42772

1шт.

Used on model 995, up to S/N E41927

1шт.

Used on model 996, up to S/N E56331

1шт.

33a

K946144

GEAR

with bush, 47 teeth, intermediate, steel

1шт.

Used on model 990, S/N E42772 and after

1шт.

Used on model 995, S/N E41927 and after

1шт.

Used on model 996, S/N E56331 and after

1шт.

Used on model 1210, S/N E25713 and after

1шт.

Used on model 1210 (Bosch), S/N E24732 and after

1шт.

Used on model 1212, S/N E18386 and after

1шт.

K628751

BUSHING

BUSH

1шт.

Used on model 990, S/N E42772 and after

1шт.

Used on model 995, S/N E41927 and after

1шт.

Used on model 996, S/N E56331 and after

1шт.

Used on model 1210, S/N E25713 and after

1шт.

Used on model 1210 (Bosch), S/N E24732 and after

1шт.

Used on model 1212, S/N E18386 and after

1шт.

33b

K944810

GEAR

DRIVE GEAR, 31 teeth, intermediate, replaces K940078

1шт.

Used on model 1210 (Bosch), up to S/N E24732

1шт.

Used on model 1212, up to S/N E18386

1шт.

Used on model 1210, up to S/N E25713

1шт.

Used on model 990, up to S/N E42772

1шт.

Used on model 995, up to S/N E41927

1шт.

Used on model 996, up to S/N E56331

1шт.

34

K944136

GEAR SHAFT

SHAFT, intermediate gear, with plugs

1шт.

35

K606021

SCREW

PLUG, 5/16 UNC

2шт.

36

K904073

SUPPORT

BRACKET, intermediate gear support

1шт.

K902113

SHIM,.003" Thk

1шт.

K902114

SHIM,.010" Thk

1шт.

K908713

SHIM,.020" Thk

1шт.

37

K955399

BOLT

5/16 UNC x 1-3/4 in., replaces K600324, support bracket

2шт.

38

K600325

BOLT

5/16 UNC x 2 in., support bracket

2шт.

K19481

SPRING WASHER

SPRING WASHER, 5/16 in., support bracket

4шт.

Выбрано товаров: 95