Запчасти Case IH 1212 (A08) - ENGINE, CYLINDER HEAD, 990, 995, 996, 1210 AND 1212 TRACTORS (01) - ENGINE

Схема запчастей Case IH 1212 - (A08) - ENGINE, CYLINDER HEAD, 990, 995, 996, 1210 AND 1212 TRACTORS (01) - ENGINE
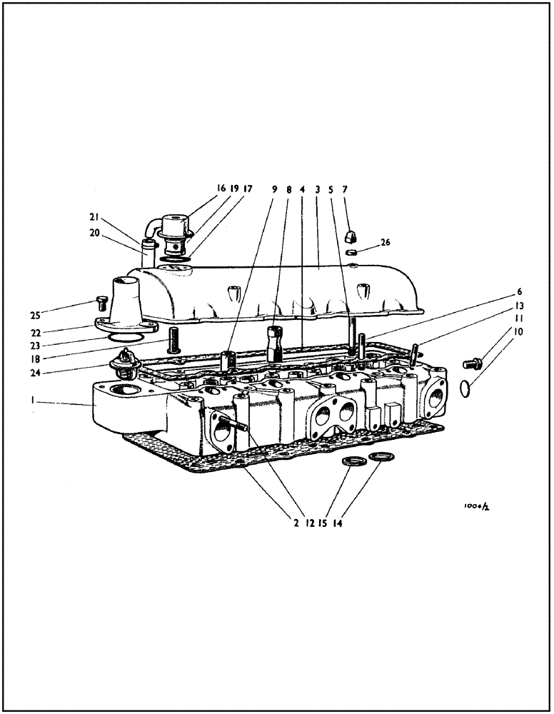
6
2
24
15
7
10
5
18
3
21
12
4
19
22
8
17
26
23
16
13
9
11
20
1
14
25
FIT
1:1
100%

Артикул

Название

Примечание

Количество

1

K964533

CYLINDER

HEAD, with valve inserts and plugs, replaces K962268

1шт.

2

K947758

GASKET

oil impregnated asbestos, head to block replaces K944632

1шт.

3

K920678

COVER

cylinder head

1шт.

4

K905229

GASKET,3.97mm Thk

cylinder head cover

1шт.

5

K608118

STUD

5/16 UNC x 3-7/16 in.

2шт.

6

K608119

STUD

5/16 UNC x 2-13/16 in.

2шт.

K14988

WASHER

COPPER-ASBESTOS WASHER, 5/16 in.

4шт.

7

K607252

NUT

DOMED NUT, 5/16 UNC

4шт.

K617594

NUT

1/2 UNF, special, replaces K617581, cylinder, Serial Range: head-block

5шт.

Used on model 990, up to S/N E36170

1шт.

Used on model 995, up to S/N E37237

1шт.

Used on model 996, up to S/N 53583

1шт.

Used on model 1210, up to S/N E23675

1шт.

Used on model 1212, up to S/N E17152

1шт.

K617594

NUT

1/2 UNF, special, replaces K617581, cylinder, Serial Range: head-block

3шт.

Used on model 990, below S/N E36170

1шт.

Used on model 995, below S/N E37237

1шт.

Used on model 996, below S/N E53583

1шт.

Used on model 1210, below S/N E23675

1шт.

Used on model 1212, below S/N E17152

1шт.

K600870

BOLT

1/2 UNC x 4-1/4 in., special, cylinder, Serial Range: head-block

7шт.

8

K906536

NUT

ELONGATED NUT, 1/2 UNF, cylinder, Serial Range: head-block

7шт.

Used on model 990, up to S/N E36170

1шт.

Used on model 995, up to S/N E37237

1шт.

Used on model 996, up to S/N 53583

1шт.

Used on model 1210, up to S/N E23675

1шт.

Used on model 1212, up to S/N E17152

1шт.

K953429

WASHER,13.89mm ID x 23.81mm OD x 0.71mm Thk

1/2 in., cylinder, Serial Range: head-block

19шт.

9

K906898

NUT

LIFTING NUT, 1/2 UNF, cylinder, Serial Range: head-block

2шт.

K900431

PLUG

TAPER PLUG

4шт.

10a

K623791

PLUG

CORE PLUG, 1-1/4

1шт.

Used on model 995, S/N E42108 and after

1шт.

Used on model 1210, S/N E25782 and after

1шт.

Used on model 1210 (Bosch), S/N E25142 and after

1шт.

Used on model 996, S/N E56801 and after

1шт.

Used on model 1212, S/N E18934 and after

1шт.

Used on model 990, S/N E42772 and after

1шт.

10b

K623810

PLUG

WELCH PLUG, 1 in.

1шт.

Used on model 995, up to S/N E42108

1шт.

Used on model 1210, up to S/N E25782

1шт.

Used on model 1210 (Bosch), up to S/N E25142

1шт.

Used on model 1212, up to S/N E18734

1шт.

Used on model 996, up to S/N E56801

1шт.

Used on model 990, up to S/N E42772

1шт.

11

K19591

PLUG

FLANGED PLUG, 1/8 BSP

1шт.

K16732

WASHER

COPPER WASHER, 3/8 in.

1шт.

12

K608203

STUD

3/8 UNC x 1-7/8 in., manifold

12шт.

K608237

STUD

3/8 UNC x 1-3/4 in.

2шт.

Used on model 990, S/N E43402 and after

1шт.

Used on model 995, S/N E42317 and after

1шт.

Used on model 996, S/N E56801 and after

1шт.

Used on model 1210, S/N E25967 and after

1шт.

Used on model 1210 (Bosch), S/N E25542 and after

1шт.

Used on model 1212, S/N E18934 and after

1шт.

K608214

STUD

3/8 UNC x 2 in., conduit to inlet manifold

2шт.

Used on model 990, up to S/N E43402

1шт.

Used on model 995, up to S/N E42317

1шт.

Used on model 996, up to S/N E56801

1шт.

Used on model 1210, up to S/N E25967

1шт.

Used on model 1210 (Bosch), up to S/N E25542

1шт.

Used on model 1212, up to S/N E18934

1шт.

K608216

STUD

3/8 UNC x 1-3/8 in., exhaust manifold

1шт.

Ref # 12 - Dimensions should be 3/8 UNC x 1 7/16 " .

1шт.

13

K608107

STUD

5/16 UNC x 2-11/16 in., injector

8шт.

9635082

NUT,5/16" - 18, Gr 5

5/16 UNC

8шт.

K19481

SPRING WASHER

SPRING WASHER, 5/16 in.

8шт.

14

K921246

INSERT

inlet valve seat

4шт.

No oversize insert available.

1шт.

15

K921247

INSERT

exhaust valve seat

4шт.

16a

K948118

COVER

engine breather

1шт.

Ref 16A - K907110 Filter inside the cover. 10/11/95.

1шт.

Used on model 996, S/N 948571 and after

1шт.

Used on model 1210, S/N 725855 and after

1шт.

Used on model 1212, S/N 1002822 and after

1шт.

Used on model 995, S/N 930274 and after

1шт.

Used on model 990, S/N 862037 and after

1шт.

16b

K920675

COVER

engine breather

1шт.

Used on model 996, up to S/N 948571

1шт.

Used on model 1210, up to S/N 725855

1шт.

Used on model 1212, up to S/N 1002822

1шт.

Used on model 995, up to S/N 930274

1шт.

Used on model 990, up to S/N 862037

1шт.

17

K626901

O-RING,40554" ID x 40575" OD x 0.12"

'O' RING, 1-11/16 in. internal dia., engine breather

1шт.

18

K600803

BOLT,Hex, 1/2" - 13 x 1 5/8", Gr 5

1/2 UNC - 1-5/8 in., engine breather (Later design)

1шт.

86632558

JAM NUT,Jam, 1/2"-13, G5

LOCKNUT, 1/2 UNC, engine breather (Later design)

1шт.

19

K945433

BUSHING

DISTANCE PIECE, engine breather (Later design)

1шт.

18a

K920677

BREATHER

BOLT, 1/2 UNF, special, engine breather (Early design)

1шт.

425-158

JAM NUT,Jam, 1/2"-20, G5

LOCKNUT, 1/2 UNF, Engine breather (Early design)

1шт.

19a

K909672

DISTRIBUTOR

DISTANCE PIECE, engine breather (Early design)

1шт.

20

K947667

PIPE

HOSE, replaces K920676, engine breather

1шт.

21

K622023

CLAMP

HOSE CLIP, 3/4 in., replaces K13069, engine breather

1шт.

K626443

WASHER

COPPER WASHER, 1/2 in., engine breather

1шт.

K902765

PIPE

OIL PIPE, cylinder, Serial Range: block-head

1шт.

22

K915630

OUTLET

PIPE, water outlet

1шт.

23

K68951

O-RING,0.103" Thk x 2.112" ID, -138, Cl 5, 75 Duro

-138, 90 Duro, 2.112" ID x .103" Thk

1шт.

24

K900368

THERMOSTAT

1шт.

25

9635884

BOLT,Hex, 5/16" - 18 1", Full Thd, Gr 5

SETSCREW, 5/16 UNC x 1 in.

2шт.

K19481

SPRING WASHER

SPRING WASHER, 5/16 in.

2шт.

New Thermostat - See PB 13-79 dated

1шт.

New Cylinder Lines - K964857 - SB 88-82

1шт.

Ref #48 - K14734 Use K963853

1шт.

26

K14988

WASHER

Washer

4шт.

Выбрано товаров: 102