Запчасти Case IH 1212 (M32) - ELECTRICAL EQUIPMENT, ELECTRICAL WIRING, STARTING AND HEADLAMPS 1210 AND 1212 TRACTOR, A AND AFTER (06) - ELECTRICAL SYSTEMS

Схема запчастей Case IH 1212 - (M32) - ELECTRICAL EQUIPMENT, ELECTRICAL WIRING, STARTING AND HEADLAMPS 1210 AND 1212 TRACTOR, A AND AFTER (06) - ELECTRICAL SYSTEMS
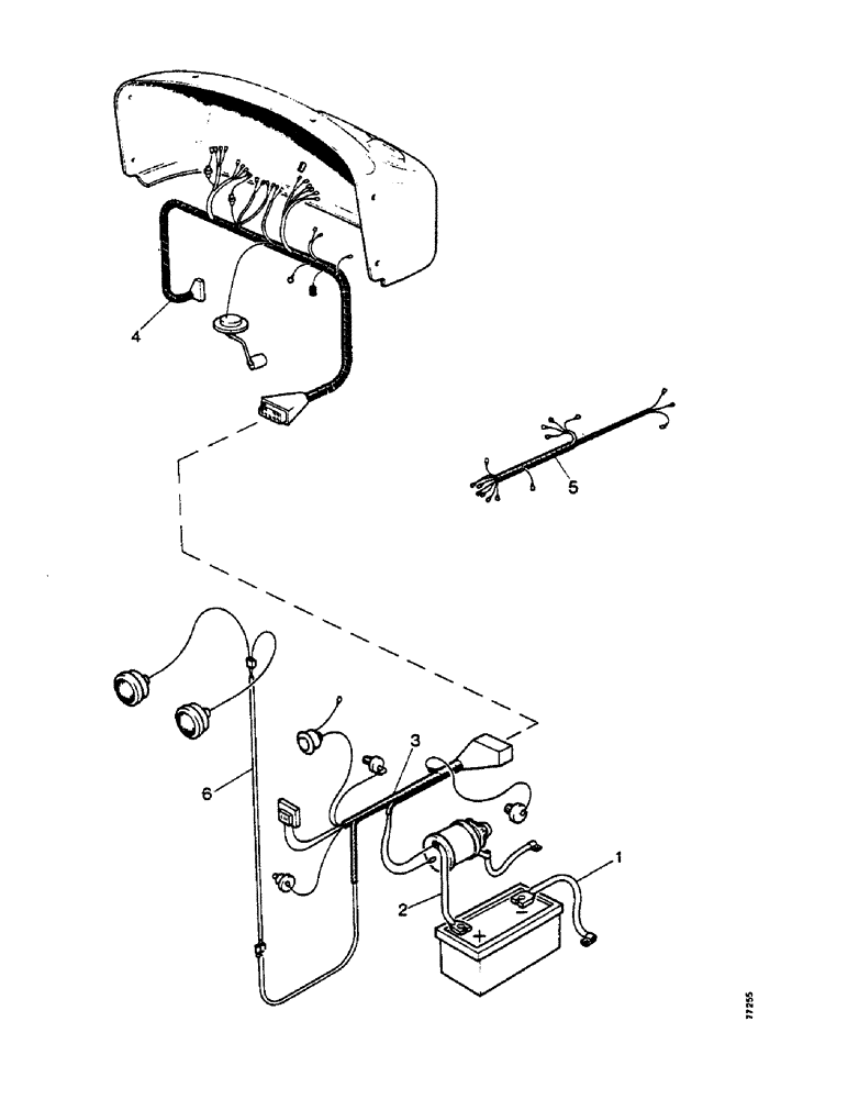
2
1
6
3
4
5
FIT
1:1
100%

Артикул

Название

Примечание

Количество

1

K917372

CABLE

, Serial Range: battery-earth

1шт.

K603925

SCREW,Pan, 1/4" - 20 x 5/8"

set, 1/4 UNC x 5/8 in, cable to radiator bracket.

1шт.

K626341

SPRING WASHER

WASHER spring, 1/4 in, cable to radiator bracket.

1шт.

K607043

NUT

1/4 UNC, cable to radiator bracket.

1шт.

K621609

CLIP

cable to radiator bracket.

1шт.

2

K947407

CABLE

, Serial Range: battery-starter

1шт.

K15518

CLAMP

CLIP, cable to cylinder block

1шт.

K87560

CONTACT HOUSING

COVER rubber, starter terminal

2шт.

K918762

CABLE

, Serial Range: starter-earth

1шт.

K621702

CLIP

buckle, horn lead to air inlet hose

3шт.

3

K947373

HARNESS

wiring, engine auxiliaries

1шт.

K19928

CLIP

buckle, harness to power steering pipes

4шт.

4a

K947879

PANEL

HARNESS wiring, instrument panel (shell/fan fenders)

1шт.

4b

K947254

HARNESS

wiring, instrument panel (full fenders)

1шт.

K625003

CLIP

Kwik, 3/8 in deg., Serial Range: harness-panel.

2шт.

K625004

CLIP

Kwik, 1/2 in deg., Serial Range: harness-panel.

1шт.

5

K947483

HARNESS

hazard warning

1шт.

6a

K947386

ELECTRICAL WIRE

LEAD, connector to headlamps, outboard headlamps.

1шт.

K625006

CLIP

leads to bonnet, outboard headlamps.

11шт.

6b

K921237

ELECTRICAL WIRE

LEAD, connector to junction, inboard headlamps.

1шт.

6c

K921571

ELECTRICAL WIRE

LEAD, junction to headlamps, inboard headlamps.

1шт.

K625006

CLIP

leads to bonnet, inboard headlamps.

9шт.

K925268

BLADE

CONNECTOR blade, 25 amp

1шт.

86625206

SCREW,Phillips Drive, Pan HD, #10 - 32 x 1/2"

No. 10 UNF, connector to fuel tank support.

1шт.

K626340

RING

WASHER, 3/16 in, connector to fuel tank support.

1шт.

K617080

NUT

No. 10 UNF, connector to fuel tank support.

1шт.

Выбрано товаров: 26