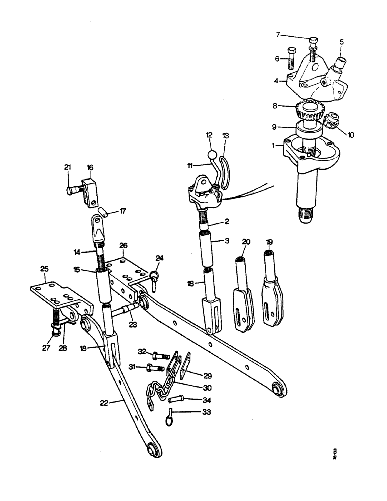
Запчасти Case IH 1212 (E28) - SELECTAMATIC HYDRAULIC SYSTEM, LIFT RODS AND LOWER LINKS, 990, 995, 996, 1210 AND 1212 TRACTORS (07) - HYDRAULIC SYSTEM

Схема запчастей Case IH 1212 - (E28) - SELECTAMATIC HYDRAULIC SYSTEM, LIFT RODS AND LOWER LINKS, 990, 995, 996, 1210 AND 1212 TRACTORS (07) - HYDRAULIC SYSTEM
27
12
9
28
20
6
18
5
19
4
18
11
25
31
13
26
10
16
23
17
30
1
14
22
21
15
29
32
2
33
24
7
34
3
8
FIT
1:1
100%

Артикул

Название

Примечание

Количество

K940507

LEVER

LEVELLING LEVER, complete (1210, 1212), Includes: Ref. 1A - 13

1шт.

K940508

LEVER

LEVELLING LEVER, complete (990, 995, 996), Includes: Ref. 1A - 13

1шт.

1a

K962975

HOUSING

GEAR HOUSING, with bush and tube (1210, 1212)

1шт.

1b

K962977

HOUSING

GEAR HOUSING, with bush and tube (990, 995, 996)

1шт.

2

K621339

BUSHING

BUSH, gear housing

1шт.

3a

K940510

TUBE,1.75" ID x 6.187" L

1-3/4 x 6-1/4 in, gear housing (1210, 1212)

1шт.

3b

K922657

TUBE,1.75" DIA x 5.25" L

1-3/4 x 5-1/4 in, gear housing (990, 995, 996)

1шт.

4

K962691

COVER

CAP, with bushes and dowels

1шт.

5

K621340

BUSHING

BUSH, cap

2шт.

6

K600405

BOLT

3/8 UNC x 1-5/8 in, cap to gear housing

2шт.

7

K600407

BOLT

3/8 UNC x 1-7/8 in, cap to gear housing

2шт.

K19482

SPRING WASHER

SPRING WASHER, 3/8 in, cap to gear housing

4шт.

K32063

PIN

DOWEL, 3/16 x 1/2 in, cap to gear housing

2шт.

8a

K924725

SHAFT

LEVELLING SCREW, 1 in Whitworth x 10-5/16 in (1210, 1212)

1шт.

8b

K919770

SHAFT

LEVELLING SCREW, 1 in Whitworth x 9-5/16 in (990, 995, 996)

1шт.

9

K19187

THRUST BEARING

1шт.

10

K919769

GEAR

BEVEL PINION

1шт.

K623741

SPRING

PIN, 5/32 x 3/4 in

1шт.

11

K919761

LEVER

HAND LEVER, with knob

1шт.

12

K919763

BUTTON

KNOB

1шт.

K621790

RING, SNAP

CIRCLIP, 1/2 in internal

1шт.

13

K924723

SPRING

LATCH

1шт.

K940506

ROD

LIFT ROD, complete (1210, 1212), Includes: Ref. 14A - 18B and grease nipple

1шт.

K940505

ROD

LIFT ROD, complete (990, 995, 996), Includes: Ref. 14A - 18B and grease nipple

1шт.

14a

K962976

ADJUSTMENT SCREW

ADJUSTING SCREW, 1 in Whitworth x 11-7/8 in, with tube (1210, 1212)

1шт.

14b

K962978

SET SCREW

ADJUSTING SCREW, 1 in Whitworth x 10-7/8 in, with tube (990, 995, 996)

1шт.

15a

K940509

TUBE,1.75" DIA x 7.125" L

1-3/4 x 7-1/8 in, adjusting screw (1210, 1212)

1шт.

15b

K940510

TUBE,1.75" ID x 6.187" L

1-3/4 x 6-1/4 in, adjusting screw (990, 995, 996)

1шт.

16

K921914

FORK

END

2шт.

17

K948353

PIVOT PIN

2шт.

K623740

SPLIT PIN/SAFETY PIN

SPRING PIN, 3/16 x 7/8 in

4шт.

18a

K940614

CLEVIS

ADJUSTING NUT, 1 in Whitworth x 11-5/8 in, standard (1210, 1212)

2шт.

18b

K940700

NUT

ADJUSTING NUT, 1 in Whitworth x 10-5/8 in, standard (990, 995, 996)

2шт.

219-8

LUBE NIPPLE,1/4" - 28 NPTF

NIPPLE, LUBE, , ANF 1/4"-28 NPT x .54" lg

5шт.

20a

K946081

ROD

ADJUSTING NUT, 11-5/8 in, slotted (1210, 1212)

2шт.

19a

K922094

ROD

ADJUSTING NUT, 11-5/8 in, right-hand, slotted (1210, 1212)

1шт.

K921912

ROD

ADJUSTING NUT, 11-5/8 in, left-hand, slotted (1210, 1212)

1шт.

20b

K945967

CLEVIS

ADJUSTING NUT, 10-5/8 in, slotted (990, 995, 996)

2шт.

19b

K922087

ROD

ADJUSTING NUT, 10-5/8 in, right-hand, slotted (990, 995, 996)

1шт.

K921210

ROD

ADJUSTING NUT, 10-5/8 in, left-hand slotted (990, 995, 996)

1шт.

K19476

WASHER

PLAIN WASHER, use with 946081 and 945967

2шт.

21

K914191

PIN

BOLT, 3/4 UNC x 4-1/4 in, special, lift arm

2шт.

K607446

NUT

CLEVELOC NUT, 3/4 UNC

2шт.

22a

K918720

LINK

LOWER LINK, 38-1/2 in (1210, 1212)

2шт.

23a

K942583

NUT

LINK PIN (1210, 1212)

2шт.

22b

K923699

LINK

LOWER LINK, 35-1/2 in, standard (990, 995, 996)

2шт.

22c

K923698

LINK

LOWER LINK, 38-1/2 in, extended (990, 995, 996)

2шт.

23b

K922634

PIN,31.75mm OD x 182.56mm L

LINK PIN (990, 995, 996)

2шт.

24

K920359

PIN

LINCH PIN AND RING

2шт.

25a

K918600

BRACKET

HITCH BRACKET, left-hand (1210, 1212)

1шт.

26a

K918604

BRACKET

HITCH BRACKET, right-hand (1210, 1212)

1шт.

25b

K921558

BRACKET

HITCH BRACKET, left-hand (990, 995, 996)

1шт.

26b

K921559

BRACKET

HITCH BRACKET, right-hand (990, 995, 996)

1шт.

27

K601410

BOLT

3/4 UNC x 3 in, brackets to axle case

8шт.

28

K913121

WASHER

TABWASHER, brackets to axle case

4шт.

K946107

CHAIN (AG)

CHECK CHAIN ASSEMBLY (1210, 1212), Includes: Ref. 29 - 31 and Cleveloc nut

2шт.

K946106

CHAIN (AG)

CHECK CHAIN ASSEMBLY (990, 995, 996), Includes: Ref. 29 - 31 and Cleveloc nut

2шт.

29

K924022

PLATE

check chain

2шт.

30a

K946105

CHAIN (AG)

CHECK CHAIN AND PLATE (1210, 1212)

1шт.

30b

K946104

CHAIN (AG)

CHECK CHAIN AND PLATE (990, 995, 996)

1шт.

31

K600804

BOLT

1/2 UNC x 1-3/4 in

1шт.

K607462

NUT

CLEVELOC NUT, 1/2 UNC

1шт.

32

K600804

BOLT

1/2 UNC x 1-3/4 in, Serial Range: chains-drawbar

2шт.

K607462

NUT

CLEVELOC NUT, 1/2 UNC, Serial Range: chains-drawbar

2шт.

33

K915678

PIN

LINCH PIN AND RING

2шт.

34

K946108

HEADED PIN

PIN, check chain

2шт.

Выбрано товаров: 66