Запчасти Case IH 1212 (E42) - SELECTAMATIC HYDRAULIC SYSTEM, DOUBLE ACTING LIVE TAKE OFF VALVE UNIT, TWIN - ALL MODELS (07) - HYDRAULIC SYSTEM

Схема запчастей Case IH 1212 - (E42) - SELECTAMATIC HYDRAULIC SYSTEM, DOUBLE ACTING LIVE TAKE OFF VALVE UNIT, TWIN - ALL MODELS (07) - HYDRAULIC SYSTEM
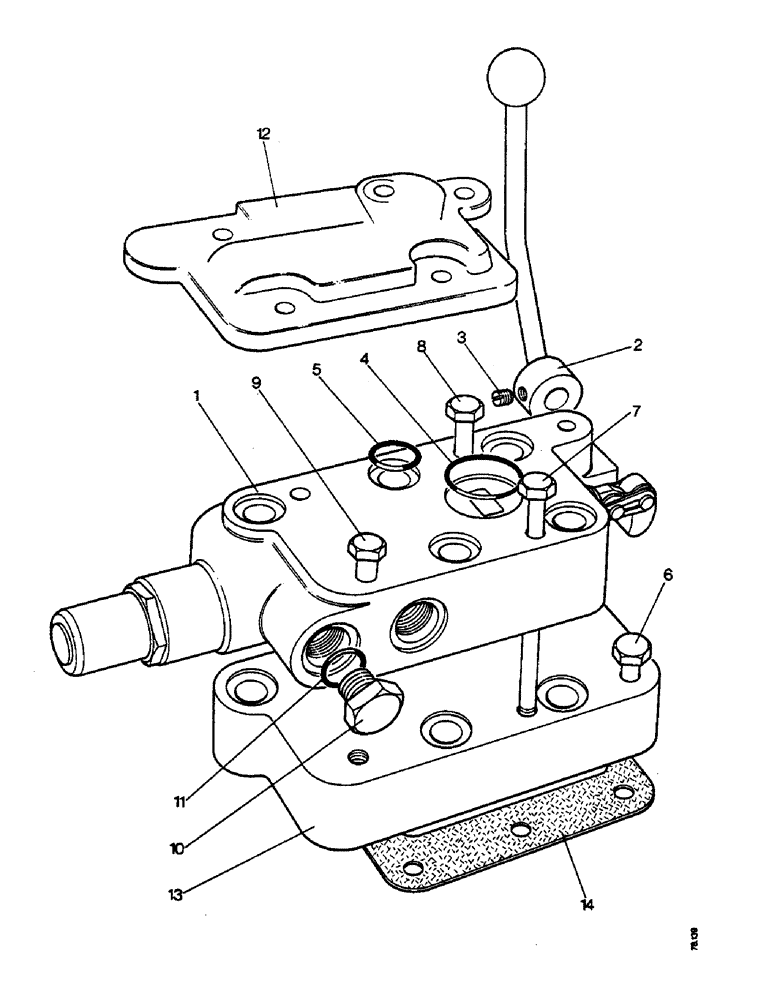
9
3
5
10
2
7
1
14
11
4
13
6
8
12
FIT
1:1
100%

Артикул

Название

Примечание

Количество

K918184

SPARE PART

TWIN LIVE TAKE-OFF VALVES, (U949 & UK949) (1210, 1212)

1шт.

K918938

NO LONGER SERVICED

TWIN LIVE TAKE-OFF VALVES, (U845) (885, 990, 995, 996)

1шт.

K930231

NO LONGER SERVICED

PIPES AND COUPLINGS FOR TWIN VALVES, (U1401 & K140100) (1210, 1212)

1шт.

K930229

NO LONGER SERVICED

PIPES AND COUPLINGS FOR TWIN VALVES, (U1399 & K139900) (885, 990, 995, 996)

1шт.

1a

K943825

VALVE

CONTROL VALVE ASSEMBLY

2шт.

1b

K919689

NO LONGER SERVICED

CONTROL VALVE ASSEMBLY

2шт.

2a

K946382

LEVER

HAND LEVER, cranked

1шт.

2b

K946383

LEVER

HAND LEVER, straight

1шт.

K622382

KEY

Woodruff No..403

2шт.

3

K606322

SCREW

GRUBSCREW, 5/16 UNC x 3/8 in

2шт.

4

K623588

O-RING,2.69mm Thk x 29.97mm ID, 75 Duro

'O' RING, 1-3/16 in internal dia.

2шт.

5

K24852

O-RING,0.103" Thk x 0.674" ID, -115, Cl 6, 90 Duro

'O' RING, 11/16 in internal dia.

10шт.

6a

K600414

BOLT

3/8 UNC x 2-3/4 in (1210, 1212)

1шт.

7a

K600519

BOLT

3/8 UNC x 6-3/4 in, single pump (1210, 1212)

2шт.

8a

K600520

BOLT

3/8 UNC x 7-1/4 in, single pump (1210, 1212)

1шт.

7c

K600520

BOLT

3/4 UNC x 7-1/4 in, tandem pump (1210, 1212)

2шт.

8c

K600521

BOLT

3/4 UNC x 7-3/4 in, tandem pump (1210, 1212)

1шт.

6b

K600510

BOLT

3/8 UNC x 2 in (885, 990, 995, 996)

1шт.

7b

K600513

BOLT

3/8 UNC x 6 in (885, 990, 995, 996)

2шт.

8b

K600514

BOLT

3/8 UNC x 6-1/4 in (885, 990, 995, 996)

1шт.

9

K600512

BOLT

3/8 UNC x 4-1/2 in

2шт.

K19482

SPRING WASHER

SPRING WASHER, 3/8 in

6шт.

10

K920826

O-RING

PLUG, 3/4 UNF

4шт.

11

K623589

O-RING

'O' RING, 11/16 in internal dia.

4шт.

12

K919242

COVER

valve body

1шт.

13

K950386

BASE

PLATE, replaces K962085 (885, 990, 995, 996)

1шт.

14

K917387

GASKET

base plate to axle case (885, 990, 995, 996)

1шт.

T55222 Plate - Power beyond manifold used on 60 & 65 Series Case Loaders.

1шт.

K133700 Conversion Kit, Single to Twin Valve (885-990) consists of: 1 K9566421 Valve & 1 K946383 Lever & Hdwe

1шт.

Выбрано товаров: 29