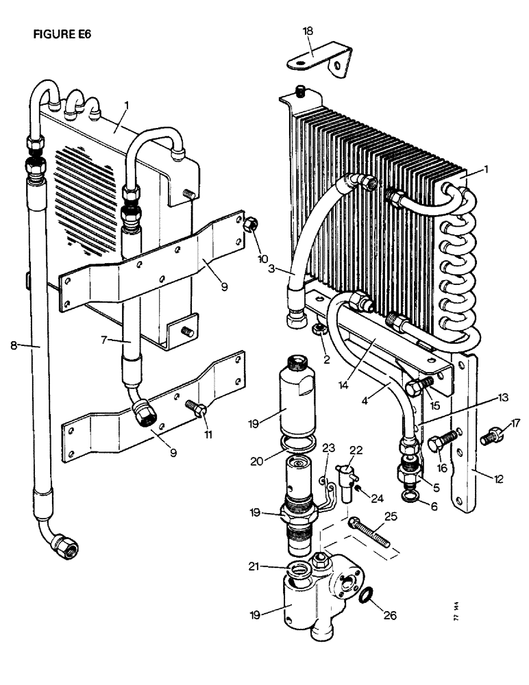
Запчасти Case IH 1410 (E06-1) - SELECTAMATIC HYD.SYSTEM, TRANSMISSION OIL COOLER, 1412, 1412Q, 1412G, 1412SK (07) - HYDRAULIC SYSTEM

Схема запчастей Case IH 1410 - (E06-1) - SELECTAMATIC HYD.SYSTEM, TRANSMISSION OIL COOLER, 1412, 1412Q, 1412G, 1412SK (07) - HYDRAULIC SYSTEM
21
9
5
9
16
19
24
19
3
12
2
26
22
4
1
6
25
15
8
11
7
10
19
18
1
20
23
14
17
13
FIT
1:1
100%

Артикул

Название

Примечание

Количество

1

K942364

COOLER

1шт.

2

9635082

NUT,5/16" - 18, Gr 5

5/16 UNC (cooler to support frame single pump)

2шт.

K19481

SPRING WASHER

SPRING WASHER (cooler to support frame single pump)

2шт.

3

K949987

HOSE

valve to cooler, replaces K947510

1шт.

4

K947511

PIPE

coller to union (cooler to support frame single pump)

1шт.

5

K626079

FITTING

UNION, 3/8 BSP (cooler to support frame single pump)

1шт.

6

K626780

WASHER

ALUMINUM WASHER, 11/16 in (cooler to support frame single pump)

1шт.

7

K949987

HOSE

elbow to cooler (tandem pump)

1шт.

8

K949988

HOSE

PIPE, cooler to valve (tandem pump)

1шт.

9

K951146

BRACKET

SUPPORT-PLATE, oil cooler (tandem pump)

2шт.

K19481

SPRING WASHER

SPRING WASHER, 5/16 in (oil, Serial Range: cooler-bracket)

2шт.

10

9635082

NUT,5/16" - 18, Gr 5

5/16 UNC (oil cooler to bracket)

2шт.

11

K602702

SCREW

SETSCREW, 1/4 UNC x 5/8 in (oil cooler bracket to support frame)

4шт.

K19480

SPRING WASHER

SPRING WASHER, 1/4 in (oil cooler bracket to support frame)

4шт.

K607000

NUT

5/16 UNC (oil cooler bracket to support frame)

4шт.

12

K951418

SUPPORT

left-hand (single pump)

1шт.

13

K951419

SUPPORT

right-hand (single pump)

1шт.

14

K951439

BRACKET

oil cooler (single pump)

1шт.

15

9627874

BOLT,Hex, 5/16" - 18 x 5/8", Gr 5, Full Thd

SETSCREW, 5/16 UNC x 5/8 in (bracket to supports)

2шт.

K19481

SPRING WASHER

SPRING WASHER, 5/16 in, Serial Range: (bracket-supports)

2шт.

9635082

NUT,5/16" - 18, Gr 5

5/16 UNC (bracket to supports)

2шт.

16

K600007

BOLT

1/4 UNC x 1 5/8 in (support frame to pump bracket)

4шт.

17

K602701

BOLT

SETSCREW, 1/4 UNC x 1/2 in (support frame to pump bracket)

6шт.

K19480

SPRING WASHER

SPRING WASHER, 1/4 in (support frame to pump bracket)

1шт.

18a

K952184

SUPPORT

BRACKET (single pump)

1шт.

K19481

SPRING WASHER

SPRING WASHER, 5/16 in (single pump)

1шт.

9635082

NUT,5/16" - 18, Gr 5

5/16 UNC (single pump)

1шт.

18b

K952183

SUPPORT

BRACKET (tandem pump)

1шт.

K602803

BOLT

SETSCREW, 5/16 UNC x 3/4 in (tandem pump)

1шт.

K19481

SPRING WASHER

SPRING WASHER, 5/16 in (tandem pump)

2шт.

9635082

NUT,5/16" - 18, Gr 5

5/16 UNC (tandem pump)

2шт.

19

K944002

COOLER

FLOW VALVE ASSEMBLY COMPLETE

1шт.

K963629

KIT

SEAL KIT AND BREATHER ASSEMBLY

1шт.

20

K626798

WASHER

ALUMINUM WASHER (part of kit K963926)

1шт.

21

K626797

WASHER

ALUMINUM WASHER (part of kit K963926)

1шт.

22a

K948642

KNOB

short (single pump)

1шт.

23

K951232

CLIP

SPRING CLIP (single pump)

1шт.

22b

K949985

KNOB

long, tandem pump

1шт.

24

K616414

SCREW

GRUBSCREW, included with knob

1шт.

25

K606515

SCREW

SETSCREW, 1/4 UNC x 2 3/8 in, valve and, Serial Range: pipe-pump

4шт.

26

K24676

O-RING,0.103" Thk x 0.612" ID, -114, Cl 6, 90 Duro

'O' RING, 5/8 in, part of kit K963629

2шт.

Выбрано товаров: 41