Запчасти Case IH 1410 (E10-1) - SELECTAMATIC HYDRAULIC SYSTEM, CONTROL MECHANISM, [A] 1410,1412,1412G [B]1410Q,1410SK, 1412Q, 1412SK (07) - HYDRAULIC SYSTEM

Схема запчастей Case IH 1410 - (E10-1) - SELECTAMATIC HYDRAULIC SYSTEM, CONTROL MECHANISM, [A] 1410,1412,1412G [B]1410Q,1410SK, 1412Q, 1412SK (07) - HYDRAULIC SYSTEM
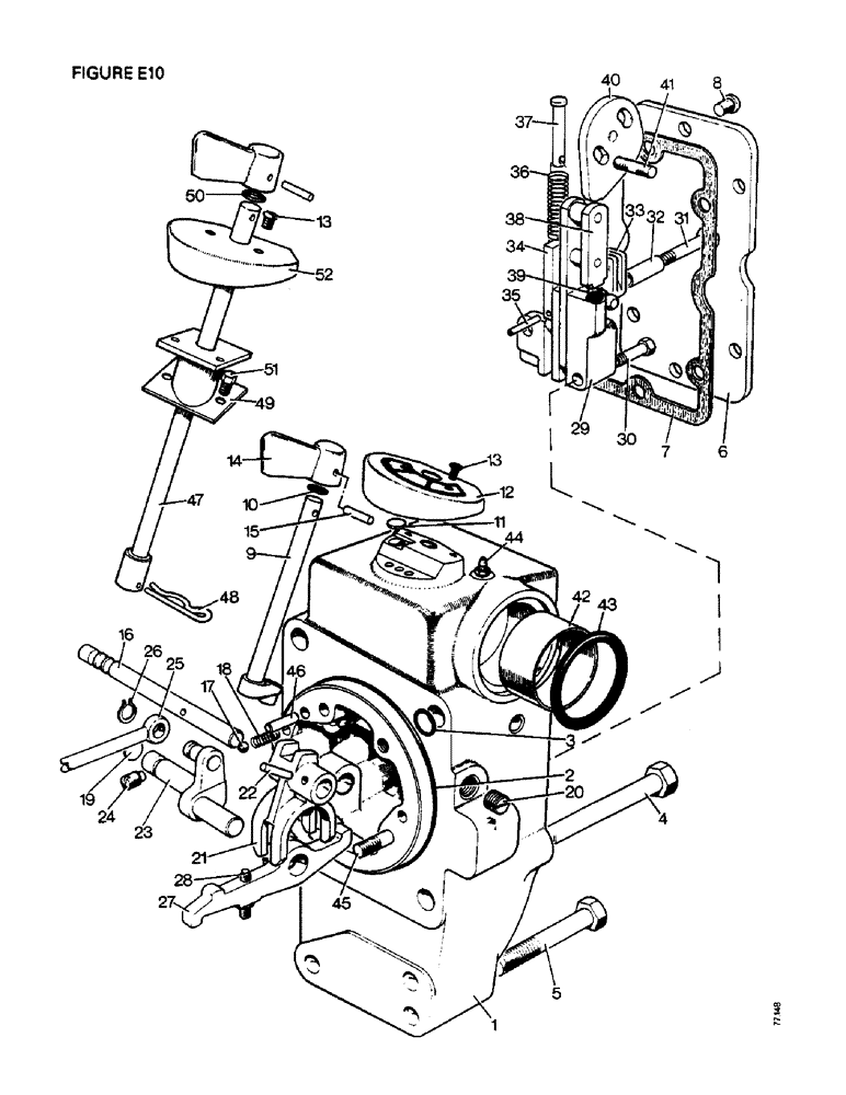
45
21
22
11
9
19
29
36
10
48
43
31
51
25
50
1
15
38
52
27
16
14
41
6
7
42
37
47
2
24
44
32
39
20
5
49
4
28
8
18
34
13
26
46
25
3
33
12
13
17
23
40
30
FIT
1:1
100%

Артикул

Название

Примечание

Количество

1

K947878

BRACKET

RAMSHAFT BRACKET, replaces K926695

1шт.

2

K623685

O-RING,0.139" Thk x 4.734" ID, -248, Cl 6, 90 Duro

'O' RING, 4 3/4 in internal diameter (ramshaft bracket to axle case)

1шт.

3

K623687

O-RING,0.07" Thk x 0.489" ID, -14, Cl 6, 90 Duro

'O' RING, 5/8 in external diameter (ramshaft bracket to axle case)

2шт.

4

K601380

BOLT

5/8 UNC x 8 in (ramshaft bracket to axle case)

4шт.

K19485

WASHER

SPRING WASHER, 5/8 in (ramshaft bracket to axle case)

4шт.

5

K600818

BOLT (SPREADER)

BOLT, 1/2 UNC x 4 in (ramshaft bracket to axle case)

2шт.

K19484

LOCK WASHER

SPRING WASHER, 1/2 in (ramshaft bracket to axle case)

2шт.

6

K928278

COVER

1шт.

7

K928279

GASKET

(cover to ramshaft bracket)

1шт.

8

280345

BOLT,Hex, 5/16" - 18 x 7/8", Gr 5, Full Thd

SCREW, 5/16 UNC x 7/8 in (cover to ramshaft bracket)

6шт.

K19481

SPRING WASHER

SPRING WASHER, 5/16 in (cover to ramshaft bracket)

6шт.

9

K928280

ROD

SELECTOR ROD

1шт.

10

K24554

O-RING

'O' RING, 3/8 in internal diameter

1шт.

11

K923237

SKID/SHOE

BREATHER PAD

1шт.

12

K928282

INDICATOR

SELECTOR PANEL

1шт.

13

K614943

SCREW

No. 10 UNF

2шт.

1410, 1412, 1412G

1шт.

13

K614943

SCREW

No. 10 UNF

4шт.

1410Q, 1410SK, 1412Q, 1412SK

1шт.

14

K947405

KNOB

POINTER

1шт.

15

K623936

PIN, ROLL

SPRING PIN, 1/8 x 3/4 in

1шт.

16

K913160

SELECTOR

SHAFT

1шт.

17

K17063

BALL

STEEL BALL, 1/4 in

1шт.

18

K24563

SPRING

1шт.

19

K24711

SHIM

COREPLUG, 5/8 in

2шт.

20

K923284

PLUG

9/16 in

1шт.

21

K942417

SELECTOR

FORK

1шт.

22

K623740

SPLIT PIN/SAFETY PIN

SPRING PIN, 3/16 x 7/8 in

1шт.

23

K913119

ROCKER LEVER

ROCKER SHAFT

1шт.

24

K602750

SCREW

RETAINING SCREW

1шт.

25

K909585

ROD

CONNECTING ROD

1шт.

26

K621562

RING, SNAP

CIRCLIP, 3/8 in external

1шт.

27

K913088

ROCKER LEVER

1шт.

28

K909552

SCREW,3/16"

ADJUSTING SCREW

1шт.

K607300

NUT

LOCKNUT, 1/4 UNC

1шт.

29

K944541

GUIDE

BRACKET

1шт.

30

K600206

BOLT

5/16 UNC x 1 5/8 in (guide bracket to ramshaft bracket)

1шт.

K19481

SPRING WASHER

SPRING WASHER, 5/16 in (guide bracket to ramshaft bracket)

1шт.

31

K600361

BOLT

5/16 UNC x 1 7/8 in (guide bracket to ramshaft bracket)

1шт.

32

K627019

BUSHING

BUSH (guide bracket to ramshaft bracket)

1шт.

K19471

WASHER

5/16 in (guide bracket to ramshaft bracket)

1шт.

33

K915033

LEVER

ACTUATING LEVER

1шт.

34

K928992

ROD

PUSH ROD, depth control

1шт.

35

K623973

SPRING

PIN, 3/32 x 9/16 in

1шт.

36

K624922

SPRING

1шт.

37

K913776

SPRING

ANCHOR

1шт.

38

K928283

ROD

PUSH ROD, height control

1шт.

39

K625196

SPRING

1шт.

40

K916587

CAM

1шт.

41

K608001

STUD

1/4 UNC x 1 1/16 in

2шт.

K19470

WASHER

1/4 in

2шт.

K607300

NUT

1/4 UNC

2шт.

42

K928271

BUSHING

BUSH

1шт.

43

K623579

O-RING,0.21" Thk x 2.225" ID, -331, Cl 5, 75 Duro

'O' RING, 2 1/4 in internal diameter

1шт.

44

219-8

LUBE NIPPLE,1/4" - 28 NPTF

NIPPLE, LUBE, , ANF 1/4"-28 NPT x .54" lg

1шт.

45

K608143

STUD

5/16 UNC x 1 1/2 in

2шт.

46

K24853

PIN

DOWEL, 1/4 x 11/16 in

2шт.

47

K951308

ROD

CONTROL ROD EXTENSION

1шт.

1410Q, 1410SK, 1412Q, 1412SK

1шт.

48

K624874

SPRING

CLIP

1шт.

1410Q, 1410SK, 1412Q, 1412SK

1шт.

49

K949292

SUPPORT

PANEL SUPPORT

1шт.

1410Q, 1410SK, 1412Q, 1412SK

1шт.

50

K24554

O-RING

'O' RING, 3/8 in, internal diameter, panel support

1шт.

1410Q, 1410SK, 1412Q, 1412SK

1шт.

51

K602733

SCREW

SETSCREW, 1/4 UNC x 5/8 in

2шт.

1410Q, 1410SK, 1412Q, 1412SK

1шт.

52

K951967

INDICATOR

PANEL

1шт.

Выбрано товаров: 68