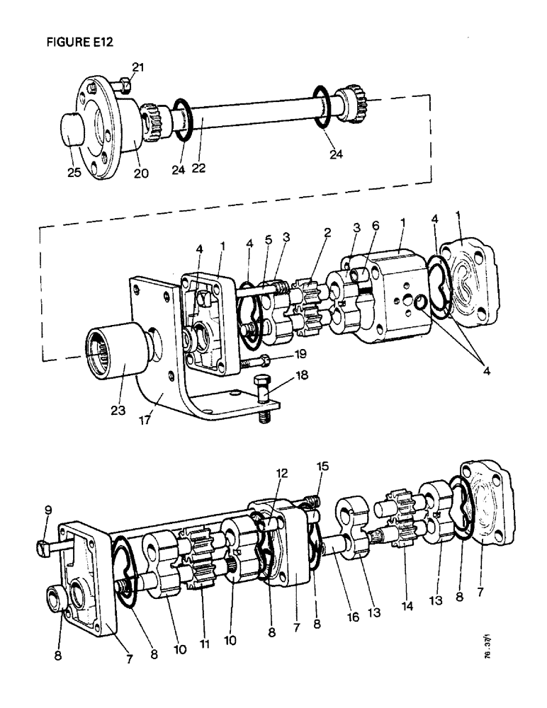
Запчасти Case IH 1410 (E12-1) - SELECTAMATIC HYDRAULIC SYSTEM, HYDRAULIC PUMP, [A] 1410, 1410Q, 1410SK [B]1412, 1412Q, 1412G, 1412SK (07) - HYDRAULIC SYSTEM

Схема запчастей Case IH 1410 - (E12-1) - SELECTAMATIC HYDRAULIC SYSTEM, HYDRAULIC PUMP, [A] 1410, 1410Q, 1410SK [B]1412, 1412Q, 1412G, 1412SK (07) - HYDRAULIC SYSTEM
23
3
21
16
4
19
13
9
7
8
5
6
3
22
1
10
11
24
4
4
25
17
14
8
8
15
24
1
7
10
20
4
18
12
13
8
7
1
8
2
FIT
1:1
100%

Артикул

Название

Примечание

Количество

1

K949605

PUMP

SINGLE PUMP ASSEMBLY, Plessey A40/18529, Replaces K944907

1шт.

K962112

COVER

front

1шт.

1410, 1410Q, 1410SK

1шт.

2a

K964522

GEAR

ROTORS, one pair (eff. S/N Note A)

1шт.

1410, 1410Q, 1410SK, 1412, 1412Q, 1412G, 1412SK-11202433

1шт.

2b

K964838

ROTOR

S, one pair (up to S/N Note A)

1шт.

1410, 1410Q, 1410SK, 1412, 1412Q, 1412G, 1412SK-11202433

1шт.

3

K964840

BEARING

2шт.

4a

K962088

RING

SEAL PACK, single pump (eff. S/N Note A)

1шт.

1410, 1410Q, 1410SK, 1412, 1412Q, 1412G, 1412SK-11202433

1шт.

4b

K964831

SEAL

SEAL, pack, single pump (up to S/N Note A)

1шт.

1410, 1410Q, 1410SK, 1412, 1412Q, 1412G, 1412SK-11202433

1шт.

5a

K964521

BOLT

3/8 UNF, special (eff. S/N Note A)

1шт.

1410, 1410Q, 1410SK, 1412, 1412Q, 1412G, 1412SK-11202433

1шт.

5b

K964839

BOLT

3/8 UNF, special (up to S/N Note A)

4шт.

1410, 1410Q, 1410SK, 1412, 1412Q, 1412G, 1412SK-11202433

1шт.

6a

K964920

PIN

RING DOWEL (eff. S/N Note A)

8шт.

1410, 1410Q, 1410SK, 1412, 1412Q, 1412G, 1412SK-11202433

1шт.

6b

K962110

PIN

RING DOWEL (up to S/N Note A)

8шт.

1410, 1410Q, 1410SK, 1412, 1412Q, 1412G, 1412SK-11202433

1шт.

K19482

SPRING WASHER

SPRING WASHER, 3/8 in

4шт.

K964837

NUT

3/8 UNF

4шт.

K962100

PLATE

FLANGE

1шт.

K962106

OIL SEAL,16.13mm ID x 28.83mm OD x 7.92mm Thk

1шт.

7

K916535

PUMP

TANDEM PUMP ASSEMBLY

1шт.

K916535R

REMAN-HYD PUMP

1410, 1412 BOTH (1/74-12/80)

1шт.

K916535C

CORE-HYDRAULIC PUMP

Return Number

1шт.

K962112

COVER

front

1шт.

8

K962117

PUMP

SEAL, pack, both sections

1шт.

9

K962111

BOLT

3/8 UNF, special

4шт.

K19482

SPRING WASHER

SPRING WASHER, 3/8 in

4шт.

K616982

NUT

3/8 UNF

4шт.

10

K962116

BEARING ASSY

BEARING (rear pump)

2шт.

11

K962109

GEAR

ROTORS, one pair (rear pump)

1шт.

12

K962099

PIN

RING DOWEL (rear pump)

4шт.

13

K962089

BEARING

(front pump)

2шт.

14

K962105

GEAR

ROTORS, one pair (front pump)

1шт.

15

K962110

PIN

RING DOWEL (front pump)

4шт.

16

K962107

COUPLING, BREAK AWAY

MUFF COUPLING (front pump)

1шт.

K962100

PLATE

FLANGE

1шт.

K962106

OIL SEAL,16.13mm ID x 28.83mm OD x 7.92mm Thk

1шт.

17a

K944951

SUPPORT

BRACKET (single pump)

1шт.

18

K603107

BOLT,1/2" x 1 3/8"

BOLT, 1/2 UNC x 1 3/8 in (bracket to front extension) (single pump)

4шт.

K19484

LOCK WASHER

SPRING WASHER, 1/2 in (bracket to front extension) (single pump)

4шт.

K19474

HARDWARE

WASHER, 1/2 in (bracket to front extension) (single pump)

1шт.

17b

K949984

SUPPORT

BRACKET (tandem pump)

1шт.

1412, 1412Q, 1412G, 1412SK

1шт.

K603107

BOLT,1/2" x 1 3/8"

BOLT, 1/2 UNC x 1 3/8 in (bracket to front extension) (tandem pump)

2шт.

K603109

BOLT

1/2 UNC x 1 5/8 in (bracket to front extension) (tandem pump)

2шт.

K19484

LOCK WASHER

SPRING WASHER, 1/2 in (bracket to front extension) (tandem pump)

4шт.

19a

K600006

BOLT

1/4 UNC x 1 1/2 in (bracket to front extension) (tandem pump)

4шт.

1412, 1412Q, 1412G, 1412SK

1шт.

19b

K600006

BOLT

1/4 UNC x 1 1/2 in, single pump, Serial Range: (pump-bracket)

4шт.

1410Q, 1410SK, 1412Q, 1412SK

1шт.

19c

K600007

BOLT

1/4 UNC x 1 5/8 in, tandem pump, Serial Range: (pump-bracket)

4шт.

1412, 1412Q, 1412G, 1412SK

1шт.

K19480

SPRING WASHER

SPRING WASHER, 1/4 in, Serial Range: (pump-bracket)

4шт.

K607000

NUT

1/4 UNC, Serial Range: (pump-bracket)

4шт.

20

K910538

COUPLING, BREAK AWAY

COUPLING, crankshaft pulley

1шт.

21

K600359

BOLT

5/16 UNC x 1 1/4 in (coupling to crankshaft pulley)

4шт.

K19481

SPRING WASHER

SPRING WASHER, 5/16 in (coupling to crankshaft pulley)

4шт.

22

K944950

SHAFT

DRIVESHAFT

1шт.

23

K944947

COUPLING, BREAK AWAY

COUPLING, pump

1шт.

K19604

KEY

Woodruff No. 405

1шт.

425-157

JAM NUT,Jam, 7/16"-20, G5

7/16 UNF

1шт.

K626380

WASHER

TABWASHER

1шт.

24

K623555

O-RING,1.396" OD x 0.255" Width

'O' RING, 1 7/16 in internal diameter

2шт.

25

K627581

BUSHING

RUBBER DISC, 7/16 in (alternatives)

1шт.

K627582

BUSHING

RUBBER DISC, 9/16 in (alternatives)

1шт.

K627583

BUSHING

RUBBER DISC, 5/8 in (alternatives)

1шт.

Выбрано товаров: 70