Запчасти Case IH 1410 (K2-1) - DRAWBARS AND HITCHES, HIGH HITCH DRAWBAR, 1412G Drawbars & Hitches

Схема запчастей Case IH 1410 - (K2-1) - DRAWBARS AND HITCHES, HIGH HITCH DRAWBAR, 1412G Drawbars & Hitches
11
3
4
2
6
13
1
7
5
9
14
10
12
8
FIT
1:1
100%

Артикул

Название

Примечание

Количество

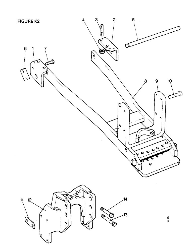
1

K929818

BRACKET

HINGE BRACKET, left hand

1шт.

2

K929819

BRACKET

HINGE BRACKET, right hand

1шт.

3

K608610

STUD

5/8 UNC x 2 1/2 in

4шт.

4

K607306

NUT

NYLOC NUT, 5/8 UNC

4шт.

5

K943026

HINGE

BAR

1шт.

6

K943027

PLATE

RETAINING PLATE

1шт.

7

K600475

BOLT

3/8 UNC x 1 1/2 in (retaining plate to hinge bracket)

1шт.

K19482

SPRING WASHER

SPRING WASHER, 3/8 in (retaining plate to hinge bracket)

1шт.

280136

NUT,3/8"-16, G8

(Retaining plate to hinge bracket) 3/8"-16, G8

1шт.

8a

K947168

SUPPORT

DRAWBAR SUPPORT (eff. S/N Note A)

1шт.

1412G-1050155

1шт.

8b

K946156

SUPPORT

DRAWBAR SUPPORT (up to S/N Note A)

1шт.

1412G-1050155

1шт.

9

K924213

CHAIN (AG)

ANCHOR, check chains

1шт.

10

K601208

BOLT

5/8 UNC x 2 1/2 in

8шт.

K19485

WASHER

SPRING WASHER, 5/8 in

8шт.

11

K917071

SHIM

1/16 in

1шт.

K917072

SHIM

1/32 in

1шт.

12

K947278

SUPPORT

DRAWBAR SUPPORT

1шт.

13

K601208

BOLT

5/8 UNC x 2 1/2 in

2шт.

14

K601206

BOLT

5/8 UNC x 2 1/4 in

2шт.

K19485

WASHER

SPRING WASHER, 5/8 in

4шт.

Выбрано товаров: 22