Запчасти Case IH 1410 (C13-1) - GEARBOX, TRANSMISSION BRAKE, 1412G Gearbox

Схема запчастей Case IH 1410 - (C13-1) - GEARBOX, TRANSMISSION BRAKE, 1412G Gearbox
24
16
1
11
23
19
7
22
8
4
17
20
14
24
5
9
3
15
18
25
9
17
21
2
6
8
12
13
10
FIT
1:1
100%

Артикул

Название

Примечание

Количество

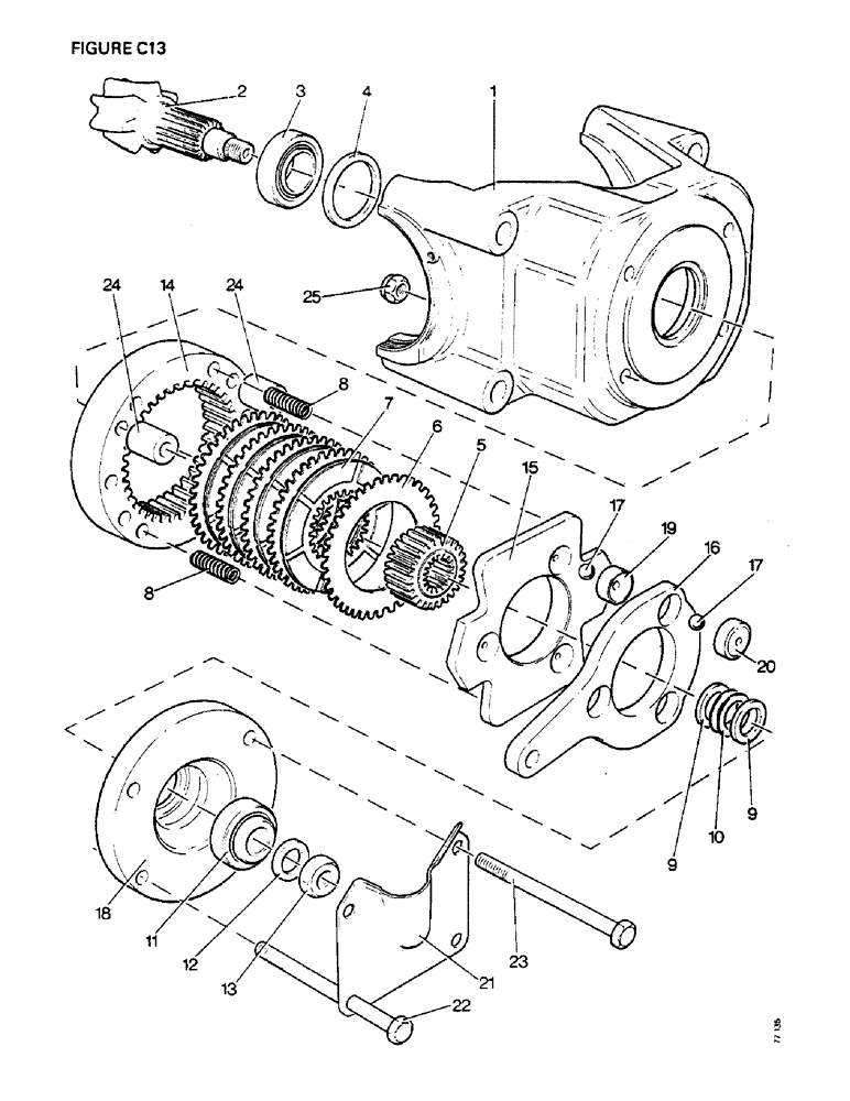
1

HOUSING, transmission brake, not supplied separately

1шт.

2

K952333

SHAFT ASSY.

BEVEL PINION

1шт.

3

K620083

ROLLER

TAPER ROLLER BEARING

1шт.

4

K626204

SHIM,.002" Thk

1шт.

K626205

SHIM,.003" Thk

1шт.

K626206

SHIM,.005" Thk

1шт.

K626207

SHIM,.010" Thk

1шт.

5

K922789

GEAR

DRIVEN GEAR, 30 teeth

1шт.

6

K902394

PLATE

CLUTCH PLATE, steel

5шт.

7

K953162

LARGE PLATE

CLUTCH PLATE, bronze, replaces K902393

4шт.

8

K13226

SPRING

6шт.

9

K626733

WASHER

1 in special

2шт.

10

K626200

SHIM,.002" Thk

1шт.

K626201

SHIM,.003" Thk

1шт.

K626202

SHIM,.005" Thk

1шт.

K626203

SHIM,.010" Thk

1шт.

11

K620084

BEARING, ROLLER

TAPER ROLLER BEARING

1шт.

12

K626912

WASHER

special

1шт.

13

K617592

NUT

3/4 UNF, left-hand

1шт.

14

K918712

CLUTCH

RING

1шт.

15

K918714

BLOCK

THRUST BLOCK

1шт.

16

K923223

PLATE

OPERATING PLATE

1шт.

17

K30112

BALL

STEEL BALL, 1/2 in

6шт.

18

K918717

HOUSING

bearing

1шт.

19

K918871

BUTTON

THRUST BUTTON, operating plate

3шт.

20

K918870

PLUG

THRUST BUTTON, bearing housing

3шт.

21

K922632

COVER

1шт.

22

K600820

BOLT

1/2 UNC x 4 1/2 in

2шт.

23

K600879

BOLT

1/2 UNC x 4 1/2 in, fitted

2шт.

24

K627069

BUSHING

SPACER

4шт.

K607304

NUT

NYLOC NUT, 1/2 UNC

4шт.

Выбрано товаров: 31