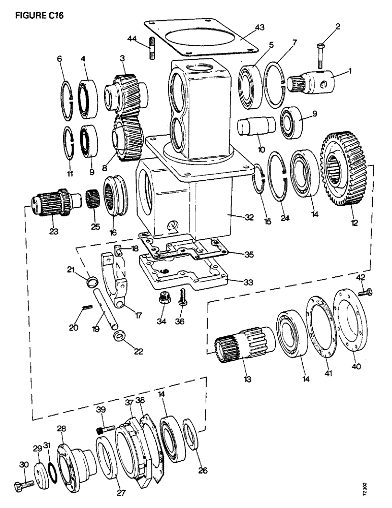
Запчасти Case IH 1410 (C16-1) - GEARBOX, TRANSFER GEARBOX 4WD TRACTORS, KRAMER AXLE, 1410 4WD, 1410Q 4WD Gearbox

Схема запчастей Case IH 1410 - (C16-1) - GEARBOX, TRANSFER GEARBOX 4WD TRACTORS, KRAMER AXLE, 1410 4WD, 1410Q 4WD Gearbox
36
33
18
1
14
10
21
38
27
28
6
41
12
44
31
26
9
29
40
25
23
2
37
43
39
8
15
16
4
3
7
9
22
11
5
30
32
14
34
17
24
19
35
14
13
42
20
FIT
1:1
100%

Артикул

Название

Примечание

Количество

1

K950796

COUPLING, BREAK AWAY

COUPLING, gearbox pinion shaft

1шт.

2

K600211

BOLT

5/16 UNC x 2 1/4 in

1шт.

K19481

SPRING WASHER

SPRING WASHER, 5/16 in

1шт.

K607236

NUT, 5/16 UNC

1шт.

K949355

TRANSMISSION

TRANSFER GEARBOX ASSEMBLY, Includes: Ref. 3 - 42

1шт.

3

K950780

DRIVE

GEAR, 22 teeth

1шт.

4

K950782

BEARING

BALL BEARING

1шт.

5

K950781

BEARING

BALL BEARING

1шт.

6

K950784

RING, SNAP

CIRCLIP, 97 mm internal

1шт.

7

K950783

RING, SNAP

CIRCLIP, 108 mm, internal

1шт.

8

K950785

GEAR

INTERMEDIATE GEAR, 25 teeth

1шт.

9

K950786

ROLLER

BEARING

2шт.

10

K950787

SHAFT

INTERMEDIATE SHAFT

1шт.

11

K950788

SNAP RING

CIRCLIP, 78 mm, internal

2шт.

12

K950789

GEAR

DRIVEN GEAR, 40 teeth

1шт.

13

K951709

DRIVE SHAFT

DRIVEN SHAFT

1шт.

14

K950791

BEARING

BALL BEARING

3шт.

15

K951794

WASHER

CIRCLIP, 64 mm, external

1шт.

16

K950806

CLUTCH

SLIDING DOG CLUTCH

1шт.

17

K950805

SELECTOR

FORK

1шт.

18

K951690

SELECTOR

TRUNNION PIN, selector fork

2шт.

19

K950807

SELECTOR

SHAFT

1шт.

20

K950808

PIN

8 x 28 mm

1шт.

21

K950809

PLUG

CORE PLUG, 30 mm diameter

1шт.

22

K954382

OIL SEAL, 18 x 30 x 8 mm

1шт.

23

K950797

SHAFT

OUTPUT SHAFT

1шт.

24

K951720

CIRCLIP, 116 mm internal

2шт.

25

K950798

NEEDLE

ROLLER BEARING

1шт.

26

K950799

BUSHING

SPACER

1шт.

27

K950800

SEAL

OIL SEAL, 102 x 76 x 14 mm

1шт.

28

K950801

NO LONGER SERVICED

DRIVING FLANGE

1шт.

29

K950802

WASHER

RETAINING PLATE

1шт.

30

K950803

SCREW

SETSCREW, M11 x 30 mm

2шт.

31

K951758

O-RING

'O' RING, 42 mm internal

1шт.

32

K951706

GEAR

CASE, transfer box

1шт.

33

K950775

BASE

PLATE

1шт.

34

K950778

PLUG

MAGNETIC PLUG

1шт.

K950779

SEAL

SEATING WASHER, plug

1шт.

35

K951707

GASKET

1шт.

36

K950776

SCREW

GASKET

12шт.

K950777

WASHER

SPRING WASHER, 9 mm

12шт.

37

K953264

COVER

FRONT COVER

1шт.

38

K951826

GASKET

1шт.

39

K951691

CAP

SCREW

6шт.

K951692

SPRING

WASHER

6шт.

40

K950814

COVER

REAR COVER

1шт.

41

K951898

GASKET

1шт.

42

K950815

SCREW

SETSCREW

8шт.

K19481

SPRING WASHER

SPRING WASHER

8шт.

43

K946451

GASKET

LAMINATED GASKET (transfer box to tractor main frame)

1шт.

44

K608611

STUD

5/8 UNC x 1 3/4 in (transfer box to tractor main frame)

4шт.

K19485

WASHER

SPRING WASHER, 5/8 in (transfer box to tractor main frame)

4шт.

K607006

NUT

5/8 UNC (transfer box to tractor main frame)

4шт.

Выбрано товаров: 53