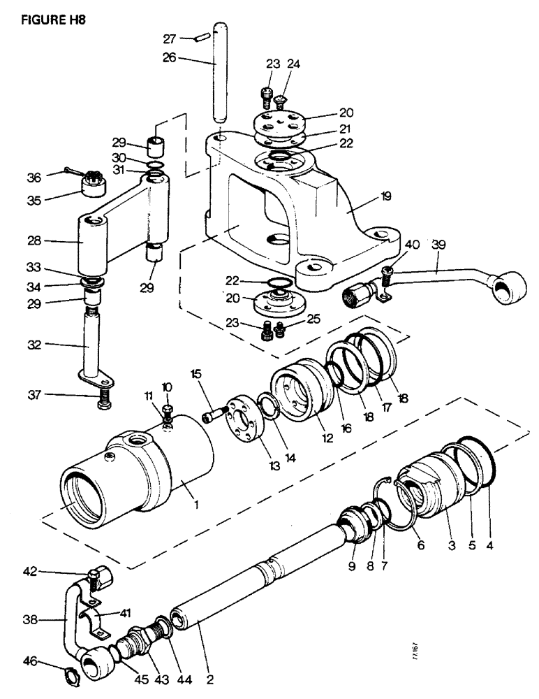
Запчасти Case IH 1410 (H08-1) - STEERING AND FRONT AXLE, STEERING RAM, 2WD TRACTORS, 1410, 1410Q, 1410SK,1412, 1412Q, 1412G, 1412SK Steering & Front Axle

Схема запчастей Case IH 1410 - (H08-1) - STEERING AND FRONT AXLE, STEERING RAM, 2WD TRACTORS, 1410, 1410Q, 1410SK,1412, 1412Q, 1412G, 1412SK Steering & Front Axle
28
40
23
20
35
23
17
44
30
21
45
38
5
29
43
29
15
24
6
8
7
16
25
1
13
11
33
20
41
37
12
4
46
22
3
34
42
39
9
29
19
14
10
36
32
16
31
22
18
2
27
26
FIT
1:1
100%

Артикул

Название

Примечание

Количество

K948609

CYLINDER

HYDRAULIC RAM ASSEMBLY, Includes: Ref. 1 - 18

1шт.

1

K948602

TUBE

RAM CYLINDER CASE

1шт.

2

K948564

ROD

RAM ROD

1шт.

3

K945883

SLEEVE

2шт.

4

K24683

O-RING,2.484" ID x 2.762" OD x 0.139"

'O' RING, 2 1/2 in diameter

2шт.

5

K691234

SEAL,66.04mm ID x 70.1mm OD x 1.57mm Thk

ANTI-EXTRUSION RING

2шт.

6

K691718

SNAP RING

CIRCLIP, 2 3/4 in external

2шт.

7

K15264

O-RING,1.109" ID x 1.387" OD x 0.139"

'O' RING, 1 1/8 in

2шт.

8

K628063

WASHER

special

2шт.

K628123

RING

NU-LIP RING

2шт.

9

K623458

WIPER SEAL

SCRAPER SEAL

2шт.

10

K613980

SCREW

VENTSCREW, No. 10 UNF

2шт.

11

K626450

WASHER

COPPER WASHER, 3/16 in

2шт.

12

K945880

PISTON

1шт.

13

K945881

PLATE

LOCKING PLATE

1шт.

14

K945882

RING

SPLIT RING, (halves)

2шт.

15

K616504

SCREW

cap head 1/4 UNF x 6 in

6шт.

16

K15264

O-RING,1.109" ID x 1.387" OD x 0.139"

'O' RING, 1 1/8 in diameter

1шт.

17

K86503

O-RING,0.21" Thk x 2.35" ID, -332, Cl 5, 75 Duro

'O' RING, 2 11/32 in diameter

1шт.

18

K628064

WASHER,60.33mm ID x 69.85mm OD x 1.83mm Thk

special

2шт.

K964943

SEAL KIT

SEAL KIT

1шт.

19

K948584

FORK

1шт.

20

K948604

PIN

BALL PEG

2шт.

21

K945890

SHIM

0.002 in

1шт.

K945891

SHIM

0.005 in

1шт.

K955215

SHIM,.010" Thk

1шт.

K955216

SHIM,.020" Thk

1шт.

22

K623660

RING,21.97mm ID x 29.23mm OD x 3.63mm Thk

NU-LIP SEAL, replaces K623561 and K13172

2шт.

23

K616717

SCREW

5/16 UNF special

4шт.

24

K948621

VALVE

RELIEF VALVE

1шт.

25a

K12250

FITTING

GREASE FITTING, 1/8 BSP, use with K948604

1шт.

25b

219-8

LUBE NIPPLE,1/4" - 28 NPTF

NIPPLE, LUBE, , ANF, Use with early ball peg K948605 1/4"-28 NPT x .54" lg

1шт.

26

K948542

PIVOT PIN

1шт.

27

K690732

SPRING

PIN, 3/16 x 1 3/4 in

1шт.

K948540

LINK

PIVOT LINK ASSEMBLY, Includes: Ref. 28 and 29

1шт.

28

K948541

LINK

PIVOT LINK

1шт.

29

K628741

BUSHING

BUSH

4шт.

30

K24676

O-RING,0.103" Thk x 0.612" ID, -114, Cl 6, 90 Duro

'O' RING, 5/8 in diameter

2шт.

31

K623540

O-RING,0.614" ID x 0.754" OD x 0.07"

'O' RING, 39/64 in diameter

2шт.

32

K948543

PIN

PIVOT PIN

1шт.

33

K623540

O-RING,0.614" ID x 0.754" OD x 0.07"

'O' RING, 39/64 in diameter

2шт.

34

K626921

WASHER

5/8 in diameter, special

2шт.

35

231-2448

LOCK NUT,1/2"-20, GB

NUT, 1/2 UNF, special

1шт.

36

K19537

PIN

SPLIT PIN, 1/8 x 1 1/8 in

1шт.

37

9627874

BOLT,Hex, 5/16" - 18 x 5/8", Gr 5, Full Thd

SETSCREW, 5/16 UNC x 5/8 in

1шт.

K19481

SPRING WASHER

SPRING WASHER, 5/16 in

1шт.

38

K945901

PIPE

right-hand

1шт.

39

K945903

PIPE

left-hand

1шт.

40

K604477

SCREW

5/16 UNC x 5/8 in left-hand pipe

1шт.

K19481

SPRING WASHER

SPRING WASHER, 5/16 in

1шт.

41

K952958

CLIP

hose

1шт.

42

K602803

BOLT

SETSCREW, 5/16 UNC x 3/4 in (clip, hose)

1шт.

K19481

SPRING WASHER

SPRING WASHER, 5/16 in (clip, hose)

1шт.

43

K626070

FITTING

UNION

2шт.

44

K948565

WASHER

0.185 in

1шт.

K948566

WASHER

0.189 in

1шт.

K948567

WASHER

0.195 in

1шт.

K948643

WASHER

0.201 in

1шт.

45

K24555

O-RING,0.737" ID x 0.943" OD x 0.103"

'O' RING, 3/4 in diameter

4шт.

46

K621476

RING, SNAP

CIRCLIP, 24mm external

2шт.

Выбрано товаров: 60