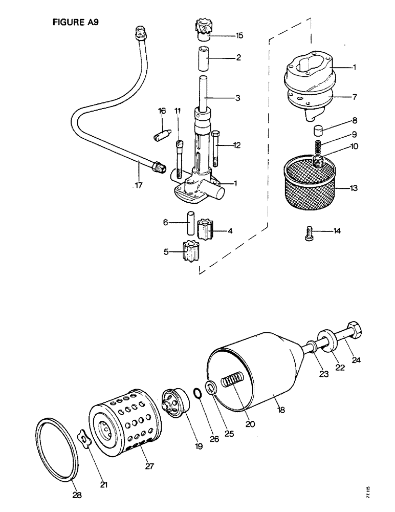
Запчасти Case IH 1410 (A09-1) - ENGINE, OIL PUMP, PIPES AND FILTER, 1410, 1410Q, 1410SK, 1412, 1412Q, 1412G, 1412SK (01) - ENGINE

Схема запчастей Case IH 1410 - (A09-1) - ENGINE, OIL PUMP, PIPES AND FILTER, 1410, 1410Q, 1410SK, 1412, 1412Q, 1412G, 1412SK (01) - ENGINE
26
11
21
18
23
2
22
25
6
1
1
7
14
17
9
5
4
27
28
13
12
20
24
19
16
3
8
10
15
FIT
1:1
100%

Артикул

Название

Примечание

Количество

K953894

PUMP, ENGINE OIL

OIL PUMP, complete, replaces K928676, Includes: Ref. 1 - 10

1шт.

1

K963414

SUPPORT

BRACKET AND GEAR HOUSING WITH SPINDLE AND BUSH, Includes: Ref. 2 and 3

1шт.

2

K30016

BUSHING

BUSH

1шт.

3

K928678

SPINDLE

DRIVING SPINDLE, 15 3/8 in

1шт.

K19604

KEY

Woodruff No. 405

1шт.

4

K928681

ROTOR

DRIVING ROTOR

1шт.

5

K928680

ROTOR

DRIVEN ROTOR

1шт.

6

K928679

SPINDLE

driven rotor

1шт.

K953815

VALVE

RELIEF VALVE ASSEMBLY, replaces K900752, Includes: Ref. 7 - 10

1шт.

Effective S/N 1410, - E122611: 1412 - E122611

1шт.

7

K953009

COVER

pump body

1шт.

Effective S/N 1410, - E122611: 1412 - E122611

1шт.

8

K953008

PLUNGER

1шт.

Effective S/N 1410, - E122611: 1412 - E122611

1шт.

9

K12961

SPRING

1шт.

10

K953010

SCREW,3/8" x 9/16"

adjusting, replaces K30013

1шт.

K67461

PLUNGER

part of K900752, Includes: Ref. 11 - 15

1шт.

Up to S/N 1410, - E122611: 1412 - E122611

1шт.

11

K928682

BOLT

1/4 UNC x 2 5/16 in special fitting

2шт.

12

K600013

BOLT

1/4 UNC x 2 3/8 in

2шт.

K19480

SPRING WASHER

SPRING WASHER, 1/4 in

4шт.

K607000

NUT

1/4 UNC

4шт.

13

K12013

FILTER

SCREEN

1шт.

14

K602701

BOLT

SETSCREW, 1/4 UNC x 1/2 in

1шт.

K19480

SPRING WASHER

SPRING WASHER, 1/4 in

1шт.

15

K902051

GEAR

SPIRAL PINION

1шт.

K19604

KEY

Woodruff No. 405

1шт.

16

K928254

SCREW,7/16" - 14 x 1 5/16"

LOCATING SCREW, 7/16 UNC

1шт.

K607516

NUT

CAPPED NUT, 7/16 UNC

1шт.

K14674

WASHER

COPPER WASHER, 7/16 in

1шт.

17

K915750

PIPE

OIL PIPE, pump to cylinder block

1шт.

18

K907654

CLEANER

OIL FILTER, complete, Includes: Ref. 19 - 27

1шт.

K903222

CLEANER

BOWL AND RELIEF VALVE ASSEMBLY, Includes: Ref. 19 - 26

1шт.

19

K903057

VALVE

RELIEF VALVE

1шт.

20

K903056

SPRING

1шт.

21

K903058

PLATE

LOCATING PLATE

1шт.

22

K903053

COLLAR

1шт.

23

K903054

SEAL

ING RING

1шт.

24

K903052

BOLT

7/16 UNC x 5 3/8 in

1шт.

25

K19473

WASHER

7/16 in

1шт.

26

K903075

WASHER

SEALING WASHER, 7/16 in

1шт.

27

K902125

FILTER, ELEMENT

ELEMENT

1шт.

28

K87644

RING

SEALING RING, 4 1/8 in internal diameter

1шт.

Выбрано товаров: 43