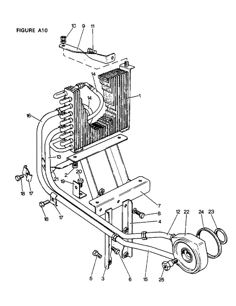
Запчасти Case IH 1410 (A10-1) - ENGINE, ENGINE OIL COOLER U1923, SINGLE HYDRAULIC PUMP, 1410, 1410Q,1410SK,1412,1412Q,1412G,1412SK (01) - ENGINE

Схема запчастей Case IH 1410 - (A10-1) - ENGINE, ENGINE OIL COOLER U1923, SINGLE HYDRAULIC PUMP, 1410, 1410Q,1410SK,1412,1412Q,1412G,1412SK (01) - ENGINE
18
10
2
11
14
3
20
19
9
12
25
7
15
22
14
8
4
1
17
17
23
5
6
18
24
16
21
13
FIT
1:1
100%

Артикул

Название

Примечание

Количество

K931873

SPARE PART

OIL COOLER ASSEMBLY, Includes: Ref. 1 - 25

1шт.

Effective S/N 1410, 1410Q, 1410SK, 1412, 1412Q, 1412G, 1412SK-1051059

1шт.

1

K951481

COOLER

OIL COOLER, engine

1шт.

Effective S/N 1410, 1410Q, 1410SK, 1412, 1412Q, 1412G, 1412SK-1051059

1шт.

2

9635082

NUT,5/16" - 18, Gr 5

5/16 UNC (cooler to support frame)

2шт.

Effective S/N 1410, 1410Q, 1410SK, 1412, 1412Q, 1412G, 1412SK-1051059

1шт.

K19481

SPRING WASHER

SPRING WASHER, 5/16 in (cooler to support frame)

2шт.

Effective S/N 1410, 1410Q, 1410SK, 1412, 1412Q, 1412G, 1412SK-1051059

1шт.

3

K951418

SUPPORT

left-hand

1шт.

Effective S/N 1410, 1410Q, 1410SK, 1412, 1412Q, 1412G, 1412SK-1051059

1шт.

4

K951419

SUPPORT

right-hand

1шт.

Effective S/N 1410, 1410Q, 1410SK, 1412, 1412Q, 1412G, 1412SK-1051059

1шт.

5

K600007

BOLT

1/4 UNC x 1 5/8 in (support to pump bracket)

4шт.

Effective S/N 1410, 1410Q, 1410SK, 1412, 1412Q, 1412G, 1412SK-1051059

1шт.

6

K602701

BOLT

SETSCREW, 1/4 UNC x 1/2 in (support to pump bracket)

2шт.

Effective S/N 1410, 1410Q, 1410SK, 1412, 1412Q, 1412G, 1412SK-1051059

1шт.

K19480

SPRING WASHER

SPRING WASHER, 1/4 in (support to pump bracket)

6шт.

Effective S/N 1410, 1410Q, 1410SK, 1412, 1412Q, 1412G, 1412SK-1051059

1шт.

7

K951417

SUPPORT

FRAME, engine and transmission collers

1шт.

Effective S/N 1410, 1410Q, 1410SK, 1412, 1412Q, 1412G, 1412SK-1051059

1шт.

8

9627874

BOLT,Hex, 5/16" - 18 x 5/8", Gr 5, Full Thd

SETSCREW, 5/16 UNC x 5/8 in (support frame to supports)

2шт.

Effective S/N 1410, 1410Q, 1410SK, 1412, 1412Q, 1412G, 1412SK-1051059

1шт.

K19481

SPRING WASHER

SPRING WASHER, 5/16 in (support, Serial Range: frame-supports)

2шт.

Effective S/N 1410, 1410Q, 1410SK, 1412, 1412Q, 1412G, 1412SK-1051059

1шт.

9635082

NUT,5/16" - 18, Gr 5

5/16 UNC (support frame to supports)

2шт.

Effective S/N 1410, 1410Q, 1410SK, 1412, 1412Q, 1412G, 1412SK-1051059

1шт.

9

K952185

SUPPORT

STAY, oil cooler

1шт.

Effective S/N 1410, 1410Q, 1410SK, 1412, 1412Q, 1412G, 1412SK-1051059

1шт.

10

9635082

NUT,5/16" - 18, Gr 5

5/16 UNC (oil cooler to stay)

1шт.

Effective S/N 1410, 1410Q, 1410SK, 1412, 1412Q, 1412G, 1412SK-1051059

1шт.

K19481

SPRING WASHER

SPRING WASHER, 5/16 in (oil, Serial Range: cooler-stay)

1шт.

Effective S/N 1410, 1410Q, 1410SK, 1412, 1412Q, 1412G, 1412SK-1051059

1шт.

11

K602735

SCREW

SETSCREW, 1/4 UNC x 3/4 in (stay to hood front) (Replaces K602703)

1шт.

Effective S/N 1410, 1410Q, 1410SK, 1412, 1412Q, 1412G, 1412SK-1051059

1шт.

K19480

SPRING WASHER

SPRING WASHER, 1/4 in (stay to hood front)

1шт.

Effective S/N 1410, 1410Q, 1410SK, 1412, 1412Q, 1412G, 1412SK-1051059

1шт.

K607000

NUT

1/4 UNC (stay to hood front)

1шт.

Effective S/N 1410, 1410Q, 1410SK, 1412, 1412Q, 1412G, 1412SK-1051059

1шт.

12

K954861

PIPE

OIL FEED PIPE, short (replaces K951346)

1шт.

Effective S/N 1410, 1410Q, 1410SK, 1412, 1412Q, 1412G, 1412SK-11203003

1шт.

13

K954950

PIPE

OIL FEED PIPE, long (replaces K951346)

1шт.

Effective S/N 1410, 1410Q, 1410SK, 1412, 1412Q, 1412G, 1412SK-11203003

1шт.

K24785

FITTING

UNION, 3/8 BSP (replaces K951346)

1шт.

Effective S/N 1410, 1410Q, 1410SK, 1412, 1412Q, 1412G, 1412SK-11203003

1шт.

14

K954541

HOSE

flexible (replaces K951346)

1шт.

Effective S/N 1410, 1410Q, 1410SK, 1412, 1412Q, 1412G, 1412SK-11203003

1шт.

15

K954863

PIPE

OIL RETURN PIPE, short (replaces K951347)

1шт.

Effective S/N 1410, 1410Q, 1410SK, 1412, 1412Q, 1412G, 1412SK-11203003

1шт.

K24785

FITTING

UNION, 3/8 BSP (replaces K951347)

1шт.

Effective S/N 1410, 1410Q, 1410SK, 1412, 1412Q, 1412G, 1412SK-11203003

1шт.

14

K954541

HOSE

flexible (replaces K951347)

1шт.

Effective S/N 1410, 1410Q, 1410SK, 1412, 1412Q, 1412G, 1412SK-11203003

1шт.

17

K951974

CLIP

pipes

2шт.

Effective S/N 1410, 1410Q, 1410SK, 1412, 1412Q, 1412G, 1412SK-11203003

1шт.

17

K951974

CLIP

pipes

1шт.

Up to S/N 1410, 1410Q, 1410SK, 1412, 1412Q, 1412G, 1412SK-11203003

1шт.

18

K602703

SCREW

SETSCREW, 1/4 UNC x 3/4 in, Serial Range: (clips-brackets)

2шт.

Effective S/N 1410, 1410Q, 1410SK, 1412, 1412Q, 1412G, 1412SK-11203003

1шт.

K24111

WASHER

special, 17/64 in, Serial Range: (clips-brackets)

2шт.

Effective S/N 1410, 1410Q, 1410SK, 1412, 1412Q, 1412G, 1412SK-11203003

1шт.

K19480

SPRING WASHER

SPRING WASHER, 1/4 in, Serial Range: (clips-brackets)

2шт.

Effective S/N 1410, 1410Q, 1410SK, 1412, 1412Q, 1412G, 1412SK-11203003

1шт.

K607000

NUT

1/4 UNC, Serial Range: (clips-brackets)

2шт.

Effective S/N 1410, 1410Q, 1410SK, 1412, 1412Q, 1412G, 1412SK-11203003

1шт.

K602703

SCREW

SETSCREW, 1/4 UNC x 3/4 in, Serial Range: (clip-bracket)

1шт.

Effective S/N 1410, 1410Q, 1410SK, 1412, 1412Q, 1412G, 1412SK-11203003

1шт.

K24111

WASHER

special, 17/64 in, Serial Range: (clip-bracket)

1шт.

Effective S/N 1410, 1410Q, 1410SK, 1412, 1412Q, 1412G, 1412SK-11203003

1шт.

K19480

SPRING WASHER

SPRING WASHER, 1/4 in

1шт.

Up to S/N 1410, 1410Q, 1410SK, 1412, 1412Q, 1412G, 1412SK-11203003

1шт.

K607000

NUT

1/4 UNC

1шт.

Up to S/N 1410, 1410Q, 1410SK, 1412, 1412Q, 1412G, 1412SK-11203003

1шт.

19

K951973

SUPPORT

BRACKET, pipes

1шт.

Effective S/N 1410, 1410Q, 1410SK, 1412, 1412Q, 1412G, 1412SK-1051059

1шт.

20

K602902

SCREW

SETSCREW, 3/8 UNC x 3/4 in (bracket to front extension)

1шт.

Effective S/N 1410, 1410Q, 1410SK, 1412, 1412Q, 1412G, 1412SK-1051059

1шт.

K19482

SPRING WASHER

SPRING WASHER, 3/8 in (bracket to front extension)

1шт.

Effective S/N 1410, 1410Q, 1410SK, 1412, 1412Q, 1412G, 1412SK-1051059

1шт.

21

K954759

SUPPORT

BRACKET, pipes

1шт.

Effective S/N 1410, 1410Q, 1410SK, 1412, 1412Q, 1412G, 1412SK-11203003

1шт.

22

K951345

HOUSING

CONNECTOR HOUSING

1шт.

Effective S/N 1410, 1410Q, 1410SK, 1412, 1412Q, 1412G, 1412SK-1051059

1шт.

23

K919007

RING

SEALING RING, 1 5/8 in internal diameter

1шт.

Effective S/N 1410, 1410Q, 1410SK, 1412, 1412Q, 1412G, 1412SK-1051059

1шт.

24

K87644

RING

SEALING RING, 4-1/8 in internal diameter

1шт.

Effective S/N 1410, 1410Q, 1410SK, 1412, 1412Q, 1412G, 1412SK-1051059

1шт.

25

K950825

BOLT

special, 7/16 UNC

1шт.

Effective S/N 1410, 1410Q, 1410SK, 1412, 1412Q, 1412G, 1412SK-1051059

1шт.

Выбрано товаров: 88