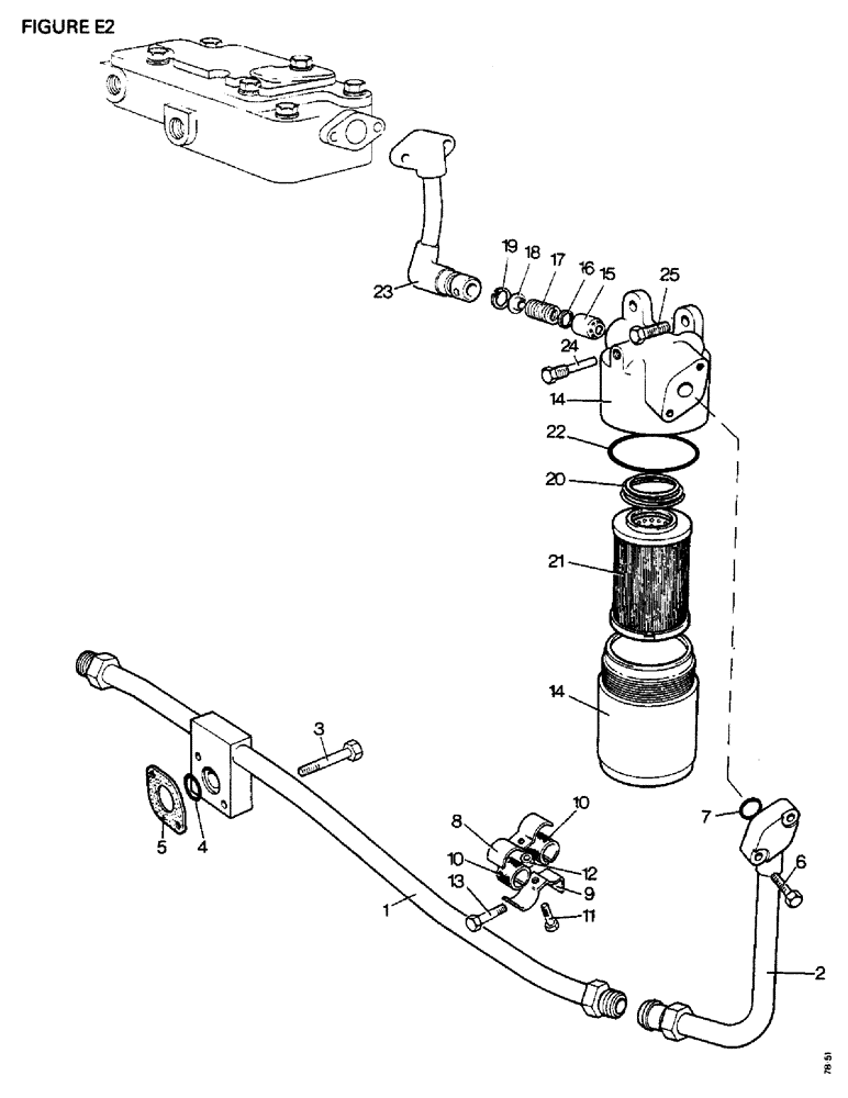
Запчасти Case IH 1410 (E02-1) - SELECTAMATIC HYD. SYSTEM, EXTERNAL FILTER, EFF. S/N NOTE A 1410,1410Q,1410SK,1412,1412Q,1412G,1412SK (07) - HYDRAULIC SYSTEM

Схема запчастей Case IH 1410 - (E02-1) - SELECTAMATIC HYD. SYSTEM, EXTERNAL FILTER, EFF. S/N NOTE A 1410,1410Q,1410SK,1412,1412Q,1412G,1412SK (07) - HYDRAULIC SYSTEM
7
14
3
10
13
15
10
21
24
22
12
11
8
23
6
2
4
1
19
14
5
25
17
18
9
16
20
FIT
1:1
100%

Артикул

Название

Примечание

Количество

1

K954495

PIPE

valve to union, replaces K954315

1шт.

2a

K954314

PIPE

union to filter (up to S/N Note B)

1шт.

1410, 1410Q, 1410SK, 1412, 1412Q, 1412G, 1412SK-11201692

1шт.

2b

K954494

PIPE

union to filter (eff. S/N Note B)

1шт.

1410, 1410Q, 1410SK, 1412, 1412Q, 1412G, 1412SK-11201692

1шт.

3

K600413

BOLT

3/8 UNC x 2 5/8 in (pipe to relief valve)

2шт.

K19482

SPRING WASHER

SPRING WASHER, 3/8 in (pipe to relief valve)

2шт.

4

K14509

O-RING,0.796" ID x 1.047" OD x 0.139"

'O' RING, 13/16 in internal diameter (pipe to relief valve)

2шт.

5

K928522

SEAL

(pipe to relief valve)

1шт.

6a

K602808

SCREW

SETSCREW, 5/16 UNC x 1 3/8 in (use with K954494), Serial Range: (pipes-filter)

2шт.

K19481

SPRING WASHER

SPRING WASHER, 5/16 in (use with K954494), Serial Range: (pipes-filter)

2шт.

6b

K606558

SCREW

5/16 UNC x 1 1/2 in (use with pipes prior to K954494) (pipes to filter) (eff. S/N Note A-B)

1шт.

1410, 1410Q, 1410SK, 1412, 1412Q, 1412G, 1412SK-11200752

1шт.

1410, 1410Q, 1410SK, 1412, 1412Q, 1412G, 1412SK-11201692

1шт.

6c

K606554

SCREW

5/16 UNC x 1 in (use with pipes prior to K954494) (pipes to filter) (eff. S/N Note A-B)

1шт.

1410, 1410Q, 1410SK, 1412, 1412Q, 1412G, 1412SK-11200752

1шт.

1410, 1410Q, 1410SK, 1412, 1412Q, 1412G, 1412SK-11201692

1шт.

7

K24852

O-RING,0.103" Thk x 0.674" ID, -115, Cl 6, 90 Duro

'O' RING, 11/16 internal diameter

1шт.

8

K952123

CLIP

PIPE CLIP, upper (tandem pump)

1шт.

9

K952124

CLIP

PIPE CLIP, lower (tandem pump)

1шт.

10

K628240

STRIP

RUBBER STRIP (tandem pump)

2шт.

11

K602704

SCREW

SETSCREW, 1/4 UNC x 7/8 in (tandem pump)

1шт.

12

K627089

BUSHING

DISTANCE PIECE (tandem pump)

1шт.

K19480

SPRING WASHER

SPRING WASHER, 1/4 in (tandem pump)

1шт.

K607000

NUT

1/4 UNC (tandem pump)

1шт.

13

K602906

SCREW

SETSCREW, 3/8 UNC x 1 1/4 in (clip to right-hand hitch bracket - tandem pump)

1шт.

K19482

SPRING WASHER

SPRING WASHER, 3/8 in (clip to right-hand hitch bracket - tandem pump)

1шт.

280136

NUT,3/8"-16, G8

(Clip to RH hitch bracket - tandem pump) 3/8"-16, G8

1шт.

14

K952363

FILTER

ASSEMBLY, complete

1шт.

15

K953564

VALVE

PLUNGER (by-pass valve)

1шт.

16

K626406

WASHER

(by-pass valve)

1шт.

17

K625298

WASHER

SPRING (by-pass valve)

1шт.

18

K953563

RETAINER

SPRING (by-pass valve)

1шт.

19

K621493

SNAP RING,#81K, .853", Int, Spiral

CIRCLIP, 13/16 in external (by-pass valve)

1шт.

FILTER HEAD, not supplied separately

1шт.

FILTER BOWL, not supplied separately

1шт.

20

K625299

SPRING

EJECTOR SPRING, element

1шт.

21

K946095

FILTER, ELEMENT

FILTER ELEMENT, complete with seals, Includes: Ref. 22

1шт.

22

K628866

O-RING,0.139" Thk x 3.609" ID, -239, Cl 5, 75 Duro

'O' RING, filter head to bowl (can use K623684)

1шт.

K628915

RING

ANTI-EXTRUSION RING

1шт.

23a

K947874

PIPE

filter to distribution block, single pump

1шт.

23b

K952121

PIPE

filter to distribution block, tandem pump

1шт.

24

K947791

PIN

PIN (pipe, filter to distribution block)

1шт.

K626522

SEALING WASHER

SEALING WASHER, 7/16 in (pipe, filter to distribution block)

1шт.

K24556

O-RING,0.734" ID x 1.012" OD x 0.139"

'O' RING, 3/4 in internal diameter (pipe, filter to distribution block)

1шт.

K628067

RING

ANTI-EXTRUSION RING (pipe, filter to distribution block)

1шт.

25

K602906

SCREW

SETSCREW, 3/8 UNC x 1 1/4 in (filter to ramshaft bracket)

2шт.

K19482

SPRING WASHER

SPRING WASHER, 3/8 in (filter to ramshaft bracket)

2шт.

Выбрано товаров: 48