Запчасти Case IH 1412 (L11-1) - CHASSIS, BONNET, FENDERS, SAFETY FRAME AND CAB, BONNET ASSEMBLY, TRACTORS W/ CAB (12) - CHASSIS

Схема запчастей Case IH 1412 - (L11-1) - CHASSIS, BONNET, FENDERS, SAFETY FRAME AND CAB, BONNET ASSEMBLY, TRACTORS W/ CAB (12) - CHASSIS
14
25
25
18
1
2
12
7
22
17
23
8
9
16
10
19
24
20
11
13
15
4
5
6
21
27
3
FIT
1:1
100%

Артикул

Название

Примечание

Количество

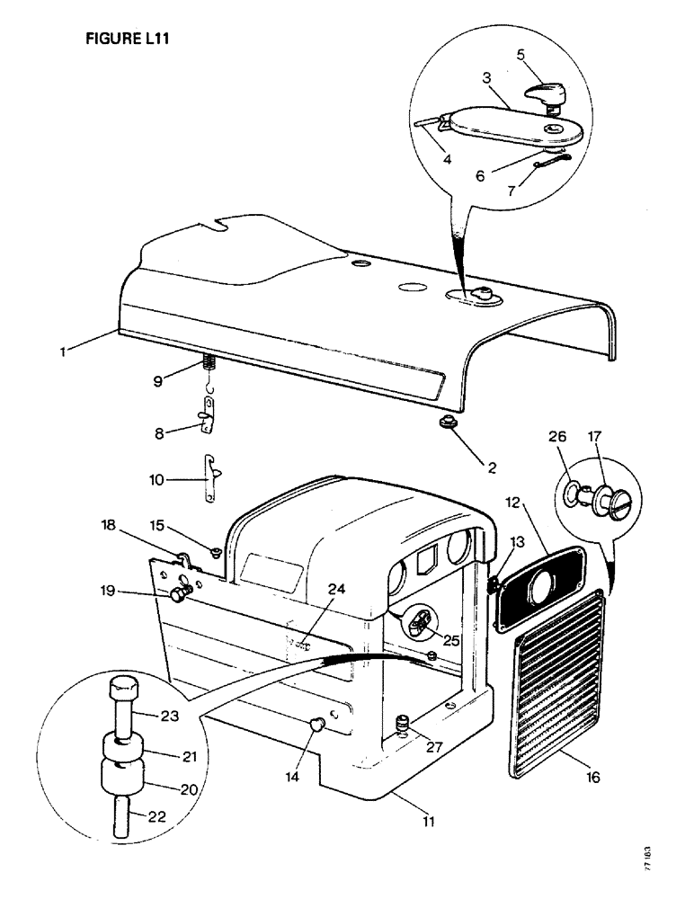
1

K953477

HOOD

BONNET TOP ASSEMBLY, Replaces K951172, Includes: Ref. 2 - 7

1шт.

2

K916596

PLUG

RUBBER PLUG

4шт.

3

K962015

COVER

HATCH COVER ASSEMBLY

1шт.

4

K914557

SPRING

PIN, hatch cover

1шт.

5

K942158

LEVER

1шт.

K626956

WASHER

FIBRE WASHER, 7/16 in

1шт.

K626899

SHIM

BRASS WASHER, 7/16 in

1шт.

6

K621588

RING, SNAP

CIRCLIP, 7/16 in external

1шт.

7

K917749

FASTENER

SPRING, hatch fastener

1шт.

K11405

RIVET

1/8 x 3/8 in

2шт.

K19495

WASHER

1/8 in

2шт.

8

K88680

GRIP

FINGER GRIP

2шт.

9

K24728

SPRING

2шт.

K951405

ANCHOR BRACKET, spring

2шт.

10

K953891

SPRING

ANCHOR BRACKET, right-hand (if used together will replace K951453 and K600712) (eff. S/N Note A)

1шт.

1410Q, 1412Q: 11202084; 1410SK, 1412SK: 11202084

1шт.

1410Q, 1412Q

1шт.

K953892

SPRING

ANCHOR BRACKET, left-hand (if used together will replace K951453 and K600712) (eff. S/N Note A)

1шт.

1410Q, 1412Q: 11202084; 1410SK, 1412SK: 11202084

1шт.

1410Q, 1412Q

1шт.

K600714

BOLT

7/16 UNC x 2 in (if used together will replace K951453 and K600712) (eff. S/N Note A)

2шт.

1410Q, 1412Q: 11202084; 1410SK, 1412SK: 11202084

1шт.

1410Q, 1412Q

1шт.

K626344

WASHER, LOCK

SPRING WASHER, 7/16 in (if used together will replace K951453 and K600712) (eff. S/N Note A)

2шт.

1410Q, 1412Q: 11202084; 1410SK, 1412SK: 11202084

1шт.

1410Q, 1412Q

1шт.

11

K963630

GUARD

BONNET FRONT

1шт.

12

K915871

GRILLE

LOUVRE PLATE (outboard headlamps)

1шт.

13a

K624587

RETAINER

RETAINING BUSH, louvre plate (outboard headlamps)

6шт.

14

K627999

PLUG

bonnet side (inboard headlamps)

2шт.

13b

K914804

PLUG

bonnet nose (inboard headlamps)

4шт.

15

K921172

SHIM

GROMMET, bonnet top location

2шт.

16

K948100

GUARD

LOUVRE, bonnet front

1шт.

17

K951633

STUD

FASTENER, Replaces K947634

2шт.

18

K915758

LOCK

bonnet, right-hand

1шт.

K915759

LOCK

bonnet, left-hand

1шт.

19

86625206

SCREW,Phillips Drive, Pan HD, #10 - 32 x 1/2"

No. 10 UNF x 1/2 in (locks to bonnet front)

4шт.

K626310

WASHER

3/16 in (locks to bonnet front)

4шт.

K626340

RING

SPRING WASHER, 3/16 in (locks to bonnet front)

4шт.

K617080

NUT

No. 10 UNF (locks to bonnet front)

4шт.

20

K915799

RUBBER

PACKING, lower (bonnet front to front extension)

4шт.

21

K915800

MISC PACKAGING

PACKING, upper (bonnet front to front extension)

4шт.

22

K608128

STUD

5/16 UNC x 1 3/8 in (bonnet front to front extension)

4шт.

K626669

WASHER

PACKING WASHER, 5/16 in (bonnet front to front extension)

1шт.

K626686

WASHER

1/2 in (bonnet front to front extension)

4шт.

23

K915801

CLEVIS PIN

NUT, 5/16 UNC special (bonnet front to front extension)

4шт.

24

K602702

SCREW

SETSCREW, 1/4 UNC x 5/8 in (bonnet to radiator frame)

6шт.

K19470

WASHER

1/4 in (bonnet to radiator frame)

6шт.

K19480

SPRING WASHER

SPRING WASHER, 1/4 in (bonnet to radiator frame)

6шт.

25

K946846

HOLDER

CATCH, stud fastener

2шт.

26

K623534

O-RING,0.352" OD x 0.103" Width

'O' RING, stud fastener

2шт.

27

K24589

GROMMET

2шт.

Выбрано товаров: 52