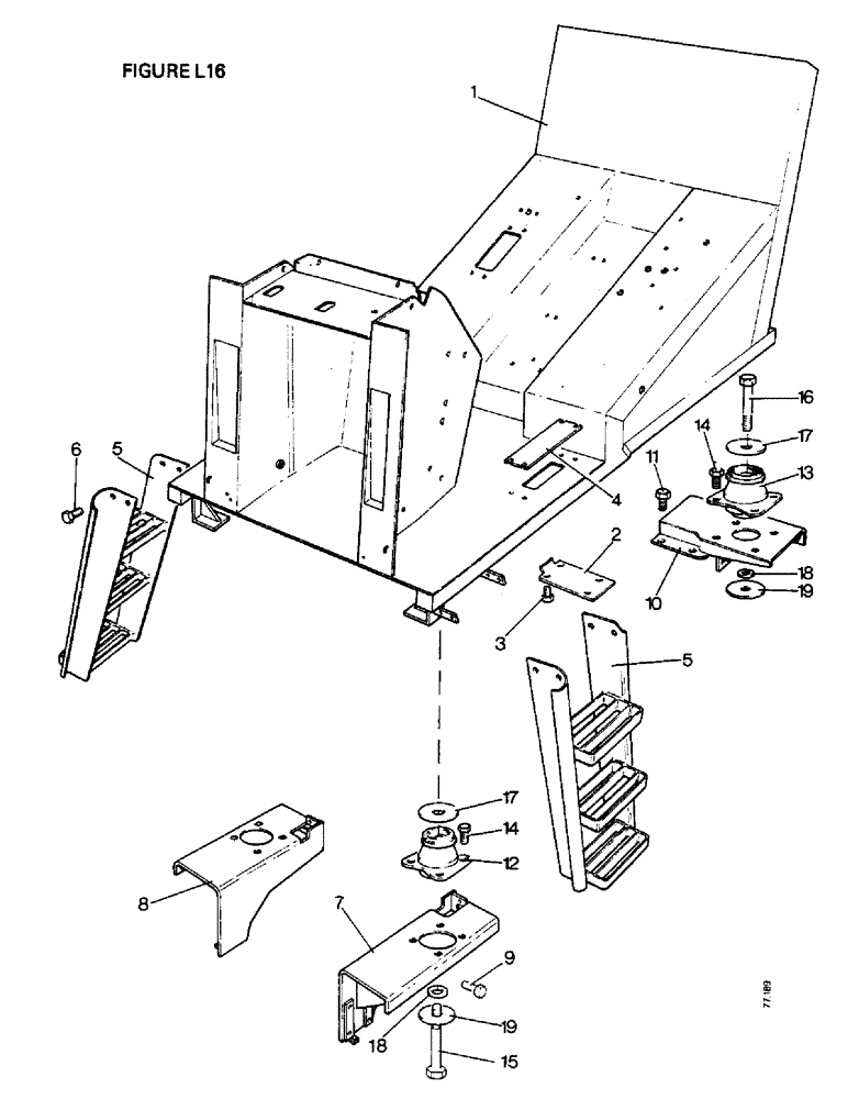
Запчасти Case IH 1412 (L16-1) - CHASSIS, BONNET, FENDERS, SAFETY FRAME AND CAB, CAB FLOOR AND MOUNTINGS, SEKURA CAB (12) - CHASSIS

Схема запчастей Case IH 1412 - (L16-1) - CHASSIS, BONNET, FENDERS, SAFETY FRAME AND CAB, CAB FLOOR AND MOUNTINGS, SEKURA CAB (12) - CHASSIS
18
13
10
8
12
14
19
4
16
6
17
5
3
15
2
5
9
7
19
17
14
18
1
11
FIT
1:1
100%

Артикул

Название

Примечание

Количество

1

K953843

CAB FLOOR

1шт.

K627738

GROMMET

RUBBER GROMMET, 7/8 in diameter

2шт.

K627743

PLUG

RUBBER GROMMET, 11/32 in diameter

2шт.

K627742

GROMMET

RUBBER GROMMET, 15/32 in diameter

2шт.

K627740

GROMMET

RUBBER GROMMET, 1 1/32 in diameter

1шт.

2

K950382

COVER

PLATE, shift lever aperture

1шт.

3

K602735

SCREW

SETSCREW, 1/4 UNC x 3/4 in

4шт.

K626341

SPRING WASHER

SPRING WASHER, 1/4 in

4шт.

K627731

GROMMET

1 3/4 in diameter, blind

1шт.

1412SK

1шт.

K627732

GROMMET

1 3/4 in diameter, split

1шт.

1410SK

1шт.

4

K952246

COVER

PLATE

1шт.

1412SK

1шт.

86625206

SCREW,Phillips Drive, Pan HD, #10 - 32 x 1/2"

No. 10 UNF x 1/2 in

4шт.

1410SK

1шт.

5

K953955

STEP

2шт.

6

9635884

BOLT,Hex, 5/16" - 18 1", Full Thd, Gr 5

SETSCREW, 5/16 UNC x 1 in (steps to cab floor)

8шт.

K19481

SPRING WASHER

SPRING WASHER, 5/16 in (steps to cab floor)

8шт.

9635082

NUT,5/16" - 18, Gr 5

5/16 UNC (steps to cab floor)

8шт.

7

K949483

MOUNTING PARTS

MOUNTING BRACKET, left-hand front

1шт.

9

K603275

SCREW

BOLT, 5/8 UNC x 1 5/8 in

8шт.

8

K949479

MOUNTING PARTS

MOUNTING BRACKET, right-hand front

1шт.

K19485

WASHER

SPRING WASHER, 5/8 in

8шт.

10

K949900

CAB

MOUNTING BRACKET, left-hand rear

1шт.

K949901

CAB

MOUNTING BRACKET, right-hand rear

1шт.

11

K603275

SCREW

BOLT, 5/8 UNC x 1 5/8 in (bracket to axle case and reductions)

8шт.

K19485

WASHER

SPRING WASHER, 5/8 IN (bracket to axle case and reductions)

8шт.

12

K949839

BUMPER

RUBBER MOUNTING, front

2шт.

13

K949838

DAMPER

RUBBER MOUNTING, rear

2шт.

14

88206

BOLT,Hex, 3/8" - 16 x 1", Gr 5

(Rubber mountings to brackets) Hex, 3/8"-16 x 1", G5, Full Thd

16шт.

K19472

WASHER

3/8 in (rubber, Serial Range: mountings-brackets)

16шт.

K19482

SPRING WASHER

SPRING WASHER, 3/8 in (rubber, Serial Range: mountings-brackets)

16шт.

280136

NUT,3/8"-16, G8

(Rubber mountings to brackets) 3/8"-16, G8

16шт.

15

K601324

BOLT

5/8 UNC x 3 3/4 in, front

2шт.

16

K601378

BOLT

5/8 UNC x 6 1/2 in, rear

2шт.

17

K949668

WASHER

5/8 x 3 5/16 in, grooved, special

4шт.

18

K626930

WASHER

5/8 x 1 1/8 in, special

4шт.

19

K626931

WASHER

5/8 x 3 1/2 in, special

4шт.

K626855

WASHER

5/8 in

4шт.

K19485

WASHER

SPRING WASHER, 5/8 in

4шт.

280374

NUT,Hex, 5/8" - 11, Gr 5

4шт.

Выбрано товаров: 42