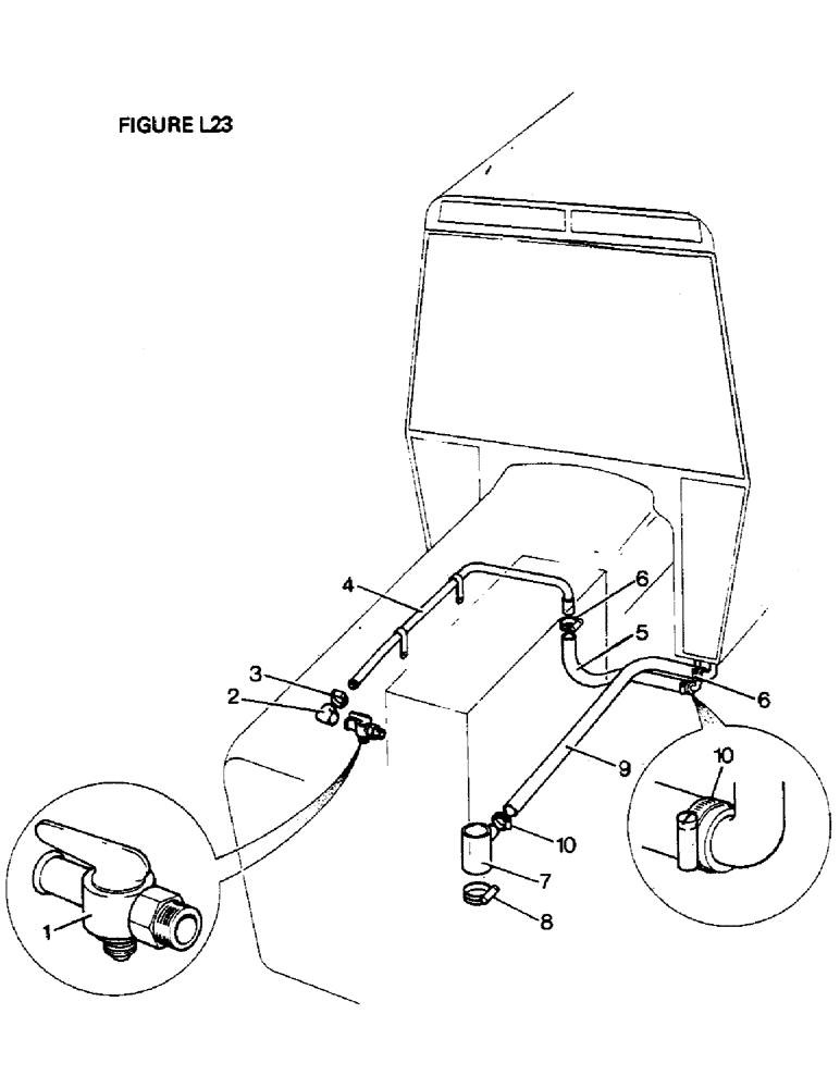
Запчасти Case IH 1412 (L23-1) - CHASSIS, BONNET, FENDERS, SAFETY FRAME AND CAB, CAB HTR. PIPES & FITTINGS 1410SK, 1412SK (12) - CHASSIS

Схема запчастей Case IH 1412 - (L23-1) - CHASSIS, BONNET, FENDERS, SAFETY FRAME AND CAB, CAB HTR. PIPES & FITTINGS 1410SK, 1412SK (12) - CHASSIS
4
9
5
1
6
10
7
6
10
3
8
2
FIT
1:1
100%

Артикул

Название

Примечание

Количество

1

K952109

COCK

TAP, 3/8 BSP, water pump body

1шт.

2

K626806

FITTING

ELBOW RUBBER

1шт.

3

K621770

HOSE

CLIP, 3/4 in

2шт.

4

K953816

PIPE

water supply

1шт.

K19482

SPRING WASHER

SPRING WASHER, 3/8 in

2шт.

280136

NUT,3/8"-16, G8

2шт.

5

K626829

PIPE

HOSE, 28 in

1шт.

6

K13070

HOSE

CLIP, 7/8 in

2шт.

7

K953814

ADAPTER

ADAPTOR, radiator outlet hose

1шт.

8

K13078

BRACKET

HOSE CLIP, 1 7/8 in

2шт.

9

K626828

HOSE

45 in

1шт.

10

K13070

HOSE

CLIP, 7/8 in

2шт.

K19928

CLIP

BUCKLE CLIP, heater hose to power steering pipe

1шт.

Выбрано товаров: 13