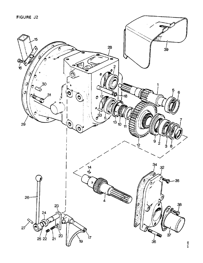
Запчасти Case IH 1412 (J2-1) - POWER TAKE OFF UNIT, SINGLE SPEED PTO U1611, 1410, 1412 Auxiliary Drive Units

Схема запчастей Case IH 1412 - (J2-1) - POWER TAKE OFF UNIT, SINGLE SPEED PTO U1611, 1410, 1412 Auxiliary Drive Units
3
7
28
31
2
38
37
32
10
1
34
20
18
9
30
21
2
5
17
29
13
11
22
24
6
15
18
4
25
33
39
5
36
14
26
27
35
8
12
19
17
23
FIT
1:1
100%

Артикул

Название

Примечание

Количество

K964740

PTO

SINGLE-SPEED PTO, less operating lever, Replaces K947332, Includes: Ref. 1 - 38

1шт.

K930872

SINGLE-SPEED PTO, Includes: Ref. 1 - 38

1шт.

1

K945375

SHAFT

DRIVESHAFT, single-speed PTO

1шт.

2

K690766

TAPERED BEARING

TAPER ROLLER BEARING

2шт.

3

K962848

SHIM,.003" Thk

1шт.

K962849

SHIM,.005" Thk

1шт.

K962850

SHIM,.007" Thk

1шт.

K962851

SHIM,.010" Thk

1шт.

K962852

SHIM,.025" Thk

1шт.

4

K964578

SHAFT

DRIVEN SHAFT AND PLUG, single-speed PTO

1шт.

5

K690766

TAPERED BEARING

TAPER ROLLER BEARING

2шт.

6

K962848

SHIM,.003" Thk

1шт.

K962849

SHIM,.005" Thk

1шт.

K962850

SHIM,.007" Thk

1шт.

K962851

SHIM,.010" Thk

1шт.

K962852

SHIM,.025" Thk

1шт.

7

K623456

SEAL

OIL SEAL, 38 x 55 x 7 mm

1шт.

8

K945384

BUSHING

DISTANCE PIECE

1шт.

9

K945383

GEAR

SLIDING DOG CLUTCH

1шт.

10

K620140

NEEDLE

ROLLER BEARING

2шт.

11

K950629

BUSHING

DISTANCE PIECE, Replaces K945382

1шт.

12

K945376

GEAR

(50 teeth)

1шт.

13

K945381

BUSHING

DISTANCE PIECE

1шт.

14

K19602

KEY

Woodruff No. 404

1шт.

15

K945388

RESERVOIR

driven shaft

1шт.

16

K602702

SCREW

SETSCREW, 1/4 UNC x 5/8 in

2шт.

K19480

SPRING WASHER

SPRING WASHER, 1/4 in

2шт.

17

K945385

SELECTOR

ROD

1шт.

18

K621470

RING, SNAP

CIRCLIP, 12 mm external

1шт.

19

K945386

SELECTOR

FORK

1шт.

20

K17063

BALL

STEEL BALL, 1/4 in

1шт.

21

K24831

SPRING

1шт.

22

K606021

SCREW

GRUBSCREW, 5/16 UNC

1шт.

23

K915569

SELECTOR

LEVER

1шт.

24

K945387

BUSHING

WASHER, 1 1/8 in diameter special

1шт.

25

K623557

O-RING

'O' RING, 9/16 in diameter

1шт.

26

K943716

LEVER

OPERATING LEVER

1шт.

27

K623726

PIN

MILLS PIN, 1/4 x 1 1/2 in

1шт.

28

K945372

CASE

1шт.

29

K922591

GASKET

(case to rear axle)

1шт.

30

K61412

PIN

DOWEL, 7/16 x 1 1/4 in (case to rear axle)

1шт.

31

K603006

SCREW

BOLT, 7/16 UNC x 1 3/8 in (case to rear axle)

12шт.

K19483

SPRING WASHER

SPRING WASHER, 7/16 in (case to rear axle)

12шт.

32

K945449

COVER

END COVER

1шт.

33

K14577

DOWEL

1/4 x 9/16 in

2шт.

34

K924217

GASKET

1шт.

35

9635884

BOLT,Hex, 5/16" - 18 1", Full Thd, Gr 5

SETSCREW, 5/16 UNC x 1 in

2шт.

K19481

SPRING WASHER

SPRING WASHER, 5/16 in

2шт.

36

K608311

STUD

7/16 UNC x 2 5/16 in

4шт.

K19483

SPRING WASHER

SPRING WASHER, 7/16 in

4шт.

280717

NUT,7/16"-14, G5

4шт.

37

K909111

COVER

PTO shaft

1шт.

38

K602840

SCREW

SETSCREW, 5/16 UNC x 1/2 in

2шт.

K626682

WASHER

5/16 in

2шт.

39

K906893

GUARD

PTO GUARD, U378

1шт.

Выбрано товаров: 55