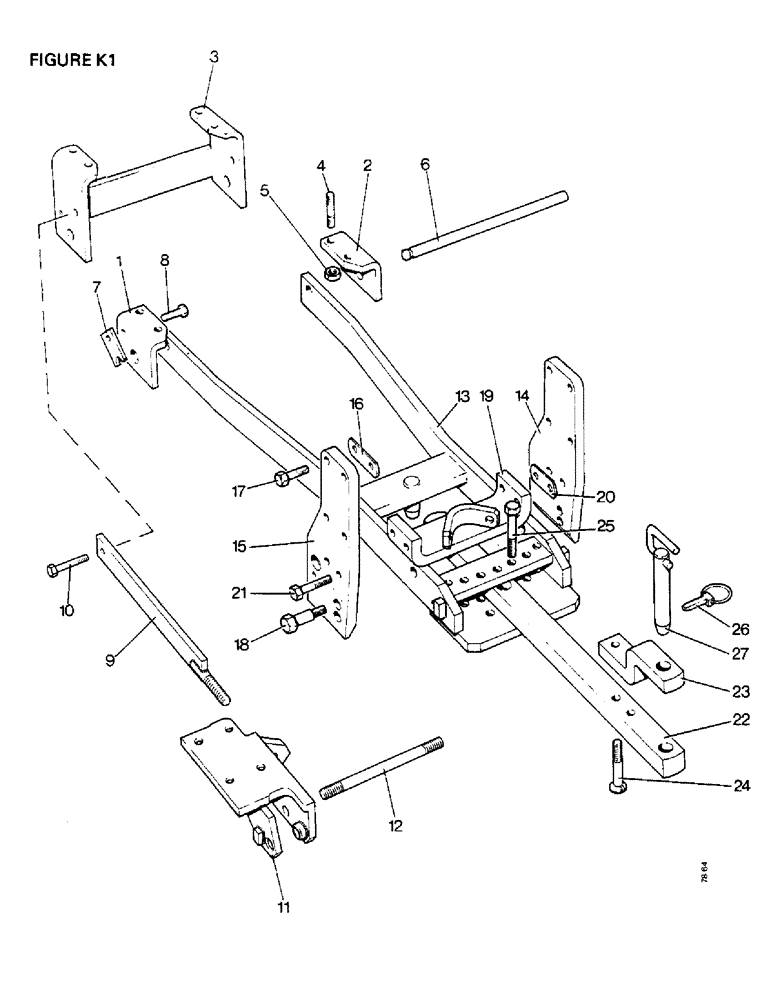
Запчасти Case IH 1412 (K1-1) - DRAWBARS&HITCHES,UNIV. DRAWBAR, (A]1410Q,1410SK,1412Q,1412SK B]1410 4WD,1412 4WD C]1410,1412 D]1412G Drawbars & Hitches

Схема запчастей Case IH 1412 - (K1-1) - DRAWBARS&HITCHES,UNIV. DRAWBAR, (A]1410Q,1410SK,1412Q,1412SK B]1410 4WD,1412 4WD C]1410,1412 D]1412G Drawbars & Hitches
2
20
14
3
21
23
10
8
13
16
17
24
15
18
9
26
12
5
6
27
7
19
11
4
22
1
25
FIT
1:1
100%

Артикул

Название

Примечание

Количество

1

K929818

BRACKET

HINGE BRACKET, left hand

1шт.

1410Q, 1410SK, 1412Q, 1412SK

1шт.

1410, 1412

1шт.

1412G

1шт.

2

K929819

BRACKET

HINGE BRACKET, right hand

1шт.

1410Q, 1410SK, 1412Q, 1412SK

1шт.

1410, 1412

1шт.

1412G

1шт.

3

K954425

SUPPORT

HINGE BRACKET

1шт.

1410 4WD, 1412Q 4WD

1шт.

4

K608610

STUD

5/8 UNC x 2 1/2 in

4шт.

5

K607306

NUT

NYLOC NUT, 5/8 UNC

4шт.

6

K943026

HINGE

BAR

1шт.

7

K943027

PLATE

RETAINING PLATE

1шт.

8

K600475

BOLT

3/8 UNC x 1 1/2 in (retaining plate to hinge bracket)

1шт.

K19482

SPRING WASHER

SPRING WASHER, 3/8 in (retaining plate to hinge bracket)

1шт.

280136

NUT,3/8"-16, G8

(Retaining plate to hinge bracket) 3/8"-16, G8

1шт.

9

K954432

BRAKE

BRACE

2шт.

1410 4WD, 1412Q 4WD

1шт.

10

K601465

BOLT

3/8 UNC x 2 1/4 in (braces to hinge bracket)

2шт.

1410 4WD, 1412Q 4WD

1шт.

K607446

NUT

CLEVELOCK NUT, 3/4 UNC (braces to hinge bracket)

2шт.

1410 4WD, 1412Q 4WD

1шт.

K616989

NUT

1 UNF, braces to hitch brackets

4шт.

1410 4WD, 1412Q 4WD

1шт.

11

K953172

BRACKET

HITCH BRACKET, left hand

1шт.

1410 4WD, 1412Q 4WD

1шт.

K953173

HITCH ASSY

HITCH BRACKET, right hand

1шт.

1410 4WD, 1412Q 4WD

1шт.

12

K954435

STAY

CROSS STAY

1шт.

1410 4WD, 1412Q 4WD

1шт.

K616989

NUT

1 in UNF

4шт.

1410 4WD, 1412Q 4WD

1шт.

13a

K947168

SUPPORT

DRAWBAR SUPPORT (eff. S/N Note A)

1шт.

1410, 1410 4WD, 1410Q, 1410Q 4WD, 1410SK-105001

1шт.

13b

K946156

SUPPORT

DRAWBAR SUPPORT (up to S/N Note A)

1шт.

1410, 1410 4WD, 1410Q, 1410Q 4WD, 1410SK-105001

1шт.

1410, 1412

1шт.

1412G

1шт.

14a

K948850

HITCH

PLATE, right hand (reversible shaft PTO) (eff. S/N Note B)

1шт.

1410Q, 1410SK, 1412Q, 1412SK

1шт.

1412, 1412Q, 1412G, 1412SK-1050155

1шт.

1410, 1412

1шт.

14b

K954429

HITCH ASSY

HITCH PLATE, right hand (reversible shaft PTO)

1шт.

1410 4WD, 1410Q 4WD

1шт.

14c

K947329

HITCH ASSY

HITCH PLATE, right hand (non-reversible shaft PTO) (eff. S/N Note A-B)

1шт.

1410, 1410 4WD, 1410Q, 1410Q 4WD, 1410SK-105001

1шт.

1412, 1412Q, 1412G, 1412SK-1050155

1шт.

1410, 1412

1шт.

1412G

1шт.

14d

K916519

HITCH ASSY

HITCH PLATE, right hand (non-reversible shaft PTO) (up to S/N Note A)

1шт.

1410, 1410 4WD, 1410Q, 1410Q 4WD, 1410SK-105001

1шт.

1410, 1412

1шт.

1412G

1шт.

15a

K948848

HITCH ASSY

HITCH PLATE, left-hand (reversible shaft PTO) (eff. S/N Note B)

1шт.

1410Q, 1410SK, 1412Q, 1412SK

1шт.

1412, 1412Q, 1412G, 1412SK-1050155

1шт.

1410, 1412

1шт.

15b

K954430

HITCH ASSY

HITCH PLATE, left hand (reversible shaft PTO)

1шт.

1410 4WD, 1410Q 4WD

1шт.

15c

K947327

HITCH ASSY

HITCH PLATE, left hand (non-reversible shaft PTO) (eff. S/N Note A-B)

1шт.

1410, 1410 4WD, 1410Q, 1410Q 4WD, 1410SK-105001

1шт.

1412, 1412Q, 1412G, 1412SK-1050155

1шт.

1410, 1412

1шт.

1412G

1шт.

15d

K917075

PLATE

HITCH PLATE, left hand (non-reversible shaft PTO) (up to S/N Note A)

1шт.

1410Q, 1410SK, 1412Q, 1412SK

1шт.

1410, 1412

1шт.

1412G

1шт.

16

K917071

SHIM

1/16 in (hitch, Serial Range: plates-PTO)

1шт.

K917072

SHIM

1/32 in (hitch, Serial Range: plates-PTO)

1шт.

17

K603308

BOLT (SPREADER)

BOLT, 5/8 UNC x 1 3/4 in (hitch, Serial Range: plates-PTO)

8шт.

K19485

WASHER

SPRING WASHER, 5/8 in (hitch, Serial Range: plates-PTO)

8шт.

18

K908290

STEP BOLT

3/4 UNC, special (drawbar support to hitch plate)

2шт.

K19486

WASHER, LOCK

SPRING WASHER, 3/4 in (drawbar support to hitch plate)

2шт.

280954

NUT,3/4"-10, G5

3/4 UNC (drawbar support to hitch plate)

2шт.

19

K947174

PLATE

BRIDGE PLATE

1шт.

20

K947200

SHIM

1/16 in (bridge plate to hitch plates)

1шт.

K947201

SHIM

1/32 in (bridge plate to hitch plates)

1шт.

21

K601208

BOLT

5/8 UNC x 2 1/2 in (bridge plate to hitch plates)

4шт.

K19485

WASHER

SPRING WASHER, 5/8 in (bridge plate to hitch plates)

4шт.

K607006

NUT

5/8 UNC (bridge plate to hitch plates)

4шт.

22a

K948406

DRAWBAR, SWINGING

DRAWBAR, reversible shaft PTO (eff. S/N Note B)

1шт.

1410Q, 1410SK, 1412Q, 1412SK

1шт.

1412, 1412Q, 1412G, 1412SK-1050155

1шт.

1410, 1412

1шт.

22b

K947677

DRAWBAR, SWINGING

DRAWBAR, non-reversible shaft PTO (up to S/N Note B)

1шт.

1410Q, 1410SK, 1412Q, 1412SK

1шт.

1412, 1412Q, 1412G, 1412SK-1050155

1шт.

1410, 1412

1шт.

23

K916516

CLEVIS

BRACKET

1шт.

1410Q, 1410SK, 1412Q, 1412SK

1шт.

1410 4WD, 1412Q 4WD

1шт.

1410, 1412

1шт.

24a

K601666

BOLT

5/8 UNC x 3 1/2 in special, reversible shaft PTO (eff. S/N Note B)

2шт.

1410Q, 1410SK, 1412Q, 1412SK

1шт.

1410 4WD, 1412Q 4WD

1шт.

1412, 1412Q, 1412G, 1412SK-1050155

1шт.

1410, 1412

1шт.

24b

K601664

BOLT

5/8 UNC x 3 1/2 in special, non-reversible shaft PTO

2шт.

1410Q, 1410SK, 1412Q, 1412SK

1шт.

1410, 1412

1шт.

K607463

NUT

CLEVELOC NUT, 5/8 UNC

2шт.

1410Q, 1410SK, 1412Q, 1412SK

1шт.

1410 4WD, 1412Q 4WD

1шт.

1410, 1412

1шт.

25

K601334

BOLT

5/8 UNC x 4 1/2 in

2шт.

K607306

NUT

NYLOC NUT, 5/8 UNC

2шт.

26

K920359

PIN

LINCH PIN AND RING

1шт.

1410Q, 1410SK, 1412Q, 1412SK

1шт.

1410 4WD, 1412Q 4WD

1шт.

1410, 1412

1шт.

27

K946789

HITCH PIN

1шт.

1410Q, 1410SK, 1412Q, 1412SK

1шт.

1410 4WD, 1412Q 4WD

1шт.

1410, 1412

1шт.

Выбрано товаров: 0