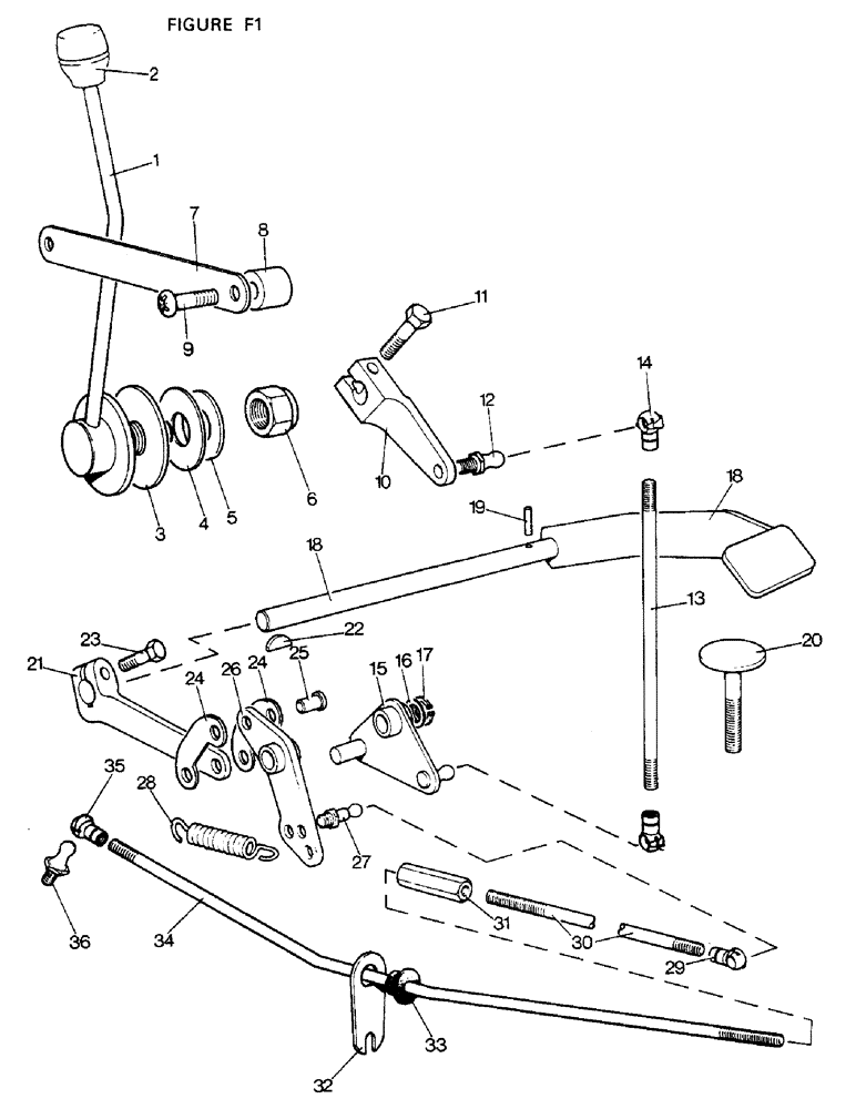
Запчасти Case IH 1412 (F1-1) - ENGINE CONTROLS AND INSTRUMENTS, ENGINE THROTTLE CONTROLS 1410Q,1410SK,1412Q,1412SK Engine Controls & Instruments

Схема запчастей Case IH 1412 - (F1-1) - ENGINE CONTROLS AND INSTRUMENTS, ENGINE THROTTLE CONTROLS 1410Q,1410SK,1412Q,1412SK Engine Controls & Instruments
20
19
29
2
28
35
16
18
17
13
24
31
18
9
26
24
36
12
22
30
15
4
32
1
23
11
27
10
6
34
8
21
5
3
33
14
25
7
FIT
1:1
100%

Артикул

Название

Примечание

Количество

1

K951915

LEVER

HAND LEVER, throttle control

1шт.

2

K950493

KNOB

1шт.

3

K950724

DISC

FRICTION DISC, (Replaces K509724)

1шт.

4

K626740

WASHER

BELLEVILLE WASHER, 5/8 in

1шт.

5

K626855

WASHER

5/8 in

1шт.

6

131-377

LOCK NUT,5/8"-11, GC

NYLOC NUT, 5/8 UNF

1шт.

7

K950723

STRIP

GUIDE STRIP

1шт.

8

K950722

BUSHING

SPACER

2шт.

9

K603929

SCREW

1/4 UNC x 1 1/4 in

2шт.

K626341

SPRING WASHER

SPRING WASHER, 1/4 in

2шт.

10

K950714

LEVER

1шт.

11

K600153

BOLT

1/4 UNC x 1 1/4 in

1шт.

K626341

SPRING WASHER

SPRING WASHER, 1/4 in

1шт.

K607043

NUT

1/4 UNC

1шт.

12

K621904

BALL JOINT

BALL END

1шт.

K623641

SPRING WASHER, 1/4 IN

1шт.

K616980

NUT

1/4 UNF

1шт.

13

K950725

ROD

1шт.

14

K621903

BALL JOINT

SOCKET END

2шт.

K616980

NUT

1/4 UNF

2шт.

15

K950715

LEVER

OVER-RIDE LEVER

1шт.

16

K626922

SHIM,.030" Thk

1шт.

17

K621562

RING, SNAP

CIRCLIP, 3/8 in external

1шт.

18

K951977

PEDAL

ACCELERATOR PEDAL AND SHAFT

1шт.

K626686

WASHER

1/2 in

1шт.

19

K623943

SPRING

PIN, 5/16 x 7/8 in

1шт.

20

K952111

STOP

PEDAL STOP

1шт.

86632558

JAM NUT,Jam, 1/2"-13, G5

LOCKNUT, 1/4 UNC

1шт.

21

K954122

LEVER

replaces K950716

1шт.

22

K19604

KEY

Woodruff No. 405 (lever to shaft) (eff. S/N Note A)

1шт.

1410Q, 1410SK, 1412Q1412SK-11201313

1шт.

23

K600153

BOLT

1/4 UNC x 1 1/4 in, Serial Range: (lever-shaft)

1шт.

K626341

SPRING WASHER

SPRING WASHER, 1/4 in, Serial Range: (lever-shaft)

1шт.

K607043

NUT

1/4 UNC, Serial Range: (lever-shaft)

1шт.

24

K954498

LINK

PLATE, replaces K950726 (lever to intermediate lever)

2шт.

25

K913180

PIN

CLEVIS PIN, 1/4 x 1/2 in (lever to intermediate lever)

2шт.

K19470

WASHER

1/4 in (lever to intermediate lever)

1шт.

K623605

PIN

SPLIT PIN, 1/16 x 1/2 in (lever to intermediate lever)

2шт.

26

K949051

LEVER

intermediate

1шт.

27

K621905

BALL

END

1шт.

K626341

SPRING WASHER

SPRING WASHER, 1/4 in

1шт.

K19401

NUT

1/4 BSF

1шт.

28

K624960

SPRING

RETURN SPRING, replaces K906456

1шт.

29

K621903

BALL JOINT

SOCKET END

1шт.

K616980

NUT

1/4 UNF

1шт.

30

K950721

ROD

lever to adjusting sleeve

1шт.

K617593

NUT

1/4 UNF, left-hand

1шт.

31

K949065

SLEEVE

ADJUSTING SLEEVE, 1/4 UNF

1шт.

K616980

NUT

1/4 UNF

1шт.

32

K950727

GUIDE

BRACKET

1шт.

33

K628756

BUSHING

BUSH, bracket

1шт.

34

K950947

ROD

adjusting, Serial Range: sleeve-pump

1шт.

K616980

NUT

1/4 UNF

1шт.

35

K621903

BALL JOINT

SOCKET END

1шт.

36

K621904

BALL JOINT

BALL END

1шт.

K626341

SPRING WASHER

SPRING WASHER, 1/4 in

1шт.

K616980

NUT

1/4 UNF

1шт.

Выбрано товаров: 57