Запчасти Case IH 1412 (N3-1[2]) - SERVICE PARTS Service Parts

Схема запчастей Case IH 1412 - (N3-1[2]) - SERVICE PARTS Service Parts
2
14
5
12
15
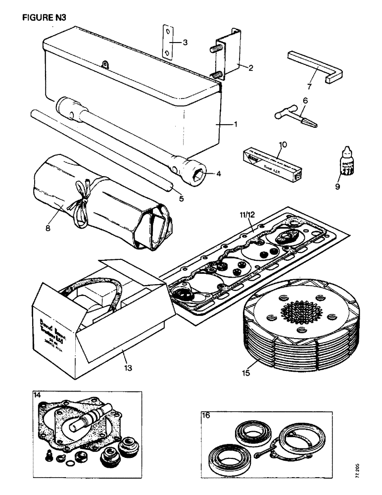
1
3
10
7
6
4
13
6
16
9
11
FIT
1:1
100%

Артикул

Название

Примечание

Количество

1a

K919573

BOX, TOOL

TOOLBOX

1шт.

1410, 1412, 1412G

1шт.

1410SK, 1412SK

1шт.

2a

K919538

BRACKET

toolbox

2шт.

1410, 1412, 1412G

1шт.

2b

K953888

BRACKET

toolbox

2шт.

1410SK, 1412SK

1шт.

K602982

SCREW,3/8" - 16 x 3/4", Gr S

SETSCREW, 3/8 UNC x 3/4 in (toolbox to cab floor)

4шт.

1410SK, 1412SK

1шт.

K19472

WASHER

3/8 in (toolbox to cab floor)

2шт.

1410SK, 1412SK

1шт.

K19482

SPRING WASHER

SPRING WASHER, 3/8 in, Serial Range: (brackets-toolbox)

4шт.

1410, 1412, 1412G

1шт.

1410SK, 1412SK

1шт.

280136

NUT,3/8"-16, G8

(Brackets to toolbox) 3/8"-16, G8

4шт.

1410, 1412, 1412G

1шт.

1410SK, 1412SK

1шт.

1b

K952937

SUPPORT

TOOLBOX

1шт.

1410Q, 1412Q

1шт.

3

K952939

MOUNTING PARTS

MOUNTING PAD, Serial Range: (toolbox-fender)

2шт.

1410Q, 1412Q

1шт.

K602736

SCREW

SETSCREW, 1/4 UNC x 7/8 in, Serial Range: (toolbox-fender)

2шт.

1410Q, 1412Q

1шт.

K626341

SPRING WASHER

SPRING WASHER, 1/4 in, Serial Range: (toolbox-fender)

2шт.

1410Q, 1412Q

1шт.

K607043

NUT

1/4 in UNC, Serial Range: (toolbox-fender)

2шт.

1410Q, 1412Q

1шт.

4a

K946622

KEY

WHEEL BRACE, 1 5/16 x 1 in AF

1шт.

1410SK, 1412SK

1шт.

1410Q, 1412Q

1шт.

4b

K948956

SOCKET WRENCH

WHEEL BRACE, 1 1/64 x 1 1/2 in AF

1шт.

1410, 1412, 1412G

1шт.

K200303

BRACE

BOX SPANNER, 27 mm AF, front wheel nuts (4WD tractors)

1шт.

5

K948095

CLEVIS PIN

TOMMY BAR

1шт.

K964971

KEY

BONNET KEY AND WRENCH, Includes: Ref. 6 and 7

1шт.

6

K946448

GRIP

KEY, bonnet latch

1шт.

7

K39426

OPEN END WRENCH

WRENCH, transmission filler plug

1шт.

8

K918595

TOOL

KIT, U1119, optional equipment

1шт.

K922741

TOOL WALLET

1шт.

K906963

SCREW

PEG, engine timing

1шт.

K627607

SPANNER, 1 1/8 x 15/16 in AF

1шт.

K627603

TOOL

SPANNER, 3/4 x 5/8 AF

1шт.

K627604

TOOL

SPANNER, 9/16 x 1/2 in AF

1шт.

K627608

TOOL

SPANNER, 7/16 x 5/16 AF

1шт.

K627609

BOX SPANNER, 15/16 x 3/4 AF

1шт.

K627610

TOOL

BOX SPANNER, 1/2 x 9/16 AF

1шт.

K19806

BAR

TOMMY BAR, 5/16 x 6 in

1шт.

K922744

SCREW

DRIVER, reversible

1шт.

K19803

SCREWDRIVER

1шт.

K922743

TOOL

PLIERS, 7 in, , insulated

1шт.

9

K963484

ADHESIVE

LOCTITE SEALANT, green, 10 c.c. bottle, and grease

1шт.

K962357

ADHESIVE

LOCTITE HYDRAULIC SEALANT, 10 c.c. bottle, and grease

1шт.

10

K964585

MOLYBDENUM DISULPHIDE GREASE, 100 gm tube, sealant

1шт.

11

K964998

KIT

ENGINE GASKET PACK, replaces K964884, service parts

1шт.

12

K964997

GASKET

ENGINE GASKET PACK, decarbonising, replaces K964883, service parts

1шт.

13

K963477

KIT

SERVICE PACK, 50 hr service, parts

1шт.

14

K964490

KIT

WATER PUMP REPAIR KIT, with impeller, replaces K962156, service parts

1шт.

15

K963646

DISC

MIDDLE DISC PACK, Hydra-Shift, set of 6, service parts

1шт.

K945755

DISC

INTERMEDIATE DISC PACK, Hydra-Shift, service parts

1шт.

16

K962986

SEAL

FRONT HUB BEARING AND SEAL KIT, service parts

1шт.

K965005

KIT

SHORT SERVICE PACK (eff. S/N Note A), service parts

1шт.

1410-11200752: 1412-11200752

1шт.

Выбрано товаров: 62