Запчасти Case IH 1412 (A04-1) - ENGINE, VALVE MECHANISM AND TIMING GEARS, 1410, 1410Q, 1410SK,1412,1412Q,1412G,1412SK (01) - ENGINE

Схема запчастей Case IH 1412 - (A04-1) - ENGINE, VALVE MECHANISM AND TIMING GEARS, 1410, 1410Q, 1410SK,1412,1412Q,1412G,1412SK (01) - ENGINE
16
31
4
5
21
24
14
12
38
13
6
17
28
25
36
37
23
33
22
19
8
10
39
17
32
35
20
16
26
9
27
2
29
35
1
15
7
30
34
3
11
FIT
1:1
100%

Артикул

Название

Примечание

Количество

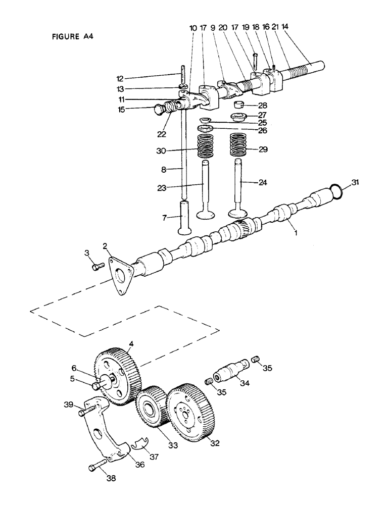
1

K921769

CAMSHAFT

1шт.

2

K902015

PLATE

LOCATING PLATE

1шт.

3

K602885

HARDWARE

SETSCREW, 5/16 UNC x 1 in

3шт.

K19481

SPRING WASHER

SPRING WASHER, 5/16 IN

3шт.

4

K945097

GEAR

68 teeth, camshaft

1шт.

K19607

KEY

Woodruff No. 506

1шт.

5

K600700

BOLT

7/16 UNC x 2 in

1шт.

6

K66382

WASHER

7/16 in

1шт.

7

K901137

TAPPET

8шт.

8

K902035

ROD

PUSH ROD

8шт.

9

K961052

ROCKER

VALVE ROCKER, right-hand, with bush, No. 2 from front

4шт.

10

K961053

ROCKER

VALVE ROCKER, left-hand, with bush, No. 1 from front

4шт.

11

K11060

BUSHING

BUSH, valve rocker

8шт.

12

K900413

ADJUSTMENT SCREW,3/8" - 16 x 1 1/8"

adjusting

8шт.

13

87016560

JAM NUT,Jam, 3/8"-16, G5

LOCKNUT, 3/8 UNC

8шт.

14

K909622

SHAFT

rocker

1шт.

15

K19590

PLUG

3/8 BSP

2шт.

16

K606051

SET SCREW,5/16" - 18 x 1/2"

LOCATING SCREW, 5/16 UNC

1шт.

17

K921431

BRACKET

rocker shaft, Nos 1, 2 and 3

3шт.

18

K921432

BRACKET

rocker shaft rear

1шт.

19

13-742

BOLT,Hex, 7/16" - 14 x 2-5/8", Gr 5

(Replaces K600611) Hex, 7/16"-14 x 2 5/8", G5

4шт.

K19483

SPRING WASHER

SPRING WASHER, 7/16 in

4шт.

K19473

WASHER

7/16 in

4шт.

20

K11017

SPRING

LOCATING SPRING, intermediate

2шт.

21

K11034

SPRING

LOCATING SPRING, centre

1шт.

22

K11018

SPRING

LOCATING SPRING, ends

2шт.

23

K950100

STD EXHAUST VALVE

VALVE, exhaust

4шт.

24

K928622

STD INLET VALVE

VALVE, inlet

4шт.

25

K928623

COLLAR

inner, exhaust valve

4шт.

26

K928624

COLLAR

outer, exhaust valve

4шт.

27

K921437

COLLAR

inlet valve

4шт.

28

K943439

LOCKING DEVICE

COTTER, inlet and exhaust valve

16шт.

29

K921435

SPRING

inlet valve

4шт.

30

K921436

VALVE SPRING

SPRING, exhaust valve

4шт.

31

K623523

O-RING,1.802" OD x 0.143" Width

'O' RING, 1 13/16 in internal

1шт.

32

K945096

GEAR

DRIVE GEAR, (68 teeth) injection pump

1шт.

33

K946144

GEAR

AND BUSH, intermediate

1шт.

K945095

GEAR

(47 teeth) intermediate

1шт.

K628751

BUSHING

BUSH

1шт.

34

K944136

GEAR SHAFT

SHAFT, intermediate gear, with grubscrews

1шт.

35

K606021

SCREW

GRUBSCREW, 5/16 UNC x 5/16 in

2шт.

36

K904073

SUPPORT

BRACKET, intermediate gear support

1шт.

37

K902113

SHIM,.003" Thk

(Bracket to cylinder block) .003" Thk

1шт.

K902114

SHIM,.010" Thk

(Bracket to cylinder block) .010" Thk

1шт.

K908713

SHIM,.020" Thk

(Bracket to cylinder block) .020" Thk

1шт.

38

K955399

BOLT

5/16 UNC x 1 3/4 in (bracket to cylinder block)

2шт.

39

K600325

BOLT

5/16 UNC x 2 in (bracket to cylinder block)

2шт.

K19481

SPRING WASHER

SPRING WASHER, 5/16 in (bracket to cylinder block)

4шт.

Выбрано товаров: 48