Запчасти Case IH 1412 (A13-1) - ENGINE, AIR CLEANER, 1410, 1410Q, 1410SK, 1412, 1412Q, 1412G, 1412SK (01) - ENGINE

Схема запчастей Case IH 1412 - (A13-1) - ENGINE, AIR CLEANER, 1410, 1410Q, 1410SK, 1412, 1412Q, 1412G, 1412SK (01) - ENGINE
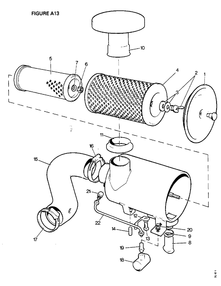
22
21
10
14
5
19
3
4
17
7
13
15
8
11
1
18
20
15
9
6
2
FIT
1:1
100%

Артикул

Название

Примечание

Количество

K952343

CLEANER

AIR CLEANER, Burgess, replaces K946787, Includes: Ref. 1 - 9

1шт.

1

K964888

PLATE

END PLATE ASSEMBLY

1шт.

2

K964887

NUT

WING NUT AND WASHERS, end plate

1шт.

3

K964885

WASHER

S, end plate

1шт.

4

K945043

AIR FILTER

ELEMENT, main

1шт.

5

K952344

AIR FILTER

ELEMENT, safety (use with K952343)

1шт.

6

K951725

NUT

10mm (use with K952343)

1шт.

7

K964631

WASHER

NYLON WASHER (use with K952343)

1шт.

8

K945042

VALVE

DUST VALVE

1шт.

9

K622099

CLIP

1 1/8 in, dust valve

1шт.

10

K945046

PRECLEANER

AIR-CLEANER, Burgess No. D-7/15584

1шт.

11

K947899

SEAL

pre-cleaner

1шт.

12

K946854

STAY

1шт.

13

9627874

BOLT,Hex, 5/16" - 18 x 5/8", Gr 5, Full Thd

SETSCREW, 5/16 UNC x 5/8 in (cleaner stay to elbow)

2шт.

K19481

SPRING WASHER

SPRING WASHER, 5/16 in (cleaner, Serial Range: stay-elbow)

2шт.

14

K608133

STUD

5/16 UNC x 1 1/8 in (cleaner, Serial Range: stay-elbow)

2шт.

K19481

SPRING WASHER

SPRING WASHER, 5/16 in (cleaner, Serial Range: stay-elbow)

2шт.

9635082

NUT,5/16" - 18, Gr 5

5/16 UNC (cleaner stay to elbow)

2шт.

15a

K953392

HOSE

cleaner to turbocharger (eff. S/N Note A)

1шт.

1410, 1410Q, 1410SK, 1412, 1412Q, 1412G, 1412SK-11202109

1шт.

15b

K948820

HOSE

cleaner to turbocharger (up to S/N Note A)

1шт.

1410, 1410Q, 1410SK, 1412, 1412Q, 1412G, 1412SK-11202109

1шт.

16

K621732

HOSE

CLIP, hose to air cleaner

1шт.

17

K11914

CLIP

, Serial Range: hose-turbocharger

1шт.

18

K944033

INDICATOR

Coopers 2850/30

1шт.

19

K944034

ADAPTER

ADAPTOR, 3/8 UNF - 1/2 BSP

1шт.

K19482

SPRING WASHER

SPRING WASHER, 3/8 in

1шт.

20

K617052

NUT

LOCKNUT, 3/8 UNF

1шт.

21

K944035

CONNECTOR, ELEC

CONNECTOR, air cleaner

1шт.

22

K946859

PIPE

, Serial Range: cleaner-indicator

1шт.

Выбрано товаров: 30