Запчасти Case IH 1412 (M1-1) - ELECTRICAL EQUIPMENT, ALTERNATOR AND BATTERY (06) - ELECTRICAL SYSTEMS

Схема запчастей Case IH 1412 - (M1-1) - ELECTRICAL EQUIPMENT, ALTERNATOR AND BATTERY (06) - ELECTRICAL SYSTEMS
17
26
11
8
22
19
30
19
7
31
14
29
24
12
2
5
6
15
1
25
23
20
9
21
16
28
27
2
13
4
FIT
1:1
100%

Артикул

Название

Примечание

Количество

1a

K925009

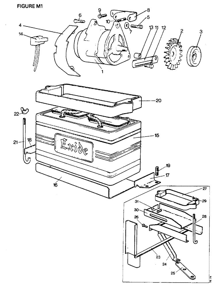
ALTERNATOR

ALTERNATOR, Lucas 23700 type 15ACR (up to S/N Note A)

1шт.

1410, 1410Q, 1410SK, 1412, 1412Q, 1412SK, 1412G-E123517

1шт.

1a

92293C1

ALTERNATOR

Alternator, 12V, 45 Amp, W/Fan and Pulley

1шт.

1a

92293C1R

REMAN-ALTERNATOR

Reman For New PN 92293C1

1шт.

1a

92293C1C

CORE-ALTERNATOR

Return Number

1шт.

1a

92293C1GV

ALTERNATOR

Value, 12 Volt, 45 Amp W/Fan and Pulley

1шт.

1b

K953785

ALTERNATOR

ALTERNATOR, AC-Delco 7982952, see figure M2 (eff. S/N Note A)

1шт.

1410, 1410Q, 1410SK, 1412, 1412Q, 1412SK, 1412G-E123517

1шт.

1b

K956426

ALTERNATOR

Alternator

1шт.

1b

104020A1GV

ALTERNATOR

Value, 12V, 26A

1шт.

1b

104020A1R

REMAN-ALTERNATOR

Remanufactured 12 VOLT, 26 AMP Alternator

1шт.

1b

104020A1C

CORE-ALTERNATOR

Return Number, 12 VOLT, 26 AMP Alternator

1шт.

1b

104020A1RGV

ALTERNATOR

REMANUFACTURED 12 VOLT, 26 AMP ALTERNATOR

1шт.

2a

K942129

FAN

FAN, alternator, Lucas

1шт.

2b

K953786

FAN

FAN, alternator, AC-Delco

1шт.

3a

K952702

PULLEY

PULLEY, alternator, replaces K942045, Lucas

1шт.

3b

K953787

PULLEY

SPARE PART PULLEY, alternator, AC-Delco

1шт.

4

K950496

FAN

GUARD, fan, Replaces K942117, Lucas

1шт.

5

113-122

BOLT,Hex, 5/16" - 18 x 1-1/2", Gr 5

SETSCREW, 5/16 UNC x 1 1/2 in (alternator to bracket), (Replaces K600365)

1шт.

6

K600359

BOLT

SETSCREW, 5/16 UNC x 1 1/4 in

1шт.

K19481

SPRING WASHER

SPRING WASHER, 5/16 in

2шт.

9635082

NUT,5/16" - 18, Gr 5

NUT, 5/16 UNC (alternator to bracket)

2шт.

7

K626916

WASHER

WASHER, 5/16 in special

1шт.

8

K947375

SUPPORT

SUPPORT BRACKET

1шт.

9

88206

BOLT,Hex, 3/8" - 16 x 1", Gr 5

BOLT, (Bracket to cylinder block) Hex, 3/8"-16 x 1", G5, Full Thd

1шт.

10

K608235

STUD

STUD, 3/8 UNC x 1 1/4 in (bracket to cylinder block)

1шт.

K19482

SPRING WASHER

SPRING WASHER, 3/8 in (bracket to cylinder block)

2шт.

280136

NUT,3/8"-16, G8

NUT, (Bracket to cylinder block) 3/8"-16, G8

1шт.

11

K950495

ADJUSTER

ADJUSTER STRAP, Replaces K942044

1шт.

12

280345

BOLT,Hex, 5/16" - 18 x 7/8", Gr 5, Full Thd

SETSCREW, 5/16 UNC x 7/8 in

1шт.

K626916

WASHER

WASHER, 5/16 in special

1шт.

K19481

SPRING WASHER

SPRING WASHER, 5/16 in

1шт.

13

K627028

BUSHING

DISTANCE PIECE, adjuster strap

1шт.

14

K942603

PEDESTAL

SOCKET, Lucas 54958776

1шт.

15

K952487

BATTERY

BATTERY, 12volt, heavy duty, Exide 6/RHMZ17R, Replaces K929951

1шт.

1410, 1410Q, 1410SK, 1412, 1412Q, 1412SK

1шт.

16

K948089

BATTERY

BATTERY TRAY (single hydraulic pump)

1шт.

1410, 1410Q, 1410SK, 1412, 1412Q, 1412SK

1шт.

17

K947512

BRACKET

CLAMPING BRACKET, right-hand (single hydraulic pump)

1шт.

18

K947513

BRACKET

CLAMPING BRACKET, left-hand (single hydraulic pump)

1шт.

19

K608212

STUD

STUD, 3/8 UNC x 1 1/8 in (single hydraulic pump)

4шт.

K11522

WASHER

LOCKWASHER, 3/8 in, battery lead to earth (single hydraulic pump)

1шт.

K19482

SPRING WASHER

SPRING WASHER, 3/8 in (single hydraulic pump)

3шт.

280136

NUT,3/8"-16, G8

NUT, (Single hydraulic pump) 3/8"-16, G8

4шт.

20

K947080

FRAME

CLAMP FRAME, battery top (single hydraulic pump)

1шт.

21

K947430

STUD

CLAMPING STUD, 1/4 UNC x 7 in, heavy duty battery (single hydraulic pump)

2шт.

K19470

WASHER

WASHER, 1/4 in (single hydrauilc pump)

2шт.

K626341

SPRING WASHER

SPRING WASHER, 1/4 in (single hydraulic pump)

2шт.

22

K607200

NUT

WING NUT, 1/4 UNC (single hydraulic pump)

2шт.

23

K951145

SUPPORT

SUPPORT BRACKET, battery (tandem hydraulic pump)

1шт.

1410, 1410Q, 1410SK, 1412, 1412Q, 1412SK

1шт.

24

K920955

STAY

STRUT (tandem hydraulic pump)

1шт.

1410, 1410Q, 1410SK, 1412, 1412Q, 1412SK

1шт.

25

K949983

STAY

SUPPORT, strut (tandem hydraulic pump)

1шт.

1410, 1410Q, 1410SK, 1412, 1412Q, 1412SK

1шт.

26

K602902

SCREW

SETSCREW, 3/8 UNC x 3/4 in (tandem hydraulic pump)

2шт.

1410, 1410Q, 1410SK, 1412, 1412Q, 1412SK

1шт.

K19472

WASHER

WASHER, 3/8 in (tandem hydraulic pump)

2шт.

1410, 1410Q, 1410SK, 1412, 1412Q, 1412SK

1шт.

K19482

SPRING WASHER

SPRING WASHER, 3/8 in (tandem hydraulic pump)

2шт.

1410, 1410Q, 1410SK, 1412, 1412Q, 1412SK

1шт.

280136

NUT,3/8"-16, G8

NUT, (Tandem hydraulic pump) 3/8"-16, G8

2шт.

1410, 1410Q, 1410SK, 1412, 1412Q, 1412SK

1шт.

27

K947080

FRAME

CLAMP FRAME, battery top (tandem hydraulic pump)

1шт.

1410, 1410Q, 1410SK, 1412, 1412Q, 1412SK

1шт.

28

K948873

STUD

CLAMPING STUD, 1/4 UNC x 11 in (tandem hydraulic pump)

2шт.

1410, 1410Q, 1410SK, 1412, 1412Q, 1412SK

1шт.

K19470

WASHER

WASHER, 1/4 in (tandem hydraulic pump)

2шт.

1410, 1410Q, 1410SK, 1412, 1412Q, 1412SK

1шт.

K626341

SPRING WASHER

SPRING WASHER, 1/4 in (tandem hydraulic pump)

2шт.

1410, 1410Q, 1410SK, 1412, 1412Q, 1412SK

1шт.

29

K607200

NUT

WING NUT, 1/4 UNC (tandem hydraulic pump)

2шт.

1410, 1410Q, 1410SK, 1412, 1412Q, 1412SK

1шт.

30

K918883

COVER

TRAY, battery (tandem hydraulic pump)

1шт.

1410, 1410Q, 1410SK, 1412, 1412Q, 1412SK

1шт.

31

K917661

PIN

PIVOT PIN, 3/8 UNC (tandem hydraulic pump)

2шт.

1410, 1410Q, 1410SK, 1412, 1412Q, 1412SK

1шт.

K19482

SPRING WASHER

SPRING WASHER, 3/8 in (tandem hydraulic pump)

2шт.

1410, 1410Q, 1410SK, 1412, 1412Q, 1412SK

1шт.

280136

NUT,3/8"-16, G8

NUT, 3/8"-16, G8

2шт.

1410, 1410Q, 1410SK, 1412, 1412Q, 1412SK

1шт.

Выбрано товаров: 81