Запчасти Case IH 1412 (M6-1) - ELECTRICAL EQUIPMENT, GAUGES, HORN, WIPER AND TRAILER PLUG (06) - ELECTRICAL SYSTEMS

Схема запчастей Case IH 1412 - (M6-1) - ELECTRICAL EQUIPMENT, GAUGES, HORN, WIPER AND TRAILER PLUG (06) - ELECTRICAL SYSTEMS
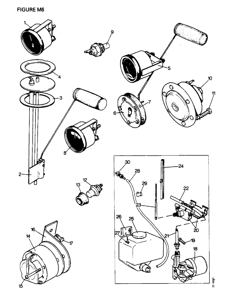
27
25
6
11
1
2
10
18
22
9
15
20
28
12
16
4
7
23
29
26
14
5
3
30
24
13
8
19
21
17
FIT
1:1
100%

Артикул

Название

Примечание

Количество

1

K949236

ELECTRICAL GAUGE

FUEL GAUGE, Smiths AF2204/00

1шт.

1410SK, 1412SK

1шт.

1410Q, 1412Q

1шт.

2

K948994

FLOAT

TANK UNIT, Smiths TSB5514/014

1шт.

1410SK, 1412SK

1шт.

1410Q, 1412Q

1шт.

3

K942450

RING

SEALING RING (unit to fuel tank)

1шт.

1410SK, 1412SK

1шт.

1410Q, 1412Q

1шт.

4

K942451

RING

LOCKING RING (unit to fuel tank)

1шт.

1410SK, 1412SK

1шт.

1410Q, 1412Q

1шт.

5

K921147

ELECTRICAL GAUGE

FUEL GAUGE, AC-Delco 7974119

1шт.

1410, 1412

1шт.

1412G

1шт.

6

K916755

FLOAT

TANK UNIT, AC-Delco 7976414

1шт.

1410, 1412

1шт.

1412G

1шт.

7

K916485

GASKET

(unit to fuel tank)

1шт.

1410, 1412

1шт.

1412G

1шт.

K626340

RING

SPRING WASHER, 3/16 in (unit to fuel tank)

5шт.

1410, 1412

1шт.

1412G

1шт.

K617080

NUT

no. 10 UNF (unit to fuel tank)

5шт.

1410, 1412

1шт.

1412G

1шт.

8a

K949237

ELECTRICAL GAUGE

TEMPERATURE GAUGE, Smiths ACT2206/00

1шт.

1410SK, 1412SK

1шт.

1410Q, 1412Q

1шт.

9a

K952332

TRANSMITTER

SENDER, Smiths TT4803/01

1шт.

1410SK, 1412SK

1шт.

1410Q, 1412Q

1шт.

8b

K921148

ELECTRICAL GAUGE

TEMPERATURE GAUGE, AC-Delco 7966282

1шт.

1412G

1шт.

410, 1412

1шт.

9b

K921149

TEMPERATURE SENDER

SENDER, AC-Delco 7966281

1шт.

1410, 1412

1шт.

1412G

1шт.

K626444

WASHER

COPPER WASHER, 3/8 in

1шт.

1410, 1412

1шт.

1412G

1шт.

10

K950098

HORN

AND BRACKET

1шт.

11

K602733

SCREW

SETSCREW, 1/4 UNC x 5/8 in

2шт.

K11524

LOCK WASHER

LOCKWASHER, 1/4 in

2шт.

K626341

SPRING WASHER

SPRING WASHER, 1/4 in

2шт.

K607043

NUT

1/4 UNC

2шт.

12

K928180

SWITCH

HORN PUSH, Lucas 31872, Includes: Ref. 13

1шт.

13

K928150

BOOT

RUBBER COVER

1шт.

K928149

WASHER

3/4 in special

1шт.

K928148

SPRING

WASHER, 3/4 in special

1шт.

K928147

NUT, 3/4 UNF special

1шт.

14

K913566

POINT

SOCKET, trailer connection, 7-pin

1шт.

1410, 1412

1шт.

1412G

1шт.

1410Q, 1412Q

1шт.

K963625

PLUG

trailer connection

1шт.

1410, 1412

1шт.

1412G

1шт.

1410Q, 1412Q

1шт.

15

K614950

SCREW

no. 10 UNF x 1 1/4 in

3шт.

1410, 1412

1шт.

1412G

1шт.

1410Q, 1412Q

1шт.

K626340

RING

SPRING WASHER, 3/16 in

3шт.

1410, 1412

1шт.

1412G

1шт.

1410Q, 1412Q

1шт.

K617080

NUT

no. 10 UNF

3шт.

1410, 1412

1шт.

1412G

1шт.

1410Q, 1412Q

1шт.

86625206

SCREW,Phillips Drive, Pan HD, #10 - 32 x 1/2"

no. 10 UNF x 1/2 in, socket earth

1шт.

1410, 1412

1шт.

1412G

1шт.

1410Q, 1412Q

1шт.

K626340

RING

SPRING WASHER, 3/16 in

1шт.

1410, 1412

1шт.

1412G

1шт.

1410Q, 1412Q

1шт.

K617080

NUT

no. 10 UNF

1шт.

1410, 1412

1шт.

1412G

1шт.

1410Q, 1412Q

1шт.

K627724

GROMMET

3/16 in

1шт.

1410, 1412

1шт.

1412G

1шт.

16

K948022

BRACKET

trailer socket

1шт.

1410, 1412

1шт.

1412G

1шт.

17

K602733

SCREW

SETSCREW, 1/4 UNC x 5/8 in, 7-pin socket

2шт.

1410, 1412

1шт.

1412G

1шт.

K626341

SPRING WASHER

SPRING WASHER, 1/4 in

2шт.

1410, 1412

1шт.

1412G

1шт.

K929754

SOCKET/RECEPTACLE

SOCKET, auxiliary feed

1шт.

1412G

1шт.

18

K951518

WIPER MOTOR

Lucas 54071929

1шт.

1410Q, 1412Q

1шт.

K965043

CABLE

DRIVE CABLE

1шт.

1410Q, 1412Q

1шт.

19

K602735

SCREW

SETSCREW, 1/4 UNC x 3/4 in

1шт.

1410Q, 1412Q

1шт.

K19470

WASHER

1/4 in

1шт.

1410Q, 1412Q

1шт.

K626341

SPRING WASHER

SPRING WASHER, 1/4 in

1шт.

1410Q, 1412Q

1шт.

K607043

NUT

1/4 UNC

1шт.

1410Q, 1412Q

1шт.

20

K951519

WHEEL

BOX, Lucas LT28894-72925

1шт.

1410Q, 1412Q

1шт.

21

K951516

DRIVE

TUBE

1шт.

1410Q, 1412Q

1шт.

22

K691917

TUBE

EXTENSION TUBE

1шт.

1410Q, 1412Q

1шт.

23a

K955664

WIPER

ARM (eff. S/N Note A)

1шт.

1410Q, 1412Q-11203600

1шт.

1410Q, 1412Q

1шт.

23b

K950923

ARM

WIPER ARM [A]

1шт.

1410Q, 1412Q

1шт.

24a

K955665

WIPER

BLADE (eff. S/N Note A)

1шт.

1410Q, 1412Q-11203600

1шт.

1410Q, 1412Q

1шт.

24b

K950924

BLADE

WIPER BLADE

1шт.

1410Q, 1412Q

1шт.

24c

K954623

WIPER

BLADE, Sekura 940.007

1шт.

1410SK, 1412SK

1шт.

25a

K954271

RESERVOIR

BOTTLE AND PUMP, windscreen washer (eff. S/N Note A)

1шт.

1410Q, 1412Q-11203600

1шт.

1410Q, 1412Q

1шт.

25b

K954744

FILTER SCREEN

BOTTLE, windscreen washer, Sekura 20.286

1шт.

1410SK, 1412SK

1шт.

26

K954272

MOUNTING PARTS

MOUNTING BRACKET, reservoir (eff. S/N Note A)

1шт.

1410Q, 1412Q-11203600

1шт.

1410Q, 1412Q

1шт.

27

K614943

SCREW

no. 10 UNF x 3/8 in (eff. S/N Note A)

3шт.

1410Q, 1412Q-11203600

1шт.

1410Q, 1412Q

1шт.

K626340

RING

SPRING WASHER, 3/16 in (eff. S/N Note A)

3шт.

1410Q, 1412Q-11203600

1шт.

1410Q, 1412Q

1шт.

K617080

NUT

no. 10 UNF (eff. S/N Note A)

3шт.

1410Q, 1412Q-11203600

1шт.

1410Q, 1412Q

1шт.

28

K954274

TUBE

PLASTIC TUBE, 4 mm x 85 in (eff. S/N Note A)

1шт.

1410Q, 1412Q-11203600

1шт.

1410Q, 1412Q

1шт.

29

K625020

CLIP

PIPE CLIP (eff. S/N Note A)

3шт.

1410Q, 1412Q-11203600

1шт.

1410Q, 1412Q

1шт.

30

K954273

JET

windscreen washer (eff. S/N Note A)

1шт.

1410Q, 1412Q-11203600

1шт.

1410Q, 1412Q

1шт.

Выбрано товаров: 154