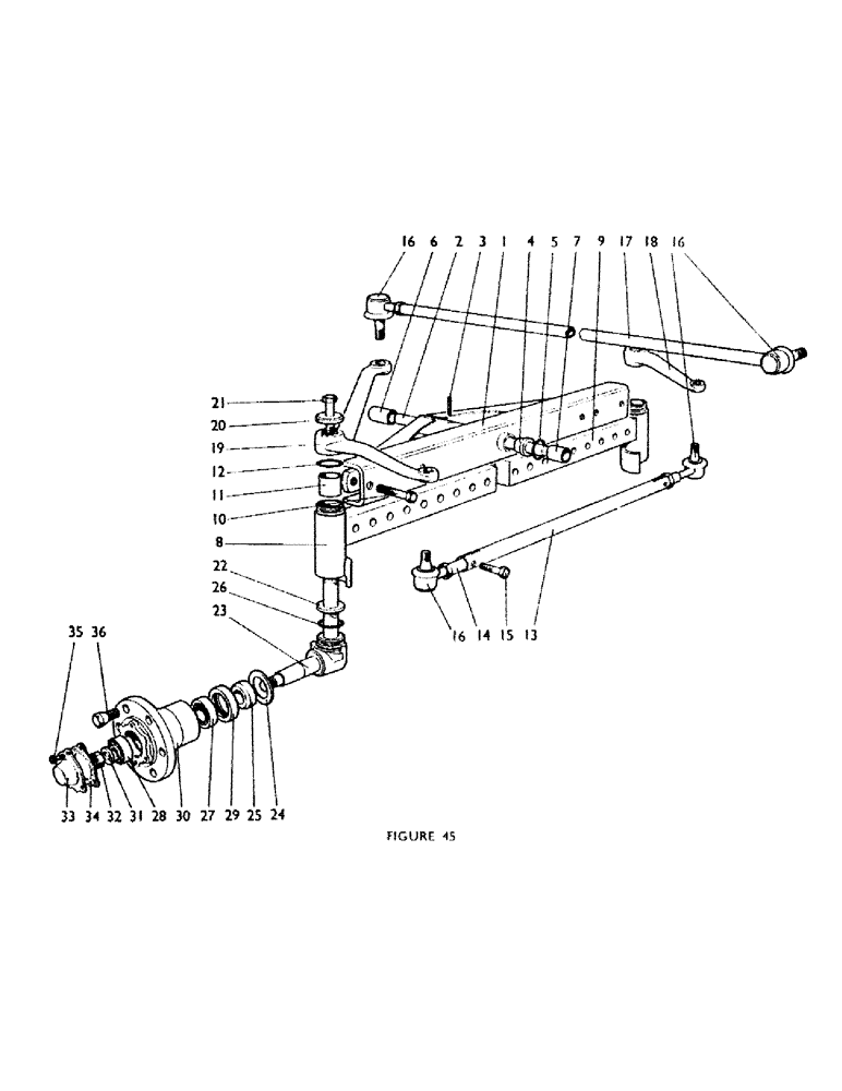
Запчасти Case IH 770A (072) - FRONT AXLE Steering & Front Axle

Схема запчастей Case IH 770A - (072) - FRONT AXLE Steering & Front Axle
14
27
4
31
33
32
8
19
24
12
36
18
30
23
25
20
16
13
3
34
15
6
28
35
16
1
17
9
26
7
10
16
2
11
29
21
22
5
FIT
1:1
100%

Артикул

Название

Примечание

Количество

1

K914718

SHAFT

- centre beam

1шт.

2

K910632

TRUNNION

- pin

1шт.

3

K600014

BOLT

- 1/4 UNC x 2 1/2 in.

1шт.

425-144

JAM NUT,Jam, 1/4"-20, G5

LOCKNUT - 1/4 UNC

2шт.

4

K917388

SLEEVE

- thrust, 1 1/2 in. long

2шт.

K910633

SLEEVE

- thrust, 3/4 in. long

2шт.

5

K68129

RING,0.21" Thk x 1.6" ID, -326, Cl 6, 90 Duro

O-RING - 1 5/8 in. int. dia.

2шт.

6

K621369

BUSHING

- (long)

1шт.

7

K621375

BUSHING

- (short)

1шт.

8

K961813

EXTENSION ASSY - beam, left-hand (with bushes)

1шт.

9

K961814

BEAM

- extension, right-hand (with bushes)

1шт.

10

K601210

BOLT (SPREADER)

BOLT - spreader, 5/8 UNC x 2 3/4 in., special

4шт.

K19485

WASHER

- spring, 5/8 in.

4шт.

11

K16561

BUSHING

4шт.

12

K14492

O-RING,1.625" ID x 0.139"

- 1 5/8 in. int. dia.

2шт.

219-8

LUBE NIPPLE,1/4" - 28 NPTF

NIPPLE, LUBE, , ANF 1/4"-28 NPT x .54" lg

2шт.

13

K910643

BUSHING

- spacer tube

1шт.

14

K910081

ROD

- track

2шт.

15

K600316

BOLT

- 5/16 UNC x 2 1/4 in.

2шт.

9635082

NUT,5/16" - 18, Gr 5

- 5/16 UNC

2шт.

K19481

SPRING WASHER

WASHER - lock, spring, 5/16 in.

2шт.

16

K908071

BALL JOINT

- socket assembly

2шт.

K961701

BOOT

- dust excluder (rubber) 908071

4шт.

K622500

LOCK NUT

LOCKNUT - special 908071

4шт.

K617104

NUT

- slotted, 1/2 UNF 908071

4шт.

K19530

PIN

- split, 3/32 x 1 in.

4шт.

K912110

LINK

- drag assembly (manual steering)

1шт.

17

K912111

LINK

- drag 912110

1шт.

16

K908071

BALL JOINT

- socket assembly 912110

2шт.

K915479

LINK

- drag assembly (power-assisted steering)

1шт.

K915478

LINK

- drag tube (supersedes 915489) 915479

1шт.

K913593

LARGE PIN

PIN - large, eye end 915479

1шт.

K622520

NUT

LOCKNUT - special 915479

1шт.

K908071

BALL JOINT

- socket assembly 915479

1шт.

18

K910644

LEVER

- steering, right-hand

1шт.

19

K910645

LEVER

- steering, left-hand (manual steering)

1шт.

19

K915575

LEVER - steering, left-hand (power-assisted steering)

1шт.

20

K910646

WASHER

- 1/2 in., special

2шт.

21

K600809

BOLT

- 1/2 UNC x 2 3/8 in. (replaces 600808)

2шт.

K19484

LOCK WASHER

WASHER - spring, 1/2 in.

2шт.

22

K910621

WASHER

- thrust

2шт.

23

K961815

SHAFT

- stub axle assembly

2шт.

24

K906568

RING

- dirt excluder 961815

2шт.

25

K910620

SLEEVE

- oil seal 961815

2шт.

26

K623556

O-RING,0.139" Thk x 1.859" ID, -225, Cl 5, 75 Duro

- 1 7/8 in. int. dia.

2шт.

27

K620076

BEARING, ROLLER

BEARING - taper roller

2шт.

28

K24659

BEARING, BALL

BEARING - ball, taper roller

2шт.

29

K15638

NO LONGER SERVICED

SEAL - oil

2шт.

30

K914632

HUB

- front

2шт.

31

K19476

WASHER

- 3/4 in.

2шт.

32

K617107

NUT

- slotted, 3/4 UNF

2шт.

K623603

PIN

- split, 11/64 x 1 1/8 in.

2шт.

33

K908913

CAP

- hub

2шт.

34

K15344

GASKET,0.25mm Thk

2шт.

35

9627874

BOLT,Hex, 5/16" - 18 x 5/8", Gr 5, Full Thd

SETSCREW - 5/16 UNC x 5/8 in.

6шт.

K19481

SPRING WASHER

WASHER - lock, spring, 5/16 in.

6шт.

219-8

LUBE NIPPLE,1/4" - 28 NPTF

NIPPLE, LUBE, , ANF--Front hub 1/4"-28 NPT x .54" lg

2шт.

36

K907400

WHEEL BOLT,1/2" - 13 x 1 1/8"

- wheel bolt, 1/2 UNC x 1 in.

12шт.

Выбрано товаров: 58