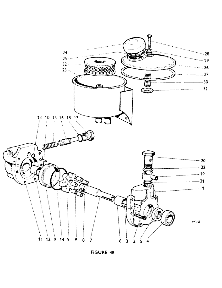
Запчасти Case IH 770A (078) - PUMP AND RESERVOIR, PART OF U733, POWER-ASSISTED STEERING Steering & Front Axle

Схема запчастей Case IH 770A - (078) - PUMP AND RESERVOIR, PART OF U733, POWER-ASSISTED STEERING Steering & Front Axle
31
10
32
12
25
26
19
14
2
28
20
1
23
11
7
29
18
27
4
22
9
6
9
21
24
9
13
15
16
8
30
3
17
5
FIT
1:1
100%

Артикул

Название

Примечание

Количество

K915578

PUMP

- assembly

1шт.

1

K961094

COVER ASSY - (with bush) 915578

1шт.

2

K961108

BOLT - screw--cover to body 915578

6шт.

3

K961096

DOWEL - pin 915578

2шт.

4

K960754

BEARING

- 915578

1шт.

5

K961093

OIL SEAL

- oil 915578

1шт.

6

K961092

BUSHING

- cover 915578

1шт.

7

K961109

SHAFT

- 915578

1шт.

8

K960738

DRIVE

- pin--carrier 915578

1шт.

9

K961104

CAM

- carrier and rollers (not supplied separately), 915578

1шт.

10

K961101

CAM

- lock peg, 915578

1шт.

11

K961090

BODY ASSY - (with bush) 915578

1шт.

12

K961092

BUSHING

- 915578

1шт.

13

K961102

O-RING

- 915578

1шт.

14

K961103

O-RING

- 915578

1шт.

15

K961098

SPRING

- flow control 915578

1шт.

16

K962277

VALVE

- flow control and pressure relief, 915578

1шт.

17

K961099

PLUG, DRAIN

PLUG - drain, cap--valve 915578

1шт.

18

K961100

O-RING

- cap 915578

1шт.

19

K961834

ADAPTER

- banjo--pump inlet 915578

1шт.

20

K961833

BANJO BOLT

- banjo 915578

1шт.

21

K960733

GASKET

- O-ring 915578

1шт.

22

K961835

WASHER

- fibre 915578

1шт.

23

K919650

RESERVOIR

- assembly

1шт.

24

K960841

CAP

- filler, with dipstick 919650

1шт.

25

K960843

CAP

- sealing ring--filler 919650

1шт.

26

K962193

COVER

- 919650

1шт.

27

K960725

GASKET

- sealing ring--cover 919650

1шт.

28

413-518

BOLT,Hex, 5/16" - 18 x 1-1/8", Gr 5

SCREW - bolt 919650

1шт.

K626682

WASHER

- 919650

1шт.

29

K960723

COVER

- sealing washer 919650

1шт.

30

K962190

VALVE SPRING

SPRING - valve, 919650

1шт.

31

K962191

CAP

- element 919650

1шт.

32

K902187

FILTER

- element (identical with 960750--number change only), 919650

1шт.

Выбрано товаров: 34