Запчасти Case IH 780 (074) - FRONT AXLE, HIGHWAY TRACTORS Steering & Front Axle

Схема запчастей Case IH 780 - (074) - FRONT AXLE, HIGHWAY TRACTORS Steering & Front Axle
4
33
19
24
31
17
16
21
17
25
6
18
26
19
30
36
32
22
34
14
15
29
20
30
38
7
1
13
10
25
11
28
9
5
2
23
12
37
3
35
27
8
FIT
1:1
100%

Артикул

Название

Примечание

Количество

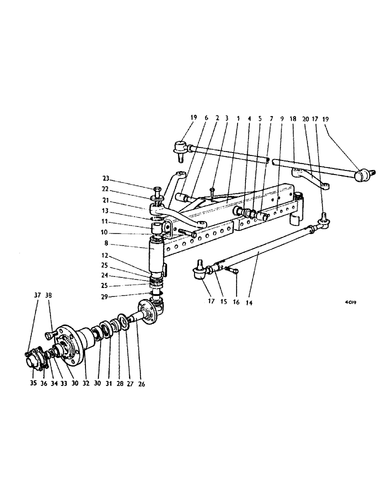
1

K972780

BEAM

- centre

1шт.

2

K910632

TRUNNION

- pin

1шт.

3

K600014

BOLT

- 1/4 UNC x 2 1/2 in.

1шт.

425-144

JAM NUT,Jam, 1/4"-20, G5

LOCKNUT - 1/4 UNC

2шт.

4

K917388

SLEEVE

- thrust, 1 1/2 in. long

2шт.

5

K68129

RING,0.21" Thk x 1.6" ID, -326, Cl 6, 90 Duro

O-RING - 1 5/8 in. int. dia.

2шт.

6

K621369

BUSHING

- long

1шт.

7

K621375

BUSHING

- short

1шт.

8

K962488

BEAM - extension, left-hand (with bushes)

1шт.

9

K962487

BEAM - extension, right-hand (with bushes)

1шт.

10

K601210

BOLT (SPREADER)

BOLT - spreader, 5/8 UNC x 2 3/4 in., special

4шт.

K601212

BOLT

- 5/8 UNC x 3 in.

2шт.

K19485

WASHER

- spring, 5/8 in.

6шт.

11

K16561

BUSHING

- upper

2шт.

12

K11598

BUSHING

- lower

2шт.

13

K14492

O-RING,1.625" ID x 0.139"

- 1 5/8 in. int. dia.

2шт.

219-8

LUBE NIPPLE,1/4" - 28 NPTF

NIPPLE, LUBE, , ANF--Beam extension 1/4"-28 NPT x .54" lg

2шт.

14

K910643

BUSHING

- spacer tube

1шт.

15

K910081

ROD

- track

2шт.

16

K600316

BOLT

- 5/16 UNC x 2 1/4 in.

2шт.

9635082

NUT,5/16" - 18, Gr 5

- 5/16 UNC

2шт.

K19481

SPRING WASHER

WASHER - lock, spring, 5/16 in.

2шт.

17

K908071

BALL JOINT

- socket assembly

2шт.

K961701

BOOT

- dust excluder (rubber) 908071

1шт.

K622500

LOCK NUT

LOCKNUT - 3/4 in., special 908071

1шт.

K617104

NUT

- slotted, 1/2 UNF 908071

1шт.

K19530

PIN

- split, 3/32 x 1 in.

1шт.

K928156

LINK

- drag assembly (manual steering) (supersedes 912110)

1шт.

18

K928157

LINK

- tube (supersedes 912111) 928156

1шт.

19

K908071

BALL JOINT

- socket assembly 928156

2шт.

K915479

LINK

- drag assembly (power-assisted steering)

1шт.

K915478

LINK

- tube 915479

1шт.

K913593

LARGE PIN

PIN - large, eye end 915479

1шт.

K622520

NUT

LOCKNUT - 3/4 Whit., special 915479

1шт.

K908071

BALL JOINT

- socket assembly 915479

1шт.

20

K910644

LEVER

- steering, right-hand

1шт.

21

K910645

LEVER

- steering, left-hand (manual steering)

1шт.

K915575

LEVER - steering, left-hand (power-assisted steering)

1шт.

22

K910646

WASHER

- 1/2 in., special

2шт.

23

K600809

BOLT

- 1/2 UNC x 2 3/8 in.

2шт.

K19484

LOCK WASHER

WASHER - lock, spring, 1/2 in.

2шт.

24

K620183

NEEDLE

- thrust bearing

2шт.

25

K626712

WASHER

- thrust

4шт.

26

K972789

SHAFT

- stub axle and king pin

2шт.

27

K906568

RING

- dirt excluder

2шт.

28

K906569

SLEEVE

- oil seal

2шт.

29

K15594

O-RING,0.139" Thk x 1.984" ID, -226, Cl 5, 75 Duro

- 2 in. int. dia.

2шт.

30

K620046

BEARING

- taper roller

4шт.

31

K15638

NO LONGER SERVICED

SEAL - oil, 2 1/8 x 3 x 1/2 in.

2шт.

32

K971803

HUB

- front

2шт.

33

K626673

WASHER

- 3/4 in., special

2шт.

34

K617157

NUT

- slotted, 3/4 UNF

2шт.

K623603

PIN

- split, 11/64 x 1 1/8 in.

2шт.

35

K908913

CAP

- hub

2шт.

36

K15344

GASKET,0.25mm Thk

2шт.

37

9627874

BOLT,Hex, 5/16" - 18 x 5/8", Gr 5, Full Thd

SETSCREW - 5/16 UNC x 5/8 in.

6шт.

K19481

SPRING WASHER

WASHER - lock, spring, 5/16 in.

6шт.

219-8

LUBE NIPPLE,1/4" - 28 NPTF

NIPPLE, LUBE, , ANF--Front hub 1/4"-28 NPT x .54" lg

2шт.

38

K971809

WHEEL BOLT

- wheel, 1/2 UNC x 2 1/4 in.

12шт.

Выбрано товаров: 59