Запчасти Case IH 780 (038) - OIL FILTER AND PIPES (07) - HYDRAULIC SYSTEM

Схема запчастей Case IH 780 - (038) - OIL FILTER AND PIPES (07) - HYDRAULIC SYSTEM
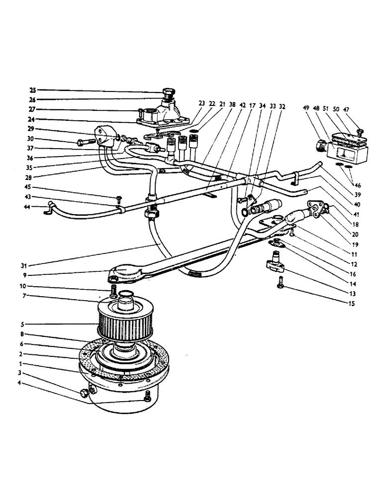
23
11
16
17
26
41
46
4
35
5
22
19
48
25
18
6
3
8
20
27
45
38
44
51
28
2
12
9
29
13
40
1
15
50
39
32
14
33
34
37
43
7
49
24
10
30
31
42
36
21
47
FIT
1:1
100%

Артикул

Название

Примечание

Количество

1

K920520

COVER

- rear sump

1шт.

2

K906764

GASKET

1шт.

3

K19581

PLUG

- drain, 1/4 BSP

1шт.

K626765

GASKET

- sealing washer, 1/2 in.

1шт.

4

9627874

BOLT,Hex, 5/16" - 18 x 5/8", Gr 5, Full Thd

SETSCREW - 5/16 UNC x 5/8 in.

8шт.

K19481

SPRING WASHER

WASHER - lock, spring, 5/16 in.

8шт.

K920806

FILTER, ELEMENT

FILTER - element, assembly

1шт.

5

K920522

FILTER, ELEMENT

FILTER - element 920806

1шт.

6

K920521

VALVE

- gauze 920806

1шт.

7

K15279

O-RING,0.139" Thk x 1.359" ID, -220, Cl 5, 75 Duro

- 1 3/8 in. int. dia. 920806

1шт.

8

K623524

O-RING,0.139" Thk x 2.109" ID, -227, Cl 5, 75 Duro

- 2 1/8 in. int. dia. 920806

1шт.

9

K920860

PIPE

- oil suction

1шт.

10

K602806

BOLT

- setscrew, 5/16 UNC x 1 1/8 in.

1шт.

K19481

SPRING WASHER

WASHER - lock, spring, 5/16 in.

1шт.

11

K15596

RING,3.63mm Thk x 31.34mm ID

O-RING - 1 1/4 in. int. dia.

1шт.

12

K12131

BOLT

- 1/4 BSF x 9/16 in.

4шт.

K19480

SPRING WASHER

- spring, 1/4 in.

4шт.

13

K921214

ADAPTER

1шт.

14

K921220

GASKET

1шт.

15

K602705

SCREW

SETSCREW - 1/4 UNC x 1 in. (replaces 602704)

2шт.

K19480

SPRING WASHER

- spring, 1/4 in.

2шт.

16

K14658

O-RING,0.07" Thk x 0.239" ID

- 1/4 in. int. dia.

1шт.

17

K915684

TUBE

- pipe--pump outlet (replaces 915335)

1шт.

18

K24676

O-RING,0.103" Thk x 0.612" ID, -114, Cl 6, 90 Duro

- 5/8 in. int. dia.

1шт.

19

K89170

SHIM

- clamping plate

1шт.

20

K603662

SCREW

- 1/4 UNC x 5/8 in.

3шт.

21

K623557

O-RING

- 9/16 in. int. dia.

3шт.

22

K915344

WASHER

- locating plate

1шт.

23

K603662

SCREW

- 1/4 UNC x 5/8 in.

2шт.

24

K917127

CONNECTOR, ELEC

CONNECTOR - plate

1шт.

K619528

PLUG

- 7/8 UNF

1шт.

K30085

GASKET

- fibre washer, 7/8 in.

1шт.

25

K920826

O-RING

- 3/4 UNF

1шт.

26

K623589

O-RING

- 5/8 in. int. dia.

1шт.

K917387

GASKET

1шт.

27

K600403

BOLT

- 3/8 UNC x 1 3/8 in.

4шт.

K19482

SPRING WASHER

WASHER - lock, spring, 3/8 in.

4шт.

28

K915687

TUBE

- pipe--control valve (replaces 920123)

1шт.

29

K24779

O-RING,0.103" Thk x 0.424" ID, -11, Cl 6, 90 Duro

- 7/16 in. int. dia.

2шт.

30

K600405

BOLT

- 3/8 UNC x 1 5/8 in.

2шт.

K19482

SPRING WASHER

WASHER - lock, spring, 3/8 in.

2шт.

31

K928511

TUBE

- pipe--union to ram cylinder (replaces 913782)

1шт.

32

K24852

O-RING,0.103" Thk x 0.674" ID, -115, Cl 6, 90 Duro

- 11/16 in. int. dia. (replaces 24676)

1шт.

33

K910105

WASHER

- clamping plate

1шт.

34

K603662

SCREW

- 1/4 UNC x 5/8 in.

2шт.

35

K915339

TUBE

- lubrication, Serial Range: pipe--valve-tee-piece

1шт.

36

K912269

BUSHING

- screwed, 1/2/5/16 UNC

1шт.

86632558

JAM NUT,Jam, 1/2"-13, G5

LOCKNUT - 1/2 UNC (replaces 607054)

1шт.

K626577

WASHER

- Seloc, 1/2 UNC

1шт.

37

K602819

SCREW

SETSCREW - 5/16 UNC x 2 3/4 in.

1шт.

K607081

LOCK NUT

LOCKNUT - 5/16 UNC (replaces 607051)

1шт.

38

K915337

PIPE

- lubrication, Serial Range: tee-piece-cross-piece

1шт.

39

K913783

PIPE

- lubrication, PTO

1шт.

40

K621660

CLIP

1шт.

41

K913785

PIPE,0.5" OD

- lubrication, ram cylinder

1шт.

42

K915722

PIPE - lubrication, 6-speed gearbox (replaces 921585)

1шт.

K921586

SPARE PART

PIPE - lubrication, 12-speed gearbox

1шт.

43

K621685

CLIP

- 6-speed gearbox lubrication pipe

1шт.

43

K621647

CLIP - 6-speed gearbox lubrication pipe

1шт.

44

K621648

CLIP

- 6-speed gearbox lubrication pipe

1шт.

44

K621612

CLIP

- 12-speed gearbox lubrication pipe

1шт.

44

K621601

CLIP

- 12-speed gearbox lubrication pipe

1шт.

K19522

PIN

- split, 1/16 x 5/8 in.

1шт.

45

K602701

BOLT

- setscrew, 1/4 UNC x 1/2 in.

3шт.

K19480

SPRING WASHER

- spring, 1/4 in.

3шт.

46

K900380

O-RING,0.487" ID x 0.693" OD x 0.103"

- 1/2 in. int. dia., U1056 (918357) (oil return plate unit)

4шт.

47

K602814

SCREW

SETSCREW - 5/16 UNC x 2 1/8 in., U1056 (918357) (oil return plate unit)

2шт.

K19481

SPRING WASHER

WASHER - lock, spring, 5/16 in., U1056 (918357) (oil return plate unit)

2шт.

48

K923277

BRACKET

- connecting plate--rear axle case, U1056 (918357) (oil return plate unit) (replaces 917150)

1шт.

49

K619528

PLUG

- 7/8 UNF, U1056 (918357) (oil return plate unit)

1шт.

K30885

SPARE PART

WASHER - fibre, 7/8 in., U1056 (918357) (oil return plate unit)

1шт.

50

K915149

NO LONGER SERVICED

PLATE - cover, rear axle case, Serial Range: 600001-602414

1шт.

51

K915150

GASKET

-, Serial Range: 600001-602414

1шт.

280345

BOLT,Hex, 5/16" - 18 x 7/8", Gr 5, Full Thd

SETSCREW - 5/16 UNC x 7/8 in. 600001 to 602414

2шт.

K19481

SPRING WASHER

WASHER - lock, spring, 5/16 in., Serial Range: 600001-602414

2шт.

Выбрано товаров: 75