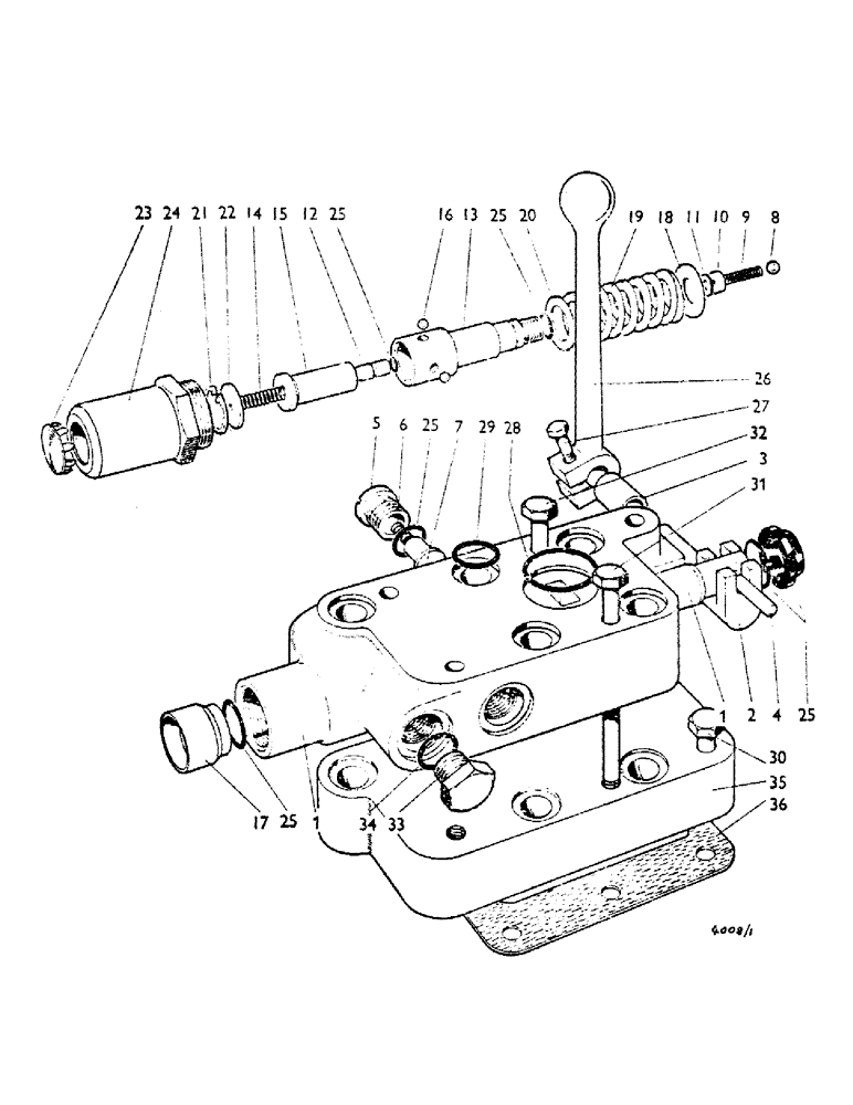
Запчасти Case IH 780 (052) - 918957, DOUBLE-ACTING LIVE TAKE-OFF VALVE U844, SINGLE VALVE, 918938, OPTIONAL EQUIPMENT, U845 (07) - HYDRAULIC SYSTEM

Схема запчастей Case IH 780 - (052) - 918957, DOUBLE-ACTING LIVE TAKE-OFF VALVE U844, SINGLE VALVE, 918938, OPTIONAL EQUIPMENT, U845 (07) - HYDRAULIC SYSTEM
29
20
25
10
28
22
35
33
25
30
27
24
16
32
1
12
17
5
6
18
11
25
34
19
8
13
25
1
23
21
14
7
36
3
31
9
2
4
26
15
25
FIT
1:1
100%

Артикул

Название

Примечание

Количество

1

K919689

NO LONGER SERVICED

CONTROL VALVE ASSY. - (U844), Includes: Ref. 2 thru 25

1шт.

1

K919689

NO LONGER SERVICED

CONTROL VALVE ASSY. - (U845), Includes: Ref. 2 thru 25

2шт.

2

K962061

LEVER

LEVER - spindle, 919689

1шт.

3

K962062

BUSHING

BUSHING - 919689

1шт.

4

K623738

PIN

PIN - Mills, 919689

1шт.

5

K962065

PLUG

PLUG - 919689

1шт.

6

K962067

SPRING

SPRING - 919689

1шт.

7

K962066

PLUNGER

PLUNGER - 919689

1шт.

8

K962302

BALL

BALL - steel (supersedes 962068), 919689

1шт.

9

K962069

SPRING

SPRING - Pilot, 919689

1шт.

10

K962070

GUIDE

GUIDE - 919689

1шт.

11

K962080

SHIM,.010" Thk

919689

1шт.

11

K962081

SHIM,.005" Thk

919689

1шт.

12

K962071

PISTON

PISTON - detent, 919689

1шт.

13

K962075

NO LONGER SERVICED

RETAINER - detent, 919689

1шт.

14

K962073

SPRING

SPRING - detent piston, 919689

1шт.

15

K962072

PLUNGER

PLUNGER - detent release, 919689

1шт.

16

K11483

BALL

BALL - steel, 3/16 in., (replaces 962077), 919689

4шт.

17

K962060

BUSHING

BUSHING - body, 919689

1шт.

18

K962082

DISC

DISC - washer, 919689

1шт.

19

K962064

SPARE PART

SPRING - 919689

1шт.

20

K962078

WASHER

WASHER - 919689

1шт.

21

K962076

RING, SNAP

RING SNAP SNAP RING - circlip, 919689

1шт.

22

K962079

WASHER

WASHER - 919689

1шт.

23

K962074

PLUG

PLUG - 919689

1шт.

24

K962059

NO LONGER SERVICED

CAP - 919689

1шт.

25

K962083

GASKET KIT

KIT - gasket, seal pack, (5 O-Rings, 1 wiper seal), 919689

1шт.

26

K918937

NO LONGER SERVICED

LEVER - hand, cranked

1шт.

26

K918940

NO LONGER SERVICED

LEVER - hand, straight

1шт.

K622382

KEY

KEY - Woodruff No. 403

1шт.

27

K600144

BOLT

BOLT - 1/4 UNC x 1-3/8 in.

1шт.

K19480

SPRING WASHER

WASHER - spring, 1/4 in.

1шт.

K607043

NUT

NUT - 1/4 UNC

1шт.

28

K623588

O-RING,2.69mm Thk x 29.97mm ID, 75 Duro

O-RING - 1-3/16 in. int. dia.

1шт.

29

K24852

O-RING,0.103" Thk x 0.674" ID, -115, Cl 6, 90 Duro

O-RING - 11/16 in. int. dia.

5шт.

30

K600510

BOLT

BOLT - 3/8 UNC x 2 in., valve to rear axle case

1шт.

31

K600511

BOLT

BOLT - 3/8 UNC x 4-1/4 in., valve to rear axle case, (U844)

2шт.

31

K600513

BOLT

BOLT - 3/8 UNC x 6 in., valve to rear axle case, (U845)

2шт.

32

K600512

BOLT

BOLT - 3/8 UNC x 4-1/2 in., valve to rear axle case, (U844)

1шт.

32

K600514

BOLT

BOLT - 3/8 UNC x 6-1/4 in., valve to rear axle case, (U845)

1шт.

K19482

SPRING WASHER

WASHER - lock, 3/8 in., valve to rear axle case

4шт.

33

K920826

O-RING

O-RING - plug, 3/4 UNF

2шт.

34

K623589

O-RING

O-RING - 11/16 in. int. dia.

2шт.

K919242

COVER

COVER - valve body

1шт.

35

K962085

BASE

BASE - plate

1шт.

36

K917387

GASKET

GASKET - base plate to axle case

1шт.

Выбрано товаров: 46