Запчасти Case IH 850 (14) - OIL PUMP, ALL MODELS (01) - ENGINE

Схема запчастей Case IH 850 - (14) - OIL PUMP, ALL MODELS (01) - ENGINE
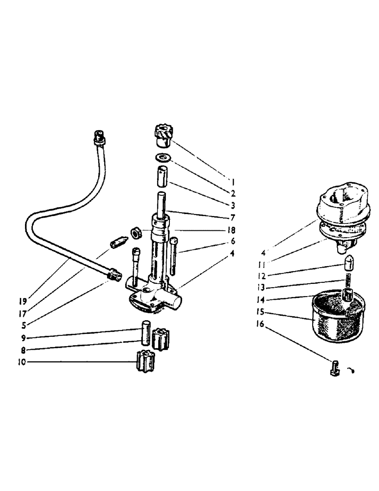
14
9
19
8
18
13
2
4
5
10
11
3
17
6
16
7
4
15
1
12
FIT
1:1
100%

Артикул

Название

Примечание

Количество

K20529

BEARING

Oil Pump (Complete)

1шт.

1

K904046

SPARE PART

Spiral Pinion

1шт.

K19604

KEY

Woodruff No. 405

1шт.

2

K12041

Thrust Washer

1шт.

3

K30016

BUSHING

Bush

1шт.

4

K63044

Bracket and Gear Housing (Single Outlet)

1шт.

5

K12037

Bolt, Special Fitting, 1/4 BSF x 2 in. Bracket and, Serial Range: housing-cover

2шт.

6

K12038

BOLT

1/4 BSF x 2 in. Bracket and, Serial Range: housing-cover

2шт.

K19401

NUT

1/4 BSF Bracket and, Serial Range: housing-cover

4шт.

K19480

SPRING WASHER

Spring Washer, 1/4 in. Bracket and, Serial Range: housing-cover

4шт.

7

K37547

PUMP

Shaft--Driving Rotor

1шт.

8

K12045

GEAR

Driving Rotor

1шт.

K19604

KEY

Woodruff No. 405

1шт.

9

K12006

PLUG

Shaft--Driving Rotor

1шт.

10

K12046

PLUG

Driven Rotor

1шт.

K60365

SCREW

Relief Valve Assembly

1шт.

11

K12071

SPARE PART

Cover--Housing 60365

1шт.

12

K67461

PLUNGER

60365

1шт.

13

K12961

SPRING

60365

1шт.

14

K30013

ADJUSTER

Adjusting Screw 60365

1шт.

15

K12013

FILTER

Gauze, Serial Range: Filter-cover

1шт.

16

K11544

Bolt, 1/4 BSF x 1/2 in. Gauze, Serial Range: filter-cover

1шт.

K19480

SPRING WASHER

Spring Washer, 1/4 in. Gauze, Serial Range: filter-cover

1шт.

17

K12042

Screw--Locating, Serial Range: Bracket-Block

1шт.

K626610

WASHER

Rolled Copper Washer

2шт.

18

K19443

Locknut, 7/16 BSF

1шт.

19

K86595

OIL RESERVOIR

Oil, Serial Range: Pipe--Pump-Cleaner

1шт.

Выбрано товаров: 27