Запчасти Case IH 850 (16) - RADIATOR AND BLIND (01) - ENGINE

Схема запчастей Case IH 850 - (16) - RADIATOR AND BLIND (01) - ENGINE
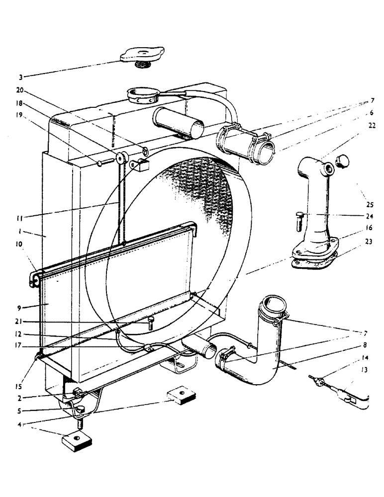
24
13
12
7
17
20
1
8
6
23
19
2
25
18
11
21
4
7
15
9
16
14
10
5
22
3
FIT
1:1
100%

Артикул

Название

Примечание

Количество

1

K904635

SPARE PART

Radiator, 50mm Block, 850/880, Narrow

1шт.

1

K904703

Radiator, 80mm Block, 850/880, Narrow, Serial Range: (Alternative-K904635)

1шт.

1

K906890

SPARE PART

Radiator, 50mm Block, 950

1шт.

1

K900060

Radiator, 50mm Block, 950, Serial Range: (Alternative-K906890)

1шт.

2

K622060

PLUG, DRAIN

Drain Tap, 1/4 BSP

1шт.

K19501

WASHER

Fibre Washer

2шт.

3

K906196

CAP

Filler Cap

1шт.

4

K16702

Foot Packing

1шт.

5

K600603

BOLT

7/16 UNC x 1-5/8 in., 850/880

2шт.

5

K600602

BOLT,Hex, 7/16" - 14 x 1 1/2", Gr 5

7/16 UNC x 1-1/2 in., 950

2шт.

5

K19265

Bolt, 7/16 BSF x 1-5/8 in., Narrow

2шт.

K19483

SPRING WASHER

Spring Washer, 7/16 in.

2шт.

280717

NUT,7/16"-14, G5

850/880, 950 7/16"-14, G5

2шт.

K19404

NUT

7/16 BSF, Narrow

2шт.

6

K37575

HOSE

Radiator Inlet

1шт.

7

K13078

BRACKET

Hose Clip, 7-1/8 in. dia.

4шт.

8

K904880

HOSE

Radiator Outlet, 850/800, Narrow

1шт.

8

K88481

HOSE

Radiator Outlet, 950

1шт.

9

K64924

NO LONGER SERVICED

Radiator Blind

1шт.

U342 (903660)

1шт.

10

K64925

ROD

Pull Rod

1шт.

U342 (903660)

1шт.

11

K67196

ROPE

Control Cord

1шт.

U342 (903660)

1шт.

12

K904898

SPARE PART

Control Tube

1шт.

U342 (903660)

1шт.

13

K89494

NO LONGER SERVICED

Control Grip

1шт.

U342 (903660)

1шт.

14

K89501

HARDWARE

Brass Ferrule

1шт.

U342 (903660)

1шт.

15

K36895

NO LONGER SERVICED

Anchor

1шт.

U342 (903660)

1шт.

K11109

NUT

2BA

1шт.

U342 (903660)

1шт.

16

K900553

Distance Piece

2шт.

U342 (903660)

1шт.

K19496

WASHER

3/16 in.

2шт.

U342 (903660)

1шт.

17

K24896

Clip--Control Tube

1шт.

U342 (903660)

1шт.

18

K36897

SPARE PART

Pulley

1шт.

U342 (903660)

1шт.

19

K11428

Rivet, 1/4 X 1-1/8 in.

1шт.

U342 (903660)

1шт.

20

K24892

RATCHET

Rachet Plate

1шт.

U342 (903660)

1шт.

21

K12131

BOLT

1/4 BSF X 9/16 in.

1шт.

U342 (903660)

1шт.

K19401

NUT

1/4 BSF

1шт.

U342 (903660)

1шт.

K19480

SPRING WASHER

Spring Washer, 1/4 in.

1шт.

U342 (903660)

1шт.

22

K88825

Pipe, Water Outlet, 950

1шт.

22

K904657

SPARE PART

Pipe, Water Outlet, 850/880, Narrow

1шт.

23

K30653

GASKET

Outlet pipe to pump body

1шт.

24

K19222

BOLT

5/16 BSF x 1 in., Outlet pipe to pump body

2шт.

K19481

SPRING WASHER

Spring Washer, 5/16 in., Outlet pipe to pump body

2шт.

25

K619525

PLUG

5/8 UNF

1шт.

K626444

WASHER

1шт.

Выбрано товаров: 0