Запчасти Case IH 880 (46) - RAMSHAFT BRACKET AND HOLD, MECHANISM, ALL MODELS (07) - HYDRAULIC SYSTEM

Схема запчастей Case IH 880 - (46) - RAMSHAFT BRACKET AND HOLD, MECHANISM, ALL MODELS (07) - HYDRAULIC SYSTEM
9
18
3
10
28
32
19
26
22
17
30
24
29
21
5
14
35
33
8
1
13
25
11
4
16
20
31
7
15
23
2
27
23
34
6
12
FIT
1:1
100%

Артикул

Название

Примечание

Количество

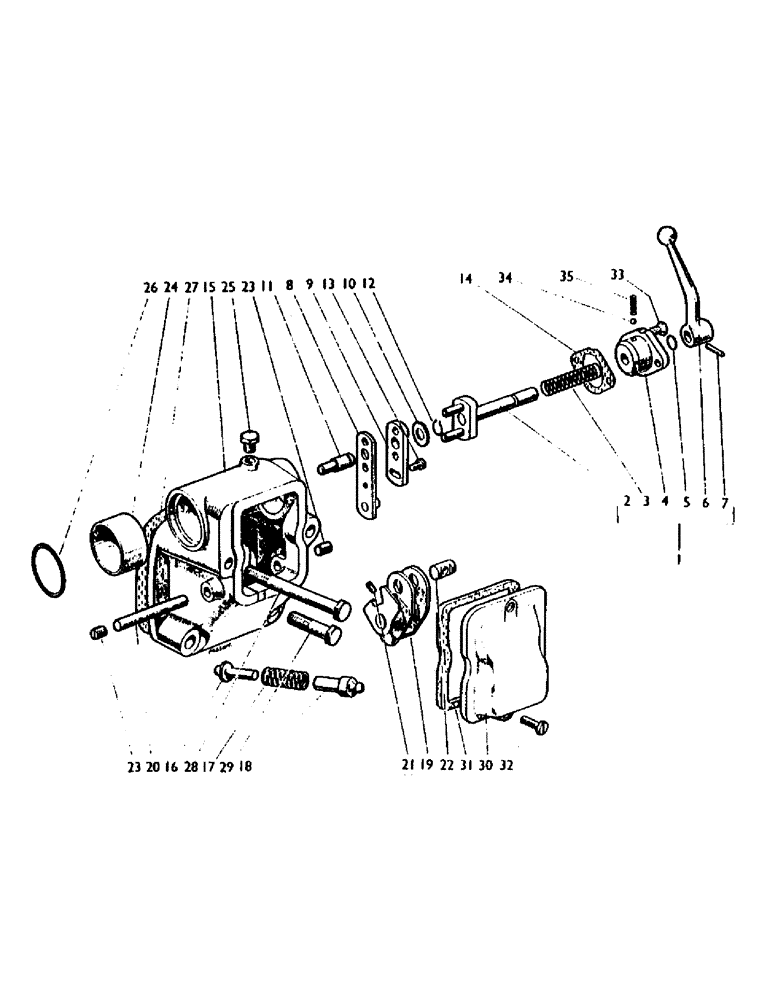
1

K903484

Override Control Assembly

1шт.

2

K903400

LARGE PIN

Dog Clutch 903484

1шт.

3

K625123

SPRING

903484

1шт.

4

K903480

Housing 903484

1шт.

5

K900380

O-RING,0.487" ID x 0.693" OD x 0.103"

O Ring 903484

1шт.

6

K903479

WINDOW STAY

Override Lever 903484

1шт.

7

K623740

SPLIT PIN/SAFETY PIN

Spring Dowel, 3/16 in. 903484

1шт.

8

K906418

HAMMER

Striker

1шт.

9

K903464

PLATE

Locating Plate

1шт.

10

K903406

WASHER

Retaining Washer

1шт.

11

K903407

PIN

Extension (Part of Ramshaft Assembly)

1шт.

12

K621589

RING, SNAP

Circlip, 1/2 in. Dia. Ext.

1шт.

13

K610102

BOLT

Wedglok Bolt, 1/4 UNF x 9/16 in.

1шт.

K19470

WASHER

1/4 in.

1шт.

14

K903412

GASKET

1шт.

K905693

Ramshaft Bracket Assembly

1шт.

15

K906530

Ramshaft Bracket 905693

1шт.

16

K903356

INNER SHOE

Inner Plunger 905693

1шт.

17

K625122

SPRING

905693

1шт.

18

K903355

Outer Plunger 905693

1шт.

19

K903357

Operating Lever 905693

1шт.

20

K903014

PIVOT ASSY.

Pivot Pin--Rocker 905693

1шт.

21

K11160

SCREW

Grub Screw 905693

1шт.

22

K903370

PIN

--Operating Lever 905693

1шт.

23

K606070

Grub Screw, 7/16 UNC x 1/4 in. 905693

2шт.

24

K30126

BEARING

905693

1шт.

25

K906531

SPARE PART

Breather 905693

1шт.

26

K623538

O-RING,6.99mm Thk x 50.16mm ID, 60 Duro

O Ring 905693

1шт.

27

K36310

GASKET

1шт.

28

K600822

BOLT

1/2 UNC x 5 in.

2шт.

29

K600812

BOLT

1/2 UNC x 2 3/4 in.

2шт.

K11518

WASHER

Lockwasher, 1/2 in.

4шт.

30

K906887

SPARE PART

Cover

1шт.

31

K906888

COVER

Packing--Cover

1шт.

32

K605004

Screw, Ch. Hd., 1/4 UNC x 5/8 in.

2шт.

33

K604005

SCREW

1/4 UNC x 3/4 in.

2шт.

34

K17063

BALL

1шт.

35

K24563

SPRING

1шт.

Выбрано товаров: 38