Запчасти Case IH 880A (088) - POWER-ASSISTED STEERING, U599, FABRICATED AXLE, U952, HEAVY DUTY AXLE, OPTIONAL EQUIPMENT Steering & Front Axle

Схема запчастей Case IH 880A - (088) - POWER-ASSISTED STEERING, U599, FABRICATED AXLE, U952, HEAVY DUTY AXLE, OPTIONAL EQUIPMENT Steering & Front Axle
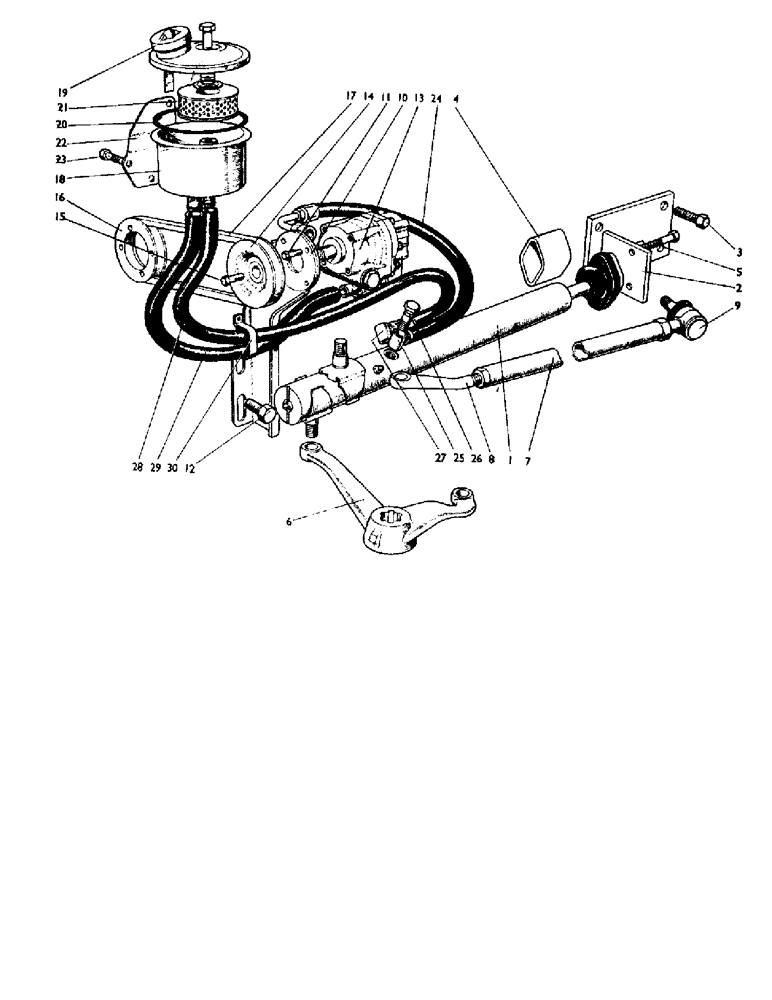
24
20
9
16
10
11
4
28
27
19
17
18
29
13
1
12
6
26
8
21
2
30
14
15
3
25
23
22
5
7
FIT
1:1
100%

Артикул

Название

Примечание

Количество

1

K915915

CYLINDER

- hydraulic ram assembly (5/8 UNF connections) (see Fig. 90)

1шт.

2

K914806

BRACKET

- anchor

1шт.

3

K603305

BOLT

- setscrew, 5/8 UNC x 1 3/8 in.

4шт.

K19485

WASHER

- spring, 5/8 in.

4шт.

4

K914807

BUSHING

- spacer

1шт.

5

K600617

BOLT

- 7/16 UNC x 3 3/4 in.

2шт.

K11312

WASHER

- taper, 1/2 in.

2шт.

280717

NUT,7/16"-14, G5

2шт.

K19483

SPRING WASHER

- spring, 7/16 in.

2шт.

6

K913924

LEVER

- steering, left-hand fabricated axle

1шт.

6

K919690

STEERING LEVER - left-hand heavy duty axle

1шт.

K913594

LINK

- drag assembly

1шт.

7

K910795

LINK

- drag tube 913594

1шт.

8

K913593

LARGE PIN

PIN - large, eye end 913594

1шт.

K622520

NUT

LOCKNUT - 3/4 Whit., special 913594

1шт.

9

K908071

BALL JOINT

- socket assembly 913594

1шт.

K19533

PIN

- split, 1/8 x 1 1/4 in.

2шт.

K19530

PIN

- split, 3/32 x 1 in.

1шт.

10

K913627

BRACKET - support, pump

1шт.

11

K612705

SCREW

SETSCREW - 1/4 UNF x 1 in., Serial Range: bracket-pump

4шт.

K19480

SPRING WASHER

- spring, 1/4 in., Serial Range: bracket-pump

4шт.

12

K603306

BOLT

- setscrew, 5/8 UNC x 1 1/2 in., Serial Range: bracket-frame

2шт.

K19485

WASHER

- spring, 5/8 in., Serial Range: bracket-frame

2шт.

K19475

WASHER

- 5/8 in., Serial Range: bracket-frame

2шт.

13

K915578

PUMP

- assembly (see Fig. 92) (replaces 916602)

1шт.

14

K913630

PULLEY

- pump

1шт.

K914787

NO LONGER SERVICED

GUARD - pulley

1шт.

K82664

KEY

- 1/8 x 1/8 x 13/16 in.

1шт.

15

K602803

BOLT

- 5/16 UNC x 3/4 in.

1шт.

K904523

WASHER

- 5/16 in., special

1шт.

K19481

SPRING WASHER

WASHER - lock, spring, 5/16 in.

1шт.

16

K916812

PULLEY

- rim

1шт.

K600144

BOLT

- 1/4 UNC x 1 3/8 in. pulley, replaces 600005 rim to crankshaft pulley

4шт.

K19480

SPRING WASHER

- spring, 1/4 in. pulley rim to crankshaft pulley

4шт.

17

K913631

BELT

V-BELT, Drive

1шт.

18

K919650

RESERVOIR

- assembly (see Fig. 92) supersedes 913626

1шт.

19

K960841

CAP

- filler dipstick 919650

1шт.

20

K960725

GASKET

- sealing ring, 5 in. int., 919650 dia.--cover

1шт.

21

K960750

FILTER

- element 919650

1шт.

22

K913628

MOUNTING PARTS

- support bracket--reservoir

1шт.

23

K602701

BOLT

- setscrew, 1/4 UNF x 1/2 in. bracket, replaces, Serial Range: 602704-reservoir

3шт.

K19480

SPRING WASHER

- spring, 1/4 in., Serial Range: bracket-reservoir

3шт.

K607000

NUT

- 1/4 UNC, Serial Range: bracket-reservoir

3шт.

9627874

BOLT,Hex, 5/16" - 18 x 5/8", Gr 5, Full Thd

SETSCREW - 5/16 UNC x 5/8 in. mounting bracket to air cleaner

2шт.

9635082

NUT,5/16" - 18, Gr 5

- 5/16 UNC mounting bracket to air cleaner

2шт.

K19481

SPRING WASHER

WASHER - lock, spring, 5/16 in. mounting bracket to air cleaner

2шт.

K620010

ADAPTER

- pump outlet

1шт.

K623515

SEAL,16.38mm ID x 25.53mm OD x 3.2mm Thk

- washer, 5/8 in.

1шт.

24

K903042

HOSE

-, Serial Range: pump-ram

1шт.

25

K915584

BANJO BOLT

- banjo, 3/8 BSP

1шт.

26

K915586

PIN

- banjo bolt, 5/8 UNF

2шт.

K623515

SEAL,16.38mm ID x 25.53mm OD x 3.2mm Thk

- washer, 5/8 in.

4шт.

27

K915585

ADAPTER

- banjo

1шт.

28

K913636

HOSE

-, Serial Range: ram-reservoir

1шт.

K13069

HOSE

- clip

2шт.

29

K917476

HOSE

-, Serial Range: reservoir-pump

1шт.

K13070

HOSE

- clip

2шт.

30

K918947

COIL

- protective (replaces 913708)

1шт.

K918942

CLIP

2шт.

K19488

SPRING WASHER

- spring, 3/16 in.

1шт.

K11109

NUT

- 2 BA

1шт.

K14563

BUCKLE

- clip, 1/4 x 13 1/2 in.

1шт.

K19928

CLIP

- buckle, 1/4 x 7 in.

1шт.

Выбрано товаров: 63