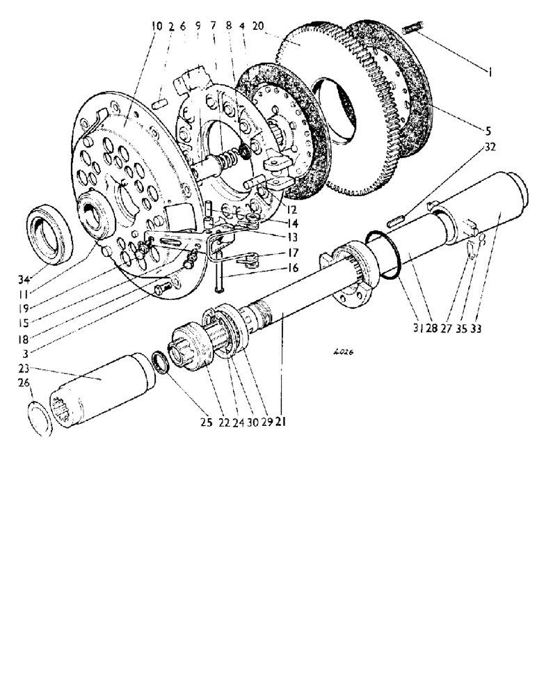
Запчасти Case IH 880A (023A) - DOUBLE CLUTCH, LAYCOCK, 880/A, LIVEDRIVE (03.1) - CLUTCH

Схема запчастей Case IH 880A - (023A) - DOUBLE CLUTCH, LAYCOCK, 880/A, LIVEDRIVE (03.1) - CLUTCH
13
24
20
27
4
19
5
21
28
9
25
31
33
26
32
30
18
22
3
23
11
12
29
8
7
17
6
2
35
10
34
1
14
15
16
FIT
1:1
100%

Артикул

Название

Примечание

Количество

1

K13226

SPRING

- flywheel

3шт.

2

K621838

PIN

- dowel, 5/16 x 7/16 x 1 1/8 in.

2шт.

3

K602903

SCREW

- bolt, 3/8 UNC x 7/8 in.

9шт.

K19482

SPRING WASHER

WASHER - lock, spring, 3/8 in.

9шт.

4

K926850

NO LONGER SERVICED

PLATE - driven (with facings and rivets)--main drive

1шт.

K962548

NO LONGER SERVICED

FACINGS - (2), rivets (32)

1шт.

5

K926851

PLATE

- driven (with facings and rivets)--PTO

1шт.

K962549

FACING, CLUTCH

FACINGS - clutch, (2), rivets (18)

1шт.

K926807

COVER

- assembly

1шт.

6

K962535

PLATE

- pressure 926807

1шт.

7

K926870

SPRING

- (pale green) 926807

12шт.

8

K962544

DISC

- washer--insulating 926807

12шт.

9

K962546

CLIP

- spring cup 926807

12шт.

10

K962547

COVER

- clutch 926807

1шт.

11

K89325

BALL BEARING,45mm ID x 75mm OD x 16mm W

BEARING -ball 926807

1шт.

12

K962543

PLUNGER

- circlip 926807

3шт.

13

K962542

ROLLER

- 926807

3шт.

14

K962541

PIN

- roller 926807

3шт.

15

K962538

LEVER

- release 926807

3шт.

16

K962540

PIN

- pivot 926807

3шт.

17

K962539

SPRING

- release lever 926807

3шт.

K626682

WASHER

- 5/16 in. 926807

6шт.

K11933

PIN

- split, 1/8 x 5/8 in. 926807

3шт.

18

K962536

SCREW

- nut, 3/8 UNF x 1 in., special--PTO clearance, 926807

3шт.

19

K962534

SCREW

- nut, 3/8 UNF x 3/4 in., special--release lever height, 926807

3шт.

20

K906200

DISC

- separator plate

1шт.

21

K919015

CLUTCH

- driveshaft--6-speed

1шт.

21

K917750

CLUTCH ASSEMBLY

- driveshaft--12-speed

1шт.

22

K917780

CASTING

- drum--clutch stop

1шт.

23

K914080

SPLINED COUPLING

COUPLING - splined, muff, 6-speed

1шт.

24

K12922

RING, SNAP

SNAP RING - circlip, 1 3/4 in., ext.

1шт.

25

K89333

WASHER

- felt

1шт.

27

K900359

SPRING

- clip--bearing carrier

2шт.

28

K911906

SUPPORT

- snout--bearing carrier

1шт.

29

K620033

BALL

- bearing

1шт.

30

K621430

CIRCLIP

- 75 mm. int.

1шт.

31

K24865

O-RING

- 3 3/8 in. int. dia.

1шт.

32

K24866

KEY

- 3/16 x 5/32 x 1 1/4 in.

1шт.

33

K926599

BEARING

- thrust carrier

1шт.

34

K600085

BEARING

- thrust

1шт.

35

K89336

SPRING

- clutch fork

1шт.

Выбрано товаров: 41