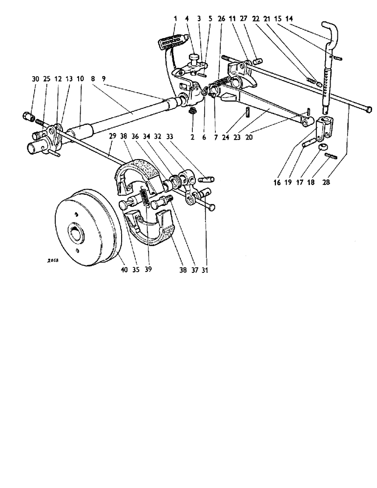
Запчасти Case IH 880A (076) - FOOT AND HAND BRAKES, FOUR-WHEEL BRAKES, OPTIONAL EQUIPMENT, REAR WHEEL BRAKES (5.1) - BRAKES

Схема запчастей Case IH 880A - (076) - FOOT AND HAND BRAKES, FOUR-WHEEL BRAKES, OPTIONAL EQUIPMENT, REAR WHEEL BRAKES (5.1) - BRAKES
22
33
14
10
29
34
8
37
9
28
30
40
1
38
3
15
36
31
20
32
26
35
24
18
13
38
4
16
6
27
19
2
5
17
23
25
12
11
21
39
7
FIT
1:1
100%

Артикул

Название

Примечание

Количество

1

K972487

BRAKE

- pedal

1шт.

2

K971938

PLUG

- 1/4 BSP

1шт.

219-8

LUBE NIPPLE,1/4" - 28 NPTF

NIPPLE, LUBE, , ANF 1/4"-28 NPT x .54" lg

2шт.

3

K971933

BEAM

- compensator

1шт.

4

K971934

PIN

1шт.

5

K19562

GROOVED PIN,3/16" x 1 1/4", Type A

Pin, Grooved, , Mills 3/16" x 1 1/4", Type A

1шт.

6

K971939

SHIM

Spring anchor

1шт.

7

K602803

BOLT

- setscrew, 5/16 UNC x 3/4 in.

1шт.

K19481

SPRING WASHER

WASHER - lock, spring, 5/16 in.

1шт.

8

K971930

SHAFT

- cross

1шт.

9

K971931

TUBE

- distance, right-hand

1шт.

10

K904355

TUBE

- distance, left-hand

1шт.

11

K971941

LEVER - right-hand

1шт.

12

K903139

LEVER

- left-hand

1шт.

13

K623732

PIN

- Mills, 3/8 x 2 in.

2шт.

14

K909587

LEVER

- hand

1шт.

15

K623892

PIN

- spring, 5/16 x 1 1/2 in.

1шт.

16

K912780

FORK

1шт.

17

K65784

WASHER

- spherical

1шт.

18

K623895

PIN

- spring, 5/16 x 2 in.

1шт.

19

K904356

PIN

- fork

1шт.

20

K623940

PIN

- spring, 5/32 x 1 in.

1шт.

21

K909588

PAWL

1шт.

22

K14651

SPRING

1шт.

23

K971940

LEVER - operating, hand brake

1шт.

24

K606170

SCREW

GRUBSCREW - 7/16 UNC

1шт.

425-147

JAM NUT,Jam, 7/16"-14, G5

LOCKNUT - 7/16 UNC

1шт.

25

K38639

PIN

- cross shaft lever

1шт.

26

K14809

SPRING

- return

2шт.

27

K14744

PIN

- cross shaft lever

1шт.

28

K971942

SPARE PART

BRAKE - rod, right-hand

1шт.

29

K904362

NO LONGER SERVICED

BRAKE - rod, left-hand

1шт.

30

K607504

NUT

- adjusting, 3/8 UNC

2шт.

280136

NUT,3/8"-16, G8

2шт.

31

K14744

PIN

- cam lever

2шт.

32

K30833

LEVER

- cam, left-hand

1шт.

K86343

LEVER

- cam, right-hand

1шт.

33

K609425

LARGE PIN

PIN - cotter, 3/8 UNC

2шт.

K19472

WASHER

- 3/8 in.

2шт.

K11522

WASHER

- shakeproof, 3/8 in.

2шт.

280136

NUT,3/8"-16, G8

2шт.

34

K85417

SEAL

- dirt excluder

2шт.

35

K30832

BRAKE

- camshaft, left-hand

1шт.

K30831

BRAKE

- camshaft, right-hand

1шт.

36

K30835

BUSHING

- axle case

4шт.

37

K906002

PIN

- large, fulcrum

2шт.

K19485

WASHER

- spring, 5/8 in.

2шт.

38

K903806

BRAKE ASSY.

- shoe and lining assembly (replaces 909957)

4шт.

K903512

BRAKE SHOE

SHOE - brake (replaces 905264) 903806

1шт.

K903511

LINING

- brake 903806

1шт.

K13048

RIVET

- 3/16 x 7/8 in. 903806

4шт.

K624014

RIVET

- 3/16 x 5/8 in. 903806

4шт.

39

K63462

SPRING

- brake shoes

4шт.

40

K905641

BRAKE

- drum

2шт.

K960595

PADDING

- brake lining (4) and rivet pack (for 903512 shoes)

1шт.

K962283

BRAKE

- lining (4) and rivet pack (for 905264 shoes)

1шт.

Выбрано товаров: 56