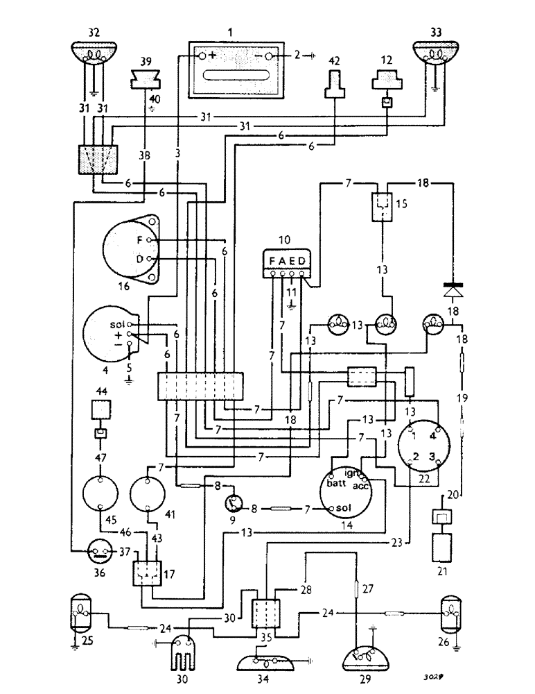
Запчасти Case IH 880B (112) - ELECTRICAL EQUIPMENT, TRACTOR 544392 ONWARD (06) - ELECTRICAL SYSTEMS

Схема запчастей Case IH 880B - (112) - ELECTRICAL EQUIPMENT, TRACTOR 544392 ONWARD (06) - ELECTRICAL SYSTEMS
30
38
28
6
46
19
34
6
20
13
5
6
7
7
7
1
26
44
18
31
7
8
24
18
23
13
13
31
1
13
13
35
47
37
42
40
9
13
29
11
2
12
13
7
2
7
6
7
45
31
3
41
16
6
43
18
24
8
10
32
6
36
18
4
14
7
6
33
4
7
27
7
30
39
21
15
25
31
7
22
3
17
6
FIT
1:1
100%

Артикул

Название

Примечание

Количество

1

K907789

BATTERY

BATTERY - 12 volt (Exide 6/TXMZ 15L)

1шт.

K909819

NO LONGER SERVICED

COVER - battery

1шт.

K909760

CLAMP

CLAMP - battery fixing to main frame

1шт.

K908394

BUSHING

SPARE PART BUSHING - seating pad battery fixing to main frame

1шт.

K909818

STUD

STUD - clamping battery fixing to main frame

2шт.

K24892

RATCHET

RATCHET - plate, 1/4 in. battery fixing to main frame

2шт.

K19435

NUT

NUT - wing, 1/4 BSF battery fixing to main frame

2шт.

K626341

SPRING WASHER

WASHER - lock, spring, 1/4 in. battery fixing to main frame

2шт.

K19470

WASHER

WASHER - 1/4 in. battery fixing to main frame

2шт.

K923772

PACKING

PACKING - piece battery fixing to main frame

2шт.

K628100

PLUG

PLUG - screw, 7/16 UNC battery fixing to main frame

2шт.

2

K913945

CABLE

CABLE -, Serial Range: battery-earth

1шт.

K602840

SCREW

SETSCREW - 5/16 UNC x 1/2 in. cable to earth fixing strap

1шт.

K11517

WASHER

WASHER - spring, 1/4 in. cable to earth fixing strap

1шт.

9635082

NUT,5/16" - 18, Gr 5

NUT - 5/16 UNC cable to earth fixing strap

1шт.

3

K914193

CABLE

CABLE -, Serial Range: battery-starter

1шт.

K621641

CLIP

CLIP

1шт.

K602701

BOLT

BOLT - setscrew, 1/4 UNC x 1/2 in.

1шт.

K19480

SPRING WASHER

WASHER - spring, 1/4 in.

1шт.

K15518

CLAMP

CLAMP - clip

1шт.

K87560

CONTACT HOUSING

TERMINAL CONNECTOR - rubber cover--starter

1шт.

4

K913007

X

STARTER

1шт.

413-618

BOLT,Hex, 3/8" - 16 x 1-1/8", Gr 5

SETSCREW - 3/8 UNC x 1 1/8 in. starter to engine

3шт.

K19482

SPRING WASHER

WASHER - spring, 3/8 in., Serial Range: starter-engine

3шт.

5

K918762

CABLE

CABLE -, Serial Range: starter-earth

1шт.

6

K920911

HARNESS

HARNESS - wiring, with half eight-way connector

1шт.

K621600

CLIP

CLIP - nylastic

1шт.

K614945

SCREW

SCREW - No. 10 UNF x 5/8 in.

1шт.

K626340

RING

RING - spring washer, 3/16 in.

1шт.

K617080

NUT

NUT - No. 10 UNF

1шт.

K921276

CONDUIT

CONDUIT

1шт.

K82317

GROMMET

GROMMET

2шт.

K89523

BRACKET

BRACKET - clip, Serial Range: conduit-engine

1шт.

K602738

SCREW

SETSCREW - 1/4 UNC x 3/8 in. conduit to engine (replaces 602700)

1шт.

K19480

SPRING WASHER

WASHER - spring, 1/4 in., Serial Range: conduit-engine

1шт.

K926996

CONDUIT

CONDUIT

1шт.

K82317

GROMMET

GROMMET

2шт.

K621618

CLIP

CLIP - conduit to exhaust manifold stud

1шт.

K19482

SPRING WASHER

WASHER - lock, spring, 3/8 in. conduit to exhaust manifold stud

1шт.

280136

NUT,3/8"-16, G8

NUT, , Conduit to exhaust manifold stud 3/8"-16, G8

1шт.

K19929

BUCKLE

BUCKLE - clip

1шт.

K621600

CLIP

CLIP - nylastic

1шт.

K12121

SCREW

SCREW - 2 BA x 1/2 in.

1шт.

K626340

RING

RING - spring washer, 3/16 in

2шт.

K11109

NUT

NUT - 2 BA

2шт.

7

K920912

HARNESS

HARNESS - wiring, with half eight-way connector

1шт.

K621609

CLIP

CLIP - harness to regulator bracket 547055 onward

1шт.

K923361

CABLE

CABLE - lead--safety switch 547055 onward

1шт.

K916749

NEUTRAL START SWITCH

SWITCH - safety, starter (plunger, 547055 onward type)

1шт.

K923272

MOUNTING PARTS

SPARE PART MOUNTING PARTS - bracket 547055 onward

1шт.

K602735

SCREW

SETSCREW - 1/4 UNC x 3/4 in. 547055 onward

2шт.

K19470

WASHER

WASHER - 7/16 in. 547055 onward

2шт.

K923273

PLUNGER

PLUNGER - 547055 onward

1шт.

K921193

SEAL

SEAL - dirt excluder 547055 onward

1шт.

8

K920928

NO LONGER SERVICED

LEAD - safety switch, Serial Range: 544392-547054

2шт.

9

K918672

NEUTRAL START SWITCH

SWITCH - safety, starter, Serial Range: 544392-547054

1шт.

K626732

NO LONGER SERVICED

PIECE - distance, switch to tank support, Serial Range: 544392-547054

1шт.

K19393

SPARE PART SETSCREW - 4 BA x 3/4 in. switch to tank support, Serial Range: 544392-547054

2шт.

K623493

NUT - 4 BA switch to tank support, Serial Range: 544392-547054

2шт.

K11885

SPRING

SPRING - washer, 1/8 in. switch to tank support, Serial Range: 544392-547054

2шт.

K920281

CLUTCH

CLUTCH - peg, Serial Range: 544392-547054

1шт.

K19482

SPRING WASHER

WASHER - spring, 3/8 in., Serial Range: 544392-547054

1шт.

K918619

SPARE PART LEVER -, Serial Range: 544392-547054

1шт.

K918620

SPARE PART ROD - pull, Serial Range: 544392-547054

1шт.

K625108

SPRING

SPRING -, Serial Range: 544392-547054

1шт.

K19470

WASHER

WASHER - 1/4 in., Serial Range: 544392-547054

1шт.

K11934

PIN

PIN - split, 1/16 x 1/2 in., Serial Range: 544392-547054

2шт.

K928729

REGULATOR

REGULATOR - 22 amp dynamo

1шт.

10

K908901

REGULATOR

REGULATOR - 11 amp dynamo

1шт.

K603926

SCREW

SCREW - 1/4 UNC x 3/4 in., Serial Range: regulator-bracket

2шт.

K626341

SPRING WASHER

WASHER - lock, spring, 1/4 in., Serial Range: regulator-bracket

2шт.

K607043

NUT

NUT - 1/4 UNC, Serial Range: regulator-bracket

2шт.

11

K924142

CABLE

CABLE - lead--regulator to earth (replaces 921174)

1шт.

K925268

BLADE

BLADE -, Serial Range: connector--lead-earth

1шт.

12

K903851

PRESSURE SWITCH

CONNECTION - electric, switch--oil warning light

1шт.

K915148

NO LONGER SERVICED

COVER - oil warning switch

1шт.

13

K920913

HARNESS

HARNESS - wiring, instrument panel

1шт.

14

K920923

IGNITION SWITCH

SWITCH - ignition, isolating and starter (Lucas 54324154/128SA)

1шт.

K962338

KEY

KEY

1шт.

15

K86230

CONNECTOR, ELEC

CONNECTOR CONNECT0R - double

2шт.

K928643

GENERATOR

GENERATOR - dynamo (Lucas C40T), 22 amp U1317 (925869) (optional equipment)

1шт.

C7NN10000CLPR

REMAN-GENERATOR

Remanufactured Generator, 12 volt 22 ampere

1шт.

C7NN10000CLPC

CORE-GENERATOR

Return Number, Generator, 12 volt 22 ampere

1шт.

K928658

FAN

FAN - U1317 (925869) (optional equipment)

1шт.

K928717

GUARD

GUARD - pulley U1317 (925869) (optional equipment)

1шт.

K928718

SPARE PART COVER - U1317 (925869) (optional equipment)

1шт.

K13095

CLIP

CLIP - hose, 4 in. dia. U1317 (925869) (optional equipment)

1шт.

16

K913986

NO LONGER SERVICED

DYNAMO - (Lucas C40A), 11 amp

1шт.

K914251

ADJUSTER

ADJUSTER - strap

1шт.

280345

BOLT,Hex, 5/16" - 18 x 7/8", Gr 5, Full Thd

SETSCREW - 5/16 UNC x 7/8 in. adjuster strap

1шт.

K902420

NO LONGER SERVICED

WASHER - 5/16 in. adjuster strap

1шт.

K19481

SPRING WASHER

WASHER - lock, spring, 5/16 in adjuster strap

1шт.

K912758

BRACKET

BRACKET - support

1шт.

K602902

SCREW

SETSCREW - 3/8 UNC x 3/4 in. bracket to cylinder block

2шт.

K19482

SPRING WASHER

WASHER - lock, spring, 3/8 in. bracket to cylinder block

2шт.

9635884

BOLT,Hex, 5/16" - 18 1", Full Thd, Gr 5

SETSCREW - 5/16 UNC x 1 in. bracket to dynamo

2шт.

9635082

NUT,5/16" - 18, Gr 5

NUT - 5/16 UNC bracket to dynamo

2шт.

K19481

SPRING WASHER

WASHER - spring, 5/16 in., Serial Range: bracket-dynamo

2шт.

K900757

PULLEY

PULLEY - dynamo

1шт.

K925309

CONNECTOR, ELEC

CONNECTOR CONNECTOR - four-way

1шт.

17

K908905

CONNECTOR, ELEC

CONNECTOR CONNECT0R - three-way

2шт.

18

K921439

HARNESS

HARNESS - wiring, oil filter warning light

1шт.

19

K923724

ELECTRICAL WIRE

WIRE WIRE - lead--connector to warning light

1шт.

20

K923723

NO LONGER SERVICED

LEAD -, Serial Range: switch-connector

1шт.

K621665

CLIP

CLIP - lead to PTO flange

3шт.

21

K921317

SENDER UNIT

SWITCH - oil filter warning light

1шт.

K923874

COVER

COVER - switch

1шт.

K928304

SHIM

SHIM - guard--switch

1шт.

22

K912388

IGNITION SWITCH

SWITCH - ignition, lighting (Lucas 54033351) 5-position

1шт.

23

K923775

ELECTRICAL WIRE

WIRE WIRE -, Serial Range: lead--switch-connector

1шт.

K86230

CONNECTOR, ELEC

CONNECTOR CONNECTOR - double

1шт.

24

K925196

NO LONGER SERVICED

LEAD - (side/rear lamp, Serial Range: left-hand)--connector-lamps

1шт.

24

K925197

NO LONGER SERVICED

LEAD - (side/rear lamp, Serial Range: right-hand)--connector-lamps

1шт.

K925176

COVER

COVER

1шт.

K615404

SCREW

SCREW - No. 10 UNF x 1/2 in. cover to cable guard

1шт.

K626340

RING

RING - spring washer, 3/16 in. cover to cable guard

1шт.

K617080

NUT

NUT - No. 10 UNF cover to cable guard

1шт.

25

K921080

STOP LIGHT

LIGHT - stop, side/rear lamp, left-hand see Fig. 120

1шт.

26

K921079

LAMP

LAMP - side/rear, right-hand see Fig. 120

1шт.

*

BULB - 12 volt, 6 watt, double contact

2шт.

K615404

SCREW

SCREW - No. 10 UNF x 1/2 in. (replaces 614943)

4шт.

K617080

NUT

NUT - No. 10 UNF

4шт.

K11519

WASHER

LOCKWASHER - 3/16 in.

4шт.

K925168

CABLE

CABLE - tube, left-hand (replaces 920927)

1шт.

K925167

CABLE

CABLE - tube, right-hand (replaces 920926)

1шт.

27

K67916

ELEC CONNECTOR

CONNECTOR - single

1шт.

28

K920924

CABLE

CABLE -, Serial Range: lead--connector-floodlamp

1шт.

K19930

GROMMET,3/8" ID x 5/8" Groove Dia

GROMMET

1шт.

K24589

GROMMET

GROMMET

2шт.

29

K921081

LAMP

FLOODLAMP - rear (see Fig. 120)

1шт.

*

BULB - pre-focus, 28 mm., 12 volt, 36 watt

1шт.

30

K921077

SOCKET/RECEPTACLE

SOCKET - receptacle, trailer connection

1шт.

K960896

SPARE PART PLUG - trailer socket

1шт.

K603924

SCREW

SCREW - 1/4 UNC x 1/2 in.

1шт.

K607043

NUT

NUT - 1/4 UNC

1шт.

K626341

SPRING WASHER

WASHER - lock, spring, 1/4 in.

1шт.

31

K921073

ELECTRICAL WIRE

WIRE WIRE - lead--connector to headlamps double filament lamps

1шт.

K919114

CLIP

CLIP - leads to bonnet double filament lamps

6шт.

K915874

HEADLAMP

HEADLAMP - 12 volt, 40/40 watt, double filament lamps sealed beam unit (see Fig. 120)

2шт.

K920948

NO LONGER SERVICED

LEAD - connector to headlamps single filament headlamps

1шт.

K903822

WASHER

WASHER - clip--leads to bonnet single filament headlamps

9шт.

K915141

LAMP

HEADLAMP - 12 volt, 35 watt, sealed, single filament headlamps beam unit (see Fig. 120)

2шт.

K914196

ELECTRICAL WIRE

WIRE WIRE - lead--headlamp to earth single filament headlamps

2шт.

K921072

HARNESS

HARNESS - lead--connector to headlamps side-mounted headlamps

1шт.

K903822

WASHER

WASHER - clip--headlamps to bonnet side-mounted headlamps

4шт.

K919114

CLIP

CLIP - side-mounted headlamps

4шт.

32

K921082

LAMP

HEADLAMP - left-hand see Fig. 120 side-mounted headlamps

1шт.

33

K921083

LAMP

HEADLAMP - right-hand see Fig. 120 side-mounted headlamps

1шт.

*

BULB - pre-focus, 28 mm., 12 volt, side-mounted headlamps 35/35 watt

2шт.

34

K82303

SPARE PART

LAMP - number plate, U1013 (918299) (rear number plate lamp--standard seat)

1шт.

*

BULB - 12 volt, 6 watt, single, U1013 (918299) (rear number plate contact lamp--standard seat)

1шт.

K12355

NUT

NUT - domed, 2 BA, U1013 (918299) (rear number plate lamp--standard seat)

2шт.

K902460

SUPPORT

SUPPORT - bracket, U1013 (918299) (rear number plate lamp--standard seat)

1шт.

K603924

SCREW

SCREW - 1/4 UNC x 1/2 in. bracket to, U1013 (918299) (rear number plate seat lamp--standard seat)

3шт.

K607043

NUT

NUT - 1/4 UNC bracket to seat, U1013 (918299) (rear number plate lamp--standard seat)

3шт.

K626341

SPRING WASHER

WASHER - lock, spring, 1/4 in. bracket to, U1013 (918299) (rear number plate seat lamp--standard seat)

3шт.

35

K921078

COIL

COIL - lead--connector to number plate, U1013 (918299) (rear number plate lamp--standard seat)

1шт.

K621644

CLIP

CLIP - lead to seat, U1013 (918299) (rear number plate lamp--standard seat)

1шт.

K19930

GROMMET,3/8" ID x 5/8" Groove Dia

GROMMET - seat, U1013 (918299) (rear number plate lamp--standard seat)

1шт.

K921076

PLATE

PLATE - number lamp, U1014 (918300) (rear number plate lamp--super comfort suspension seat)

1шт.

*

BULB - 12 volt, 6 watt, single, U1014 (918300) (rear number plate contact, lamp--super comfort suspension seat)

1шт.

K913984

PLATE

PLATE - number, U1014 (918300) (rear number plate lamp--super comfort suspension seat)

1шт.

K603926

SCREW

SCREW - 1/4 UNC x 3/4 in., U1014 (918300) (rear number plate lamp--super comfort suspension seat)

2шт.

K607043

NUT

NUT - 1/4 UNC, U1014 (918300) (rear number plate lamp--super comfort suspension seat)

2шт.

K626341

SPRING WASHER

WASHER - spring, 1/4 in., U1014 (918300) (rear number plate lamp--super comfort suspension seat)

2шт.

K903822

WASHER

WASHER - clip--lead to number plate, U1014 (918300) (rear number plate lamp--super comfort suspension seat)

1шт.

K621644

CLIP

CLIP - lead to seat (replaces, U1014 (918300) (rear number plate 621642), lamp--super comfort suspension seat)

1шт.

86625206

SCREW,Phillips Drive, Pan HD, #10 - 32 x 1/2"

SCREW - No. 10 UNF x 1/2 in., U1014 (918300) (rear number plate lamp--super comfort suspension seat)

1шт.

K617080

NUT

NUT - No. 10 UNF, U1014 (918300) (rear number plate lamp--super comfort suspension seat)

1шт.

K626340

RING

RING - spring washer, 3/16 in., U1014 (918300) (rear number plate lamp--super comfort suspension seat)

1шт.

36

K928180

SWITCH

SWITCH - horn push, U1006 (918291) (electric horn), replaces 603924

1шт.

K928150

BOOT

BOOT - rubber cover horn push to, U1006 (918291) (electric horn) instrument panel, replaces 603924

1шт.

K928149

WASHER

WASHER - 3/4 in. horn push to, U1006 (918291) (electric horn) instrument panel, replaces 603924

1шт.

K928148

SPRING

SPARE PART SPRING - washer, 3/4 in. horn push to, U1006 (918291) (electric horn) instrument panel, replaces 603924

1шт.

K928147

SPARE PART NUT - 3/4 UNF horn push to, U1006 (918291) (electric horn) instrument panel, replaces 603924

1шт.

37

K921128

ELECTRICAL WIRE

WIRE WIRE - lead--horn push to connector, U1006 (918291) (electric horn), replaces 603924

1шт.

38

K920916

SPARE PART

LEAD - horn push to horn, U1006 (918291) (electric horn), replaces 603924

1шт.

39

K907861

NO LONGER SERVICED

HORN - bracket, U1006 (918291) (electric horn), replaces 603924

1шт.

88542

BOLT,Hex, 1/4"-20 x 1/2", Gr 5

SCREW - 1/4 UNC x 1/2 in. horn, U1006 (918291) (electric horn) bracket to fuel tank support--front, replaces 603924

2шт.

K626341

SPRING WASHER

WASHER - lock, spring, 1/4 in. horn bracket, U1006 (918291) (electric horn) to fuel tank support--front, replaces 603924

2шт.

40

K908902

WIRE

LEAD - horn to earth, U1006 (918291) (electric horn), replaces 603924

1шт.

41

K921148

ELECTRICAL GAUGE

GAUGE - electrical, temperature U1005 (918290) (thermometer)

1шт.

42

K921149

TEMPERATURE SENDER

GAUGE - electrical, sender U1005 (918290) (thermometer)

1шт.

K626444

WASHER

WASHER - copper, 3/8 in. U1005 (918290) (thermometer)

1шт.

43

K921128

ELECTRICAL WIRE

WIRE WIRE - lead--gauge to connector U1005 (918290) (thermometer)

1шт.

44

K916635

SENDER UNIT

SENDER SENDER UNIT - tank

1шт.

45

K921147

ELECTRICAL GAUGE

GAUGE - electrical, fuel

1шт.

46

K921128

ELECTRICAL WIRE

WIRE WIRE -, Serial Range: lead--connector-gauge

1шт.

47

K920915

NO LONGER SERVICED

LEAD - fuel gauge to tank unit

1шт.

Выбрано товаров: 189