Запчасти Case IH 880F (40) - OIL FILTER AND PIPES, HYDRAULIC LIFT (07) - HYDRAULIC SYSTEM

Схема запчастей Case IH 880F - (40) - OIL FILTER AND PIPES, HYDRAULIC LIFT (07) - HYDRAULIC SYSTEM
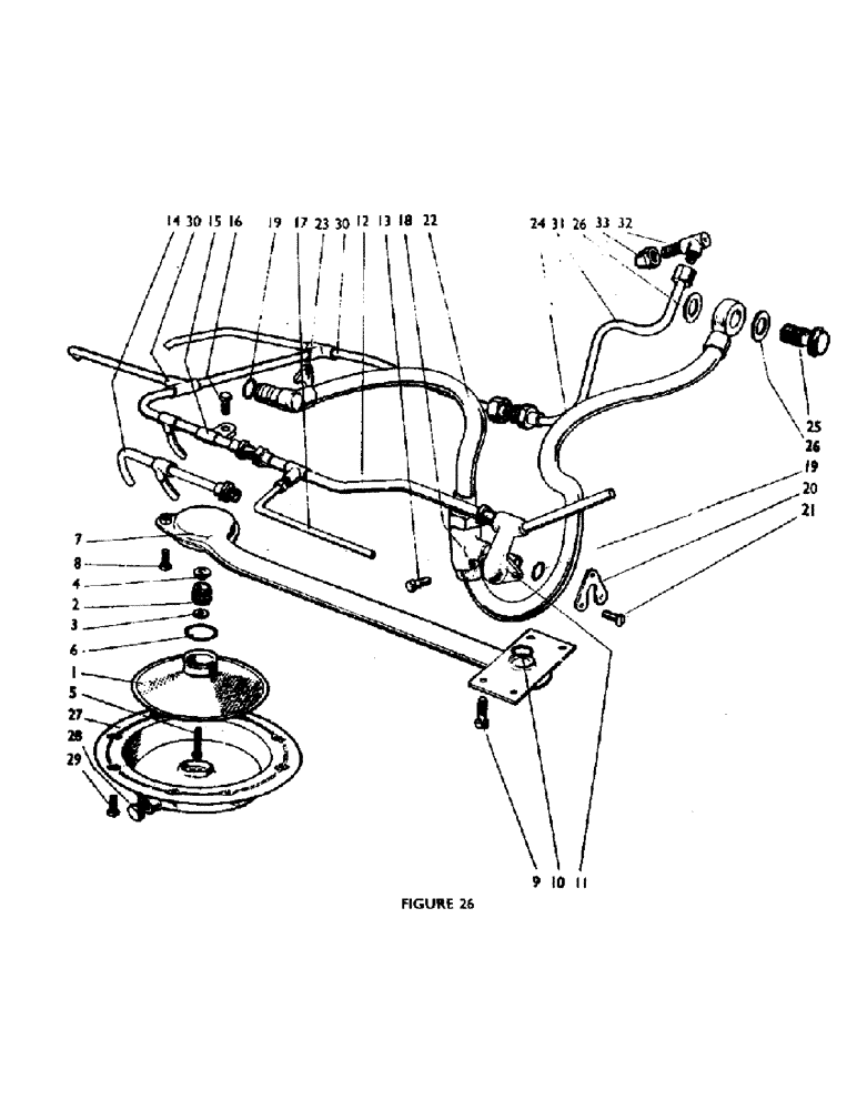
27
9
21
6
26
30
12
1
31
17
8
7
5
16
3
4
29
19
14
11
23
26
25
10
15
19
2
32
20
30
28
22
13
18
24
33
FIT
1:1
100%

Артикул

Название

Примечание

Количество

K961026

SUMP

OIL FILTER (complete), Includes: Ref. 1 - 5A

1шт.

1

K906861

FILTER

GAUZE

1шт.

2

K904390

PLUG

MAGNETIC FILTER

1шт.

3

K904389

BUSHING

DISTANCE PIECE

1шт.

4

K904388

WASHER

LOCATING WASHER

1шт.

5

K624300

SCREW

rd. hd., 2 BA x 1 1/2 in.

1шт.

5a

K623002

LOCK NUT

NYLOC NUT, 2 BA

1шт.

6

293739R1

O-RING,0.139" Thk x 1.359" ID, -220, Cl 5, 75 Duro

O' RING

1шт.

7

K906862

OIL RESERVOIR

OIL SUCTION PIPE

1шт.

8

353680X1

SCREW

SETSCREW, 5/16 UNC x 1 1/8 in.

1шт.

492-11031

LOCK WASHER,5/16"

WASHER, LOCK, 5/16"

1шт.

9

K12131

BOLT

1/4 BSF x 9/16 in.

4шт.

K19480

SPRING WASHER

SPRING WASHER, 1/4 in.

4шт.

10

K15596

RING,3.63mm Thk x 31.34mm ID

O' RING

1шт.

11

K906787

FITTING

ELBOW AND PIPE-to PTO

1шт.

K906789

PIPE-elbow to union 12-speed gearbox

1шт.

12

K909995

PIPE-elbow to union 6-speed gearbox

1шт.

K11904

FERRULE

OLIVE, 1/2 in. dia. pipe (elbow to union pipe)

1шт.

K617953

TUBE NUT

TUBING NUT (elbow to union pipe)

1шт.

13

K966398

SCREW

SETSCREW, 1/4 UNC x 5/8 in.

20шт.

K19480

SPRING WASHER

SPRING WASHER, 1/4 in.

2шт.

14

K913367

PIPE-gearbox lubrication 6-speed gearbox

1шт.

15

K621614

PIPE CLIP

1шт.

K19480

SPRING WASHER

SPRING WASHER, 1/4 in.

1шт.

16

K602701

BOLT

SETSCREW, 1/4 UNC x 1/2 in.

1шт.

17

K80297

LUBRICATION PIPE-tee piece to ram cylinder, Includes: Ref. 17A & 17B

1шт.

17a

222-652

SLEEVE,1/4" Tube, Comp

OLIVE, 1/4 in. dia. pipe

1шт.

17b

K617950

NIPPLE, LUBE

TUBING NUT, 7/16 UNF

1шт.

18

K89127

, Serial Range: CONNECTOR-pipes-pump

1шт.

19

606271C1

O-RING,0.103" Thk x 0.612" ID, -114, Cl 6, 90 Duro

O' RING

2шт.

20

K89170

SHIM

CLAMPING PLATE

1шт.

21

K604005

SCREW

c'sk. 1/4 UNC x 3/4 in.

3шт.

22

K913671

, Serial Range: PIPE-connector-cylinder

1шт.

23

K910105

WASHER

CLAMPING PLATE

1шт.

K604004

SCREW

c'sk. 1/4 UNC x 5/8 in.

2шт.

24

K910808

NO LONGER SERVICED

, Serial Range: PIPE-connector-valve

1шт.

25

K67801

NIPPLE, LUBE

BANJO BOLT, 3/4 BSP

1шт.

26

K626315

WASHER

SEALING WASHER

2шт.

27

K904222

COVER

REAR SUMP COVER

1шт.

K906764

GASKET

1шт.

28

K19581

PLUG

DRAIN PLUG

1шт.

K262846

GASKET

WASHER, 1/4 BSP

1шт.

29

413-510

BOLT,Hex, 5/16" - 18 x 5/8", Gr 5

SETSCREW, 5/16 UNC x 5/8 in.

8шт.

492-11031

LOCK WASHER,5/16"

WASHER, LOCK, 5/16"

8шт.

30

K908964

ASSEMBLY

PIPE-gearbox lubrication 12-speed gearbox

1шт.

K621612

CLIP

PIPE CLIP 12-speed gearbox

1шт.

K602700

SCREW,1/4" - 20 x 3/8"

SETSCREW, 1/4 UNC x 3/8 in. 12-speed gearbox

1шт.

K19480

SPRING WASHER

SPRING WASHER, 1/4 in. 12-speed gearbox

1шт.

31

K908974

PIPE-special union to pipe 908964 12-speed gearbox

1шт.

32

K908969

SPECIAL UNION 12-speed gearbox

1шт.

33

K607511

NUT

SPECIAL NUT 12-speed gearbox

1шт.

K909093

OIL RESTRICTOR 12-speed gearbox

1шт.

K621614

PIPE CLIP 12-speed gearbox

1шт.

K625000

CLIP

PIPE CLIP 12-speed gearbox

1шт.

K602701

BOLT

SETSCREW, 1/4 UNC x 1/2 in. 12-speed gearbox

2шт.

K19480

SPRING WASHER

SPRING WASHER, 1/4 in. 12-speed gearbox

2шт.

K908580

RESTRICTOR PLATE-special elbow 12-speed gearbox

1шт.

Выбрано товаров: 57