Запчасти Case IH 880F (46) - RAMSHAFT BRACKET AND HOLD MECHANISM (07) - HYDRAULIC SYSTEM

Схема запчастей Case IH 880F - (46) - RAMSHAFT BRACKET AND HOLD MECHANISM (07) - HYDRAULIC SYSTEM
15
33
5
28
36
30
18
21
32
10
9
22
37
34
35
29
27
17
6
19
4
31
25
8
16
24
12
26
7
25
23
14
2
13
11
20
3
FIT
1:1
100%

Артикул

Название

Примечание

Количество

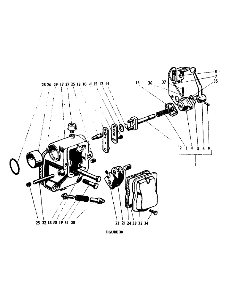
1

K909876

SELECTOR

OVERRIDE CONTROL ASSEMBLY, Includes: Ref 2 - 9C

1шт.

2

K903400

LARGE PIN

DOG CLUTCH

1шт.

3

K625123

SPRING

1шт.

4

K909562

HOUSING

1шт.

5

252739R1

O-RING,0.103" Thk x 0.487" ID, -112, Cl 5, 75 Duro

O' RING

1шт.

6

K909560

SELECTOR

OVERRIDE LEVER

1шт.

7

K909561

SUPPORT ASSY.

BRACKET

1шт.

8

K909987

CLIP

ANCHOR BRACKET

1шт.

9

438-11214

LOCK PIN,4.76mm OD x 22.23mm L, Slotted

SPRING DOWEL, 3/16 in.

1шт.

9a

K909992

SPRING CLIP-anchor bracket

1шт.

9b

25077R1

LOCK NUT,5/16"-18, GB

NUT, LOCK, 5/16"-18, GB

1шт.

9c

K626682

WASHER

5/16 in.

1шт.

10

K906418

HAMMER

STRIKER

1шт.

11

K903464

PLATE

LOCATING PLATE

1шт.

12

K966981

WASHER

RETAINING WASHER

10шт.

13

K903407

PIN

EXTENSION (part of ramshaft assembly)

1шт.

14

100-3350

SNAP RING,#50, .392" Dia, E-Type

RING, RETAINING, #50, .392" Dia, E-Type

1шт.

15

K610102

BOLT

WEDGLOK BOLT, 1/4 UNF x 9/16 in.

1шт.

K626662

WASHER

1/4 in.

1шт.

16

K903412

GASKET

1шт.

K905693

RAMSHAFT BRACKET ASSEMBLY, Includes: Ref. 17 - 28

1шт.

17

K906530

RAMSHAFT BRACKET

1шт.

18

K903356

INNER SHOE

INNER PLUNGER

1шт.

19

K625062

SPRING

1шт.

20

K903355

OUTER PLUNGER

1шт.

21

K903357

OPERATING LEVER

1шт.

22

K903014

PIVOT ASSY.

PIVOT PIN-operating lever

1шт.

23

K966016

SCREW

GRUB SCREW

10шт.

24

K903370

PIN

-operating lever

1шт.

25

K606070

GRUB SCREW, 7/16 UNC x 1/4 in.

2шт.

26

K30126

BEARING

1шт.

27

K910426

NO LONGER SERVICED

BREATHER

1шт.

K966214

WASHER

FIBRE WASHER

10шт.

28

K623538

O-RING,6.99mm Thk x 50.16mm ID, 60 Duro

O' RING

1шт.

29

K36310

GASKET

1шт.

30

413-880

BOLT,Hex, 1/2" - 13 x 5", Gr 5

1/2 UNC x 5 in.

2шт.

31

413-844

BOLT,Hex, 1/2" - 13 x 2-3/4", Gr 5

1/2 UNC x 2 3/4 in.

2шт.

K626555

WASHER

LOCKWASHER, 1/2 in.

4шт.

32

K910804

COVER

1шт.

33

K910805

MISC PACKAGING

GASKET-cover

1шт.

34

K602701

BOLT

SETSCREW, 1/4 UNC x 1/2 in.

2шт.

K19480

SPRING WASHER

SPRING WASHER, 1/4 in.

2шт.

35

K604005

SCREW

1/4 UNC x 3/4 in.

2шт.

36

211-1008

BALL,1/4" Dia

1шт.

37

K966261

SPRING

10шт.

Выбрано товаров: 0