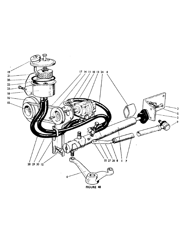
Запчасти Case IH 880UE (72) - POWER ASSISTED STEERING (U599), (OPTIONAL EQUIPMENT) Steering & Front Axle

Схема запчастей Case IH 880UE - (72) - POWER ASSISTED STEERING (U599), (OPTIONAL EQUIPMENT) Steering & Front Axle
5
22
10
24
1
29
3
8
23
20
21
6
18
13
12
15
9
16
30
27
14
2
17
11
28
4
19
7
25
26
FIT
1:1
100%

Артикул

Название

Примечание

Количество

K911312

NO LONGER SERVICED

POWER ASSISTED STEERING (U599) (Optional Equipment)

1шт.

1

K902357

NO LONGER SERVICED

HYDRAULIC RAM ASSEMBLY

1шт.

2

K914806

BRACKET

ANCHOR BRACKET

1шт.

3

K603274

SCREW

SETSCREW, 5/8 UNC x 1 3/8 in.

4шт.

92-11062

LOCK WASHER,5/8"

WASHER, LOCK, 5/8"

4шт.

4

K913596

SPACER 68 in. and 72 in. track settings

1шт.

413-768

BOLT,Hex, 7/16" - 14 x 4-1/4", Gr 5

7/16 UNC x 4 1/4 in. 68 in. and 72 in. track settings

4шт.

K11312

WASHER

TAPER WASHER

2шт.

5

K600704

BOLT

7/16 UNC x 2 3/8 in.

2шт.

425-107

NUT,7/16"-14, G5

7/16 UNC

2шт.

K19483

SPRING WASHER

SPRING WASHER, 7/16 in.

2шт.

6

K913924

LEVER

STEERING LEVER, left-hand

1шт.

K913594

LINK

DRAG LINK ASSEMBLY, Includes: Ref. 7 - 9

1шт.

7

K910795

LINK

DRAG LINK TUBE

1шт.

8

K913593

LARGE PIN

EYE END

1шт.

K622520

NUT

LOCK NUT, special

1шт.

9

K908071

BALL JOINT

BALL SOCKET ASSEMBLY

1шт.

K19534

PIN

SPLIT PIN, 1/8 x 1 1/4 in.

1шт.

K19530

PIN

SPLIT PIN, 3/32 x 1 in.

1шт.

10

K913627

SUPPORT BRACKET - pump

1шт.

11

353505X1

SCREW

SETSCREW, 1/4 UNF x 1 in., Serial Range: (bracket-pump)

4шт.

K19480

SPRING WASHER

SPRING WASHER, 1/4 in., Serial Range: (bracket-pump)

4шт.

12

K603274

SCREW

SETSCREW, 5/8 UNC x 1 1/2 in., Serial Range: (bracket-frame)

2шт.

92-11062

LOCK WASHER,5/8"

WASHER, LOCK, (Bracket to frame) 5/8"

2шт.

K19475

WASHER

5/8 in., Serial Range: (bracket-frame)

2шт.

13

K915578

PUMP

ASSEMBLY

1шт.

14

K913630

PULLEY

- pump

1шт.

K914787

NO LONGER SERVICED

GUARD - pulley

1шт.

K82664

KEY

1/8 x 1/8 x 13/16 in.

1шт.

15

K602883

SCREW,5/16" - 18 x 3/4", Gr V

BOLT, 5/16 UNC x 3/4 in.

1шт.

K904523

WASHER

special

1шт.

492-11031

LOCK WASHER,5/16"

WASHER, LOCK, 5/16"

1шт.

16

K913629

SPARE PART

PULLEY - crankshaft

1шт.

17

K913631

BELT

V-BELT, Drive

1шт.

18

K919650

RESERVOIR

ASSEMBLY, Includes: Ref. 19 - 21

1шт.

19

K962515

CAP

FILLER CAP AND DIPSTICK

1шт.

20

K260913

GASKET KIT

SEALING RING - cover

1шт.

21

K902187

FILTER

ELEMENT

1шт.

22

K913628

MOUNTING PARTS

SUPPORT BRACKET - reservoir

1шт.

23

413-414

BOLT,Hex, 1/4" - 20 x 7/8", Gr 5

SETSCREW, 1/4 UNC x 7/8 in. (bracket to reservoir)

3шт.

K19480

SPRING WASHER

SPRING WASHER, 1/4 in., Serial Range: (bracket-reservoir)

3шт.

K607000

NUT

1/4 UNC, Serial Range: (bracket-reservoir)

3шт.

K620010

ADAPTER

ADAPTOR - pump outlet

1шт.

K626441

WASHER

COPPER WASHER

1шт.

3045118R1

SEAL

ING WASHER

1шт.

24

K903042

HOSE

-, Serial Range: pump-ram

1шт.

25

K902096

FITTING

BANJO

1шт.

26

K902097

NO LONGER SERVICED

BANJO BOLT

2шт.

K14582

WASHER

SEALING WASHER

4шт.

27

K902098

ADAPTER

BANJO ADAPTOR

1шт.

28

K913636

HOSE

-, Serial Range: ram-reservoir

1шт.

K13069

HOSE

CLIP

2шт.

29

K913632

HOSE

-, Serial Range: reservoir-pump

1шт.

K13070

HOSE

CLIP

2шт.

30

K913708

HOSE CLIP, special

1шт.

K11730

SCREW, 2 BA x 3/8 in.

1шт.

492-11010

LOCK WASHER,#10

WASHER, LOCK, (3/16") #10

10шт.

K966014

NUT

2 BA

10шт.

K621702

CLIP

BUCKLE CLIP, 7 x 1/4 in.

1шт.

Выбрано товаров: 59