Запчасти Case IH 880UE (86) - ELECTRICAL EQUIPMENT (06) - ELECTRICAL SYSTEMS

Схема запчастей Case IH 880UE - (86) - ELECTRICAL EQUIPMENT (06) - ELECTRICAL SYSTEMS
18
6
18
6
37
41
40
18
28
6
12
6
27
25
5
29
6
2
31
16
14
30
10
17
34
24
1
23
20
26
15
42
19
7
25
17
13
19
33
6
39
26
22
11
38
7
16
9
21
20
4
14
6
3
7
36
32
31
23
8
35
26
FIT
1:1
100%

Артикул

Название

Примечание

Количество

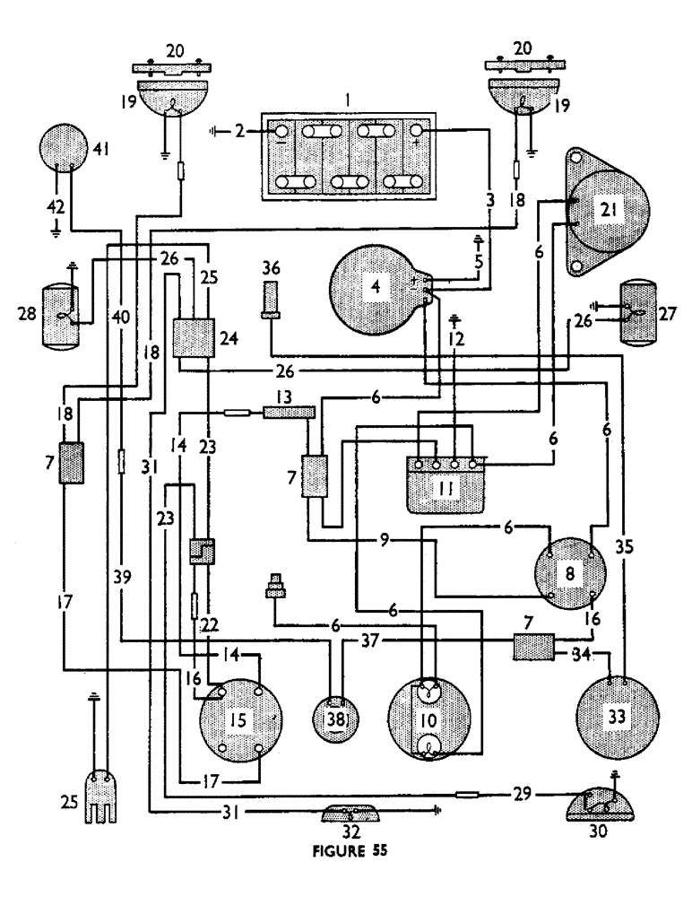
1

K302827

BATTERY

12 volt

1шт.

K911931

COVER - battery

1шт.

K909760

CLAMP

- battery

1шт.

K908394

BUSHING

SEATING PAD

1шт.

K24892

RATCHET

PLATE, 1/4 in.

2шт.

K909818

STUD

CLAMPING STUD

2шт.

K626662

WASHER

1/4 in.

2шт.

K19480

SPRING WASHER

SPRING WASHER, 1/4 in.

2шт.

K19435

NUT

WING NUT, 1/4 BSF

2шт.

2

K913945

CABLE

- battery, Serial Range: negative-earth

1шт.

K602840

SCREW

SETSCREW, 5/16 UNC x 1/2 in. (battery, Serial Range: cable-earth)

1шт.

934899R1

LOCK WASHER,8.2mm ID x 14mm OD

SHAKEPROOF WASHER, 5/16 in. (battery cable to earth)

1шт.

9635082

NUT,5/16" - 18, Gr 5

(Battery cable to earth) 5/16"-18, G5

1шт.

3

3145123R92

CABLE

- battery, Serial Range: positive-starter

1шт.

K621641

CLIP

1шт.

K602701

BOLT

SETSCREW, 1/4 UNC x 1/2 in.

1шт.

K19480

SPRING WASHER

SPRING WASHER, 1/4 in.

1шт.

515-23111

CLAMP,7/16", Insul, 3/8" Bolt

CLIP, 7/16 in.

1шт.

K87560

CONTACT HOUSING

RUBBER COVER - starter terminal

1шт.

4

K913007

X

STARTER (Lucas M45)

1шт.

413-618

BOLT,Hex, 3/8" - 16 x 1-1/8", Gr 5

SETSCREW, 3/8 UNC x 1 1/8 in.

3шт.

492-11038

LOCK WASHER,3/8"

3шт.

5

K908844

NO LONGER SERVICED

CABLE -, Serial Range: starter-earth

1шт.

K626662

WASHER

1/4 in.

1шт.

K19472

WASHER

3/8 in.

1шт.

K912380

NO LONGER SERVICED

CONDUIT

1шт.

K82317

GROMMET

- conduit

2шт.

K89523

BRACKET

CLIP, 3/4 in. (conduit attachment)

2шт.

K602700

SCREW,1/4" - 20 x 3/8"

SETSCREW, 1/4 UNC x 3/8 in. (conduit attachment)

1шт.

K966398

SCREW

SETSCREW, 1/4 UNC x 5/8 in. (conduit attachment)

10шт.

K607000

NUT

1/4 UNC ( conduit attachment)

1шт.

K19480

SPRING WASHER

SPRING WASHER, 1/4 in. (conduit attachment)

2шт.

6

K912382

CABLE

WIRING HARNESS

1шт.

K621600

CLIP

NYLASTIC CLIP

2шт.

K12121

SCREW

2 BA x 1/2 in.

1шт.

K966014

NUT

2 BA

20шт.

492-11010

LOCK WASHER,#10

WASHER, LOCK, (3/16") #10

20шт.

7

705896R1

CONNECTOR, ELEC

DOUBLE CONNECTOR

2шт.

8

3107556R93

IGNITION SWITCH

ISOLATING AND STARTER SWITCH (AC-Delco 1533514)

1шт.

K912417

KEY

- switch

2шт.

K912408

NUT

- switch retaining

1шт.

K11513

LOCKWASHER, 3/4 in.

1шт.

9

K912386

SWITCH

LEAD - isolating, Serial Range: switch-connector

1шт.

10

K908351

INDICATOR LIGHT

WARNING LIGHT (dynamo charge and oil pressure)

1шт.

K962764

BULB

12 volt, 2.4 watt MES

2шт.

11

K908901

REGULATOR

(Lucas RB108)

1шт.

K603926

SCREW

1/4 UNC x 3/4 in., Serial Range: (regulator-bracket)

2шт.

K19480

SPRING WASHER

SPRING WASHER, 1/4 in., Serial Range: (regulator-bracket)

2шт.

K607000

NUT

1/4 UNC, Serial Range: (regulator-bracket)

2шт.

12

K924142

CABLE

LEAD -, Serial Range: regulator-earth

1шт.

13

K907475

FUSE

HOLDER, Includes: Ref. 13A - 13C

1шт.

13a

K960980

HOLDER

CAP - fuse holder

1шт.

13b

K960981

SEAL

RUBBER SEAL - cap

1шт.

13c

K904459

FUSE

25 amp

1шт.

14

K912387

NO LONGER SERVICED

LEAD - fuse to lighting switch

1шт.

15

K902464

SWITCH

LIGHTING SWITCH (Lucas 319010)

1шт.

K262015

KNOB

1шт.

K625400

O-RING,0.07" Thk x 0.239" ID

O' RING

1шт.

16

K912389

ELECTRICAL WIRE

LEAD - lighting, Serial Range: switch-connector

1шт.

705897R1

CONNECTOR, ELEC

SINGLE CONNECTOR

1шт.

17

K914195

NO LONGER SERVICED

LEAD (headlamps) - lighting, Serial Range: switch-connector

1шт.

18

K914194

NO LONGER SERVICED

LEAD -, Serial Range: connector-headlamps

1шт.

19

K914106

LAMP

HEADLAMP (GEC 4411, 12 volt, 35 watt, sealed beam unit)

2шт.

20

K961759

MOUNTING PARTS

RUBBER HEADLAMP MOUNTING

2шт.

K604026

SCREW

No. 8 UNC x 3/4 in.

4шт.

K607040

NUT

No. 8 UNC

4шт.

492-11010

LOCK WASHER,#10

WASHER, LOCK, (3/16") #10

40шт.

K914196

ELECTRICAL WIRE

LEAD -, Serial Range: headlamps-earth

2шт.

21

3049871R91

GENERATOR

DYNAMO (Lucas C40A)

1шт.

K900757

PULLEY

- dynamo

1шт.

413-514

BOLT,Hex, 5/16" - 18 x 7/8", Gr 5

SETSCREW, 5/16 UNC x 7/8 in. (Dynamo fixing to cylinder block)

1шт.

K626682

WASHER

5/16 in. (dynamo fixing to cylinder block)

1шт.

492-11031

LOCK WASHER,5/16"

WASHER, LOCK, (dynamo fixing to cylinder block) 5/16"

1шт.

K914251

ADJUSTER

STRAP (dynamo fixing to cylinder block)

1шт.

K912758

BRACKET

SUPPORT BRACKET (dynamo fixing to cylinder block)

1шт.

413-612

BOLT,Hex, 3/8" - 16 x 3/4", Gr 5

SETSCREW, 3/8 UNC x 3/4 in. (Dynamo fixing to cylinder block)

2шт.

492-11038

LOCK WASHER,3/8"

(dynamo fixing to cylinder block) 3/8"

2шт.

413-516

BOLT,Hex, 5/16" - 18 x 1", Gr 5

SETSCREW, 5/16 UNC x 1 in. (dynamo fixing to cylinder block)

2шт.

9635082

NUT,5/16" - 18, Gr 5

(Dynamo fixing to cylinder block) 5/16"-18, G5

2шт.

492-11031

LOCK WASHER,5/16"

WASHER, LOCK, (dynamo fixing to cylinder block) 5/16"

2шт.

22

K912390

ELECTRICAL WIRE

LEAD (sidelamps) -, Serial Range: switch-connector

1шт.

23

K921074

WIRE

LEAD (sidelamps) -, Serial Range: connector-connector

1шт.

K621600

CLIP

NYLASTIC CLIP

1шт.

K12121

SCREW

2 BA x 1/2 in.

1шт.

492-11010

LOCK WASHER,#10

WASHER, LOCK, (3/16") #10

10шт.

K925166

GUARD ASSY.

CABLE GUARD

1шт.

24

K908905

CONNECTOR, ELEC

THREE-WAY CONNECTOR

1шт.

25

K921077

SOCKET/RECEPTACLE

SOCKET - trailer connection

1шт.

K960896

PLUG - trailer socket

1шт.

440-1258

SCREW,Cross Pan Hd, 1/4"-20 x 1/2"

1/4 UNC x 1/2 in. (socket to earth)

1шт.

K607000

NUT

1/4 UNC, Serial Range: (socket-earth)

1шт.

K19480

SPRING WASHER

SPRING WASHER, 1/4 in., Serial Range: (socket-earth)

1шт.

26

K920925

WIRE

LEAD - connector to side/rear lamps

2шт.

27

K921079

LAMP

SIDE/REAR LAMP, right-hand (see Figure 92)

1шт.

28

K921080

STOP LIGHT

SIDE/REAR LAMP, left-hand (see Figure 92)

1шт.

K912566

BULB

12 volt, 6 watt, double contact

2шт.

K913983

CABLE TUBE, right-hand

1шт.

K913982

CABLE TUBE, left-hand

1шт.

225-14210

NUT,#10-32

(Sidelamps to fenders) #10-32

4шт.

K11519

WASHER

LOCKWASHER, 3/16 in., Serial Range: (sidelamps-fenders)

4шт.

365919R1

GROMMET,3/8" ID x 5/8" Groove Dia

- fenders

4шт.

29

K920924

CABLE

LEAD -, Serial Range: connector-floodlamp

1шт.

30

K914107

NO LONGER SERVICED

REAR FLOODLAMP (see Figure 92)

1шт.

K962761

BULB

pre-focus, 36 watt

1шт.

K24589

GROMMET

1шт.

31

K921078

COIL

LEAD - rear number plate lamp, U590 (911150) (rear number plate lamp)

1шт.

K621644

CLIP

- lead to seat, U590 (911150) (rear number plate lamp)

1шт.

365919R1

GROMMET,3/8" ID x 5/8" Groove Dia

U590 (911150) (rear number plate lamp)

1шт.

K902460

SUPPORT

BRACKET - number plate lamp, U590 (911150) (rear number plate lamp)

1шт.

32

K82303

SPARE PART

LAMP - rear number plate, U590 (911150) (rear number plate lamp)

1шт.

K962765

BULB

12 volt, 6 watt, single contact, U590 (911150) (rear number plate lamp)

1шт.

K966091

NUT

DOMED NUT, 2 BA, U590 (911150) (rear number plate lamp)

20шт.

440-1258

SCREW,Cross Pan Hd, 1/4"-20 x 1/2"

1/4 UNC x 1/2 in., U590 (911150) (rear number plate lamp)

3шт.

K607000

NUT

1/4 UNC, U590 (911150) (rear number plate lamp)

3шт.

K19480

SPRING WASHER

SPRING WASHER, 1/4 in., U590 (911150) (rear number plate lamp)

3шт.

K921076

PLATE

LAMP - rear number plate, U656 (911343) (rear number plate lamp - super comfort suspension seat)

1шт.

K962765

BULB

12 volt, 6 watt, U656 (911343) (rear number plate lamp - super comfort suspension seat)

1шт.

K913984

PLATE

NUMBER PLATE, U656 (911343) (rear number plate lamp - super comfort suspension seat)

1шт.

K603926

SCREW

1/4 UNC x 3/4 in., U656 (911343) (rear number plate lamp - super comfort suspension seat)

2шт.

7770

NUT,Hex, 1/4 - 20, Cl 5

1/4"-20, G5, U656 (911343) (rear number plate lamp - super comfort suspension seat)

2шт.

492-11025

LOCK WASHER,1/4"

WASHER, LOCK, , U656 (911343) (rear number plate lamp - super comfort suspension seat) 1/4"

2шт.

K903822

WASHER

CLIP - lead to number plate, U656 (911343) (rear number plate lamp - super comfort suspension seat)

1шт.

K621644

CLIP

5/32 in., U656 (911343) (rear number plate lamp - super comfort suspension seat)

1шт.

490-1108

SCREW,Cross Pan Hd, #10-32 x 1/2"

No. 10 UNF x 1/2 in., U656 (911343) (rear number plate lamp - super comfort suspension seat)

1шт.

225-14210

NUT,#10-32

U656 (911343) (Rear number plate lamp - super comfort suspension seat) #10-32

1шт.

K626340

RING

SPRING WASHER, 3/16 in., U656 (911343) (rear number plate lamp - super comfort suspension seat)

1шт.

33

K910618

ELECTRICAL GAUGE

TEMPERATURE GAUGE U581 (911135) (thermometer)

1шт.

34

K912717

LEAD - connector to temperature gauge, U581 (911135) (thermometer)

1шт.

35

K908898

NO LONGER SERVICED

LEAD - temperature gauge to sender U581 (911135) (thermometer)

1шт.

36

K907985

SPARE PART

SENDER U581 (911135) (thermometer)

1шт.

K626444

WASHER

COPPER WASHER - sender U581 (911135) (thermometer)

1шт.

37

K912701

LEAD - isolating switch to horn push, U591 (911151) (electric horn)

1шт.

38

3114312R91

BUTTON

HORN PUSH U591 (911151) (electric horn)

1шт.

K908047

PAD

SEATING PAD (horn push to instrument panel), U591 (911151) (electric horn)

1шт.

K966686

SCREW

5 BA x 3/4 in. (horn push to instrument panel), U591 (911151) (electric horn)

20шт.

K966209

WASHER

SPRING WASHER, 1/8 in. (horn push to instrument panel), U591 (911151) (electric horn)

20шт.

K966190

NUT

5 BA (horn push to instrument panel), U591 (911151) (electric horn)

20шт.

39

K908019

CABLE

LEAD - horn push to connector U591 (911151) (electric horn)

1шт.

40

K912700

LEAD - connector to horn U591 (911151) (electric horn)

1шт.

41

K907861

NO LONGER SERVICED

HORN AND BRACKET U591 (911151) (electric horn)

1шт.

K912699

CARRIER PLATE - horn U591 (911151) (electric horn)

1шт.

K966398

SCREW

SETSCREW, 1/4 UNC x 5/8 in. U591 (911151) (electric horn)

20шт.

K19480

SPRING WASHER

SPRING WASHER, 1/4 in. U591 (911151) (electric horn)

2шт.

K607000

NUT

1/4 UNC U591 (911151) (electric horn)

2шт.

42

K907996

CABLE

LEAD - horn to earth U591 (911151) (electric horn)

1шт.

K66892

REFLECTOR

red

2шт.

K624177

RIVET

- 3/16 x 1/4 in.

2шт.

K903822

WASHER

CABLE CLIP, special

17шт.

Выбрано товаров: 148