Запчасти Case IH 885 (5-14) - FRONT AXLE (05) - STEERING

Схема запчастей Case IH 885 - (5-14) - FRONT AXLE (05) - STEERING
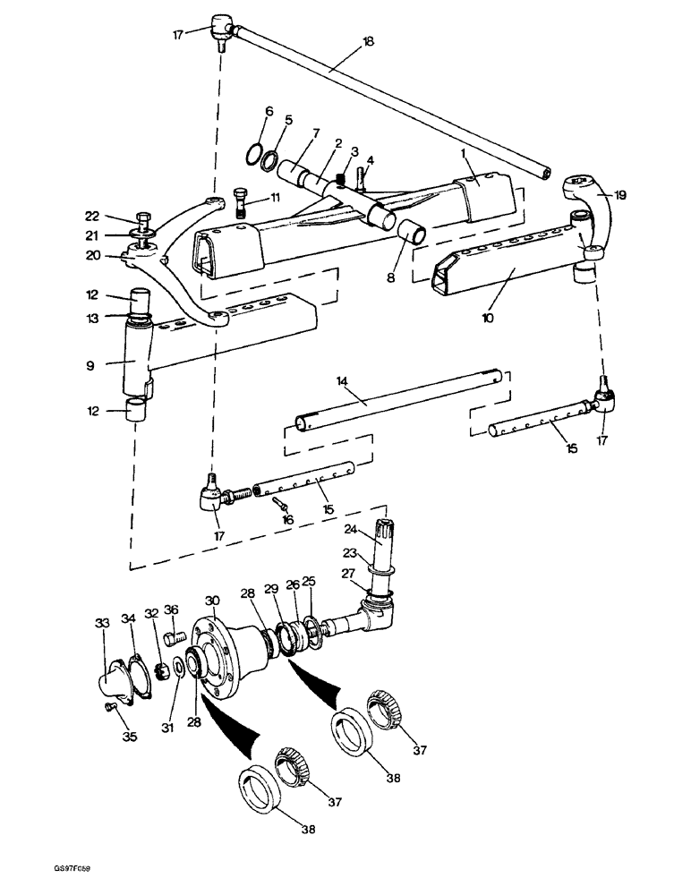
30
28
5
31
14
6
29
35
28
4
36
12
13
34
21
16
2
15
9
32
12
10
38
17
22
33
8
23
15
17
25
26
20
17
37
7
38
24
18
19
1
37
3
27
FIT
1:1
100%

Артикул

Название

Примечание

Количество

1

K942414

BEAM

- center

1шт.

2

K942480

TRUNNION

PIN - trunnion

1шт.

238-5214

O-RING,0.139" Thk x 0.984" ID, -214, Cl 5, 75 Duro

Trunnion pin (Replaces O-ring K16351) -214, 70 Duro, .984" ID x .139" Thk

1шт.

3

K913092

NUT

BUSHING - threaded

1шт.

4

413-640

BOLT,Hex, 3/8" - 16 x 2-1/2", Gr 5

- hex, 3/8 NC x 2-1/2 inch (Replaces bolt K600508)

1шт.

492-11038

LOCK WASHER,3/8"

(Replaces washer K19482) 3/8"

1шт.

5

K917440

WASHER

- thrust

2шт.

6

238-5329

O-RING,0.21" Thk x 1.975" ID, -329, Cl 5, 75 Duro

- 2 ID x 3/16 inch wide (Replaces O-ring K14508)

2шт.

7

K621427

BUSHING

- front, main frame

1шт.

8

K262791

BUSHING

- rear, main frame

1шт.

219-8

LUBE NIPPLE,1/4" - 28 NPTF

NIPPLE, LUBE, , straight (Replaces fitting K13176) 1/4"-28 NPT x .54" lg

2шт.

K942479

ADAPTER

- trunnion pin, 7/16 NC x 1/4 inch NF

1шт.

9

K963521

SHAFT

EXTENSION - beam, left-hand, includes bushings, no longer available

1шт.

10

K963520

SHAFT

EXTENSION - beam, right-hand, includes bushings

1шт.

11

K601471

BOLT

- special, 3/4 NC x 3-1/8 inch

4шт.

492-11075

LOCK WASHER,3/4"

(Replaces washer K626348) 3/4"

4шт.

12

K11598

BUSHING

BUSH - extension beam

4шт.

13

238-5226

O-RING,0.139" Thk x 1.984" ID, -226, Cl 5, 75 Duro

(Replaces O-ring K15594) -226, 70 Duro, 1.984" ID x .139" Thk

2шт.

14

K942852

DRAG LINK,25.8 mm ID x 28.875 " L

TUBE - spacer, 28-7/8 inch (733 mm) long, track rods

1шт.

15

K200339

ROD

- track (Replaces rod K912709)

2шт.

16

413-536

BOLT,Hex, 5/16" - 18 x 2-1/4", Gr 5

- hex, 5/16 NC x 2-1/4 inch (Replaces bolt K600316)

2шт.

425-105

NUT,5/16"-18, G5

- hex, 5/16 inch NC (Replaces nut K607044)

2шт.

492-11031

LOCK WASHER,5/16"

WASHER, LOCK, (Replaces washer K19481) 5/16"

2шт.

17

K908071

BALL JOINT

SOCKET ASSEMBLY - ball, Includes: Excluder and Nut's

4шт.

K961701

BOOT

EXCLUDER - dirt, rubber

1шт.

K622500

LOCK NUT

- lock, special, 3/4 inch

1шт.

231-2448

LOCK NUT,1/2"-20, GB

NUT - light hex, self-locking, 1/2 inch NF (Replaces nut K617314)

1шт.

K944858

LINK

ASSEMBLY - drag, complete, manual steering, no longer available as an assembly, order components, Includes: Ref. 18

1шт.

18

K944859

LINK

TUBE - drag link

1шт.

19

K942525

LEVER

- steering, right-hand

1шт.

20

K942524

LEVER

- steering, left-hand, manual steering

1шт.

20

K943346

LEVER

- steering, left-hand, hydrostatic steering

1шт.

21

K15595

WASHER

- special, 5/8 inch

2шт.

22

B90207

SPECIAL BOLT

BOLT - hex, 5/8 NC x 2-3/4 inch (Replaces bolt K601210)

2шт.

492-11062

BEARING WASHER,5/8"

WASHER, LOCK, (Replaces washer K19485) 5/8"

2шт.

23

K33682

WASHER,35.24mm ID x 55.56mm OD x 4.78mm Thk

- thrust

2шт.

24

K963522

SHAFT

AXLE ASSEMBLY - stub, used with 885, 885G, 885Q and 885Sk tractors, no longer available, order axle assembly K262207, bearing 160558C91 and cup 478793R1, Includes: Ref. 25 - 26, Bearing, and Cup

2шт.

24

K963408

SHAFT

AXLE ASSEMBLY - stub, with front brake flange, used with 885H and 885QH tractors, no longer available, Includes: Ref. 25 - 26, Bearing, and Cup

2шт.

24

K262207

STEERING KNUCKLE

AXLE ASSEMBLY - stub (Replaces axle assembly K963522), Includes: Ref. 25 - 26, Bearing, and Cup

2шт.

25

K906568

RING

EXCLUDER - dirt, used with axle assemblies K963522 and K262207

1шт.

26

K906569

SLEEVE

- oil seal, used with axle assembly K963522

1шт.

26

K943500

SLEEVE

- oil seal, used with axle assembly K963408

1шт.

26

K207397

SLEEVE

- oil seal, used with axle assembly K262207

1шт.

160558C91

BEARING ASSY,1.5005" ID x 2.5635" OD x 0.72"

BEARING - tapered roller, used with axle assembly K262207

1шт.

478793R1

BEARING CUP

CUP - tapered roller bearing, used with axle assembly K262207

1шт.

27

238-5226

O-RING,0.139" Thk x 1.984" ID, -226, Cl 5, 75 Duro

(Replaces O-ring K15594) -226, 70 Duro, 1.984" ID x .139" Thk

2шт.

28

K620046

BEARING

- tapered roller, no longer available, order cup 618024R1 and bearing 618023R91, Ref. 37 and 38

4шт.

29

K623450

OIL SEAL

- oil, 2-1/8 x 3 x 1/2 inch

2шт.

30

K910176

HUB

- front, used with 885, 885G, 885Q and 885Sk tractors

2шт.

30

K943501

HUB

- front, used with 885H and 885QH tractors, no longer available

2шт.

31

K626321

WASHER

- flat, 3/4 inch (Replaces washer K626673)

2шт.

32

25-1912

SLOTTED NUT,3/4"-16, G5, Thk

NUT - hex slotted, 3/4 inch NF (Replaces nut K617157)

2шт.

432-1024

COTTER PIN,5/32" x 1 1/2"

(Replaces pins K623603 and B88455) 5/32" x 1 1/2"

2шт.

33

K908913

CAP

- hub

2шт.

34

K15344

GASKET,0.25mm Thk

- hub

2шт.

35

413-510

BOLT,Hex, 5/16" - 18 x 5/8", Gr 5

- hex, 5/16 NC x 5/8 inch (Replaces bolt K602802)

6шт.

492-11031

LOCK WASHER,5/16"

WASHER, LOCK, (Replaces washer K19481) 5/16"

6шт.

219-8

LUBE NIPPLE,1/4" - 28 NPTF

NIPPLE, LUBE, , straight, taper (Replaces fitting K13176) 1/4"-28 NPT x .54" lg

2шт.

36

K907400

WHEEL BOLT,1/2" - 13 x 1 1/8"

BOLT - wheel, 1/2 NC x 1 inch, used with 885, 885G, 885Q and 885Sk tractors

12шт.

36

K971809

WHEEL BOLT

- wheel, 1/2 NC x 2-1/4 inch, used with 885H and 885QH tractors

12шт.

K628086

PLUG,Cap, .848" OD

- plastic, beam extension holes, no longer used, order cap 353-16 below

12шт.

353-16

PLUG,Cap, .848" OD

CAP - end, 1-3/4 inch, no longer available

12шт.

37

618023R91

BEARING ASSY,34.93mm ID x 18.2mm W

BEARING - tapered roller

4шт.

38

618024R1

BEARING CUP,65.113mm OD x 13.97mm W

Tapered roller

4шт.

Выбрано товаров: 64