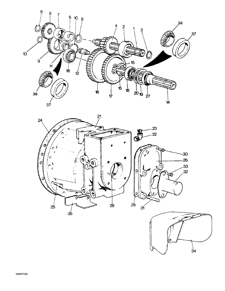
Запчасти Case IH 885 (6-04) - POWER TAKEOFF UNIT, 885 TRACTORS WITH MULTI-SPEED PTO UNITS AND TRACTOR SER. NO. 11002746 AND AFTER (06) - POWER TRAIN

Схема запчастей Case IH 885 - (6-04) - POWER TAKEOFF UNIT, 885 TRACTORS WITH MULTI-SPEED PTO UNITS AND TRACTOR SER. NO. 11002746 AND AFTER (06) - POWER TRAIN
31
29
16
3
36
5
30
27
12
6
15
37
7
19
11
10
18
17
4
33
26
21
15
9
20
32
36
25
1
6
28
23
13
2
34
37
22
24
35
18
8
14
FIT
1:1
100%

Артикул

Название

Примечание

Количество

UK1926

PTO

UNIT - multi-speed PTO, complete (Replaces unit K951566)

1шт.

K192700

PTO

UNIT - single-speed PTO, complete, no longer available, order components (Replaces unit K951566)

1шт.

1

K906735

DRIVE SHAFT

DRIVESHAFT - power takeoff

1шт.

2

K15172

BALL BEARING,28.57mm ID x 77.79mm OD x 20.64mm W

BEARING - ball, with snap ring

1шт.

3

103-11112

SNAP RING,#112, Ext

Ring, Snap, (Replaces ring K621535) #112, Ext

2шт.

4

K906688

GEAR

PINION - speed change, 13/19 tooth

1шт.

5

K906693

RING RACE

RACE - inner, roller bearings

1шт.

6

103-11112

SNAP RING,#112, Ext

Ring, Snap, (Replaces ring K621535) #112, Ext

2шт.

7

R21491

NEEDLE BEARING,1.75" ID x 2.125" OD x 0.75"

BEARING - needle roller, 1-3/4 in ID

1шт.

8

K908094

GEAR

- drive, hydraulic pump, 29 tooth

1шт.

9

K923442

GEAR

- idler, hydraulic pump

1шт.

10

100-21244

SNAP RING,2.44", Int, #244

Ring, Snap, (Replaces K621436) 2.44", Int, #244

2шт.

11

P39667

BEARING

- ball (Replaces bearing K620102)

1шт.

12

K923441

PIN

SHAFT - idler gear

1шт.

K626200

SHIM,.002" Thk

1шт.

K626201

SHIM,.003" Thk

1шт.

K626202

SHIM,.005" Thk

1шт.

K626203

SHIM,.010" Thk

1шт.

13

K11128

CIRCLIP

RING - snap, 1 inch OD

1шт.

14

K962826

SHAFT

ASSEMBLY - driven, with split ring, no longer available, order shaft K923432 and ring K923433

1шт.

14

K923432

SHAFT

ASSEMBLY - PTO, driver, Includes: Ref. 15

1шт.

15

K923433

RING

- split, haves

2шт.

16

K923434

GEAR

- low speed, 44 tooth

1шт.

17

K906689

GEAR

- high speed, 38 tooth

1шт.

18

K620046

BEARING

- taper roller, no longer available, order cup 618024R1 and bearing 618023R91, Ref. 36 and 37

2шт.

19

K923435

WASHER

RING - thrust

1шт.

20

K923436

SHIM

- 0.002 inch

1шт.

20

K923437

SHIM

- 0.003 inch

1шт.

20

K923438

SHIM

- 0.005 inch

1шт.

20

K923439

SHIM

- 0.010 inch

1шт.

21

K951568

PTO

HOUSING - power takeoff, no longer available

1шт.

22

K622127

FITTING

ELBOW - 1 inch BSP, not used with 885G tractors

1шт.

23

K12362

PLUG

- 1 inch BSP

1шт.

24

K205398

GASKET

- housing to rear axle (Replaces gasket K922591)

1шт.

25

13-730

BOLT,Hex, 7/16" - 14 x 1-7/8", Gr 5

- hex, 7/16 NC x 7/8 inch, housing to rear axle (Replaces bolt K600605)

11шт.

492-11044

LOCK WASHER,7/16"

WASHER, LOCK, , Housing to rear axle (Replaces washer K19483) 7/16"

11шт.

26

K906686

COVER

- end

1шт.

27

K11119

OIL SEAL

- oil

1шт.

28

K25360

PIN

- dowel, 1/4 x 9/16 inch

2шт.

29

K924217

GASKET

- power takeoff

1шт.

30

413-516

BOLT,Hex, 5/16" - 18 x 1", Gr 5

- hex, 5/16 NC x 1 inch (Replaces bolt K602805)

1шт.

492-11031

LOCK WASHER,5/16"

WASHER, LOCK, (Replaces washer K19481) 5/16"

1шт.

425-105

NUT,5/16"-18, G5

- hex, 5/16 inch NC (Replaces nut K607001)

1шт.

K15498

SEALING WASHER

WASHER - sealing, 5/16 inch

1шт.

31

K608311

STUD

- 7/16 NC x 2-5/16 inch, not used with 885G tractors

4шт.

31

K907546

STUD

- belt pulley fixing, 7/16 inch NC

4шт.

K627060

BUSHING

SPACER - distance, used with 885G tractors

4шт.

425-107

NUT,7/16"-14, G5

- hex, 7/16 inch NC (Replaces nuts K607046 and B90348)

4шт.

492-11044

LOCK WASHER,7/16"

WASHER, LOCK, (Replaces washer K626344) 7/16"

4шт.

32

K909111

COVER

- PTO shaft, used with all tractors except for Finland

1шт.

32

K914980

COVER - PTO shaft, used with tractors for Finland only, not used with 885G tractors, no longer available

1шт.

33

413-58

BOLT,Hex, 5/16" - 18 x 1/2", Gr 5

- hex, 5/16 NC x 1/2 inch (Replaces bolt K602840)

2шт.

K626682

WASHER

- flat, 5/16 inch

2шт.

34

K906893

GUARD

- PTO shaft

1шт.

35

K928304

SHIM

GUARD - hydraulic filter switch

1шт.

36

618023R91

BEARING ASSY,34.93mm ID x 18.2mm W

BEARING - tapered roller

2шт.

37

618024R1

BEARING CUP,65.113mm OD x 13.97mm W

Tapered roller

2шт.

Выбрано товаров: 57