Запчасти Case IH 885 (7-18) - FRONT WHEEL BRAKES, 885 HIGHWAY TRACTORS (07) - BRAKES

Схема запчастей Case IH 885 - (7-18) - FRONT WHEEL BRAKES, 885 HIGHWAY TRACTORS (07) - BRAKES
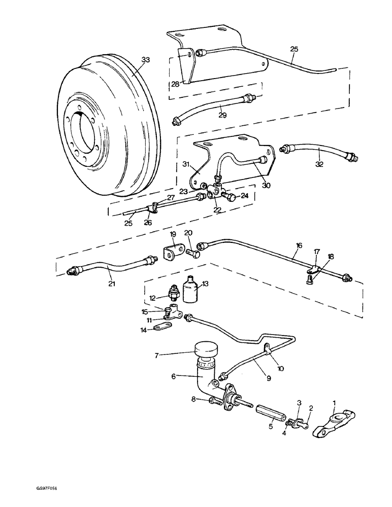
29
27
1
25
16
6
31
13
17
24
3
14
8
5
22
4
20
12
2
32
21
11
30
15
7
10
19
33
9
26
28
18
25
23
FIT
1:1
100%

Артикул

Название

Примечание

Количество

1

K972798

BEAM

- compensator, no longer available

1шт.

2

K971935

ROD

- push, no longer available

1шт.

3

K971936

SHIM

Retaining plate, No longer available

1шт.

4

K613982

SCREW

- hex, No. 10 NF x 3/8 inch

2шт.

492-11010

LOCK WASHER,#10

WASHER, LOCK, (Replaces washer K19488) #10

2шт.

5

K971937

SLEEVE

- adjusting, short, no longer available

1шт.

86637933

JAM NUT,5/16" - 24, Gr 5

(Replaces nut K617051) Jam, 5/16"-24, G5

2шт.

6

K943521

CYLINDER

- master, Girling 64067685, no longer available

1шт.

7

K972640

CAP

- rubber, master cylinder, no longer available

1шт.

8

413-518

BOLT,Hex, 5/16" - 18 x 1-1/8", Gr 5

- hex, 5/16 NC x 1-1/8 inch (Replaces bolt K602806)

2шт.

492-11031

LOCK WASHER,5/16"

WASHER, LOCK, (Replaces washer K19481) 5/16"

2шт.

425-105

NUT,5/16"-18, G5

- hex, 5/16 inch NC (Replaces nut K607001)

2шт.

9

K940532

PIPE

- master cylinder to tee, no longer available

1шт.

10

K621644

CLIP

- pipe to frame platform (Replaces clip K19932)

1шт.

K19388

SCREW - hex, 2 BA x 1/2 inch, no longer available

1шт.

K11109

NUT

- hex, 2 BA

1шт.

11

K972200

3 WAY CONNECTION

TEE - pipe, master cylinder, 3/8 inch NF, no longer available

1шт.

12

K920206

LIGHT SWITCH

SWITCH - stop lamps, Lucas 54337405, no longer available

1шт.

13

K972887

COVER

- stop lamp switch, no longer available

1шт.

14

K972838

SUPPORT

PLATE - support, tee, no longer available

1шт.

15

413-510

BOLT,Hex, 5/16" - 18 x 5/8", Gr 5

- hex, 5/16 NC x 5/8 inch, Plate to tee (Replaces bolt K602802)

1шт.

492-11031

LOCK WASHER,5/16"

WASHER, LOCK, , plate to tee (Replaces washer K19481) 5/16"

1шт.

425-105

NUT,5/16"-18, G5

- hex, 5/16 inch NC, Plate to tee (Replaces nut K607001)

1шт.

K626682

WASHER

- flat, 5/16 inch, plate to sump (Replaces washer K19471)

2шт.

16

K972378

PIPE

- tee to flexible, no longer available

1шт.

17

K14393

CABLE

CLIP - pipes to frame, no longer available

2шт.

18

413-520

BOLT,Hex, 5/16" - 18 x 1-1/4", Gr 5

- hex, 5/16 NC x 1-1/4 inch, pipes to frame (Replaces bolt K602807 bolt)

2шт.

492-11031

LOCK WASHER,5/16"

WASHER, LOCK, , pipes to frame (Replaces washer K19481) 5/16"

2шт.

K627020

BUSHING

SPACER - distance, pipes to frame, no longer available

2шт.

19

K945038

BRACKET - flexible pipe, no longer available

1шт.

20

413-1024

BOLT,Hex, 5/8" - 11 x 1-1/2", Gr 5

Bracket to frame (Replaces bolt K603306) Hex, 5/8"-11 x 1 1/2", G5, Full Thd

1шт.

492-11062

BEARING WASHER,5/8"

WASHER, LOCK, , Bracket to frame (Replaces washer K19485) 5/8"

1шт.

21

K972385

HOSE

PIPE - flexible, 3/8 NF x 13 inch (330 mm) long, no longer available

1шт.

K626447

WASHER

- copper, 3/8 inch, no longer available

1шт.

425-156

JAM NUT,Jam, 3/8"-24, G5

- hex jam, 3/8 inch NF (Replaces nut K617052)

1шт.

493-81008

LOCK WASHER,Int Tooth, 5/16"

WASHER - internal tooth lock, 5/16 inch (Replaces washer K626479)

1шт.

22

K972194

FITTING

TEE - pipe, right-hand, no longer available

1шт.

23

K627020

BUSHING

SPACER - distance, tee to bracket, no longer available

1шт.

24

413-424

BOLT,Hex, 1/4" - 20 x 1-1/2", Gr 5

Tee to bracket (Replaces bolt K600006) Hex, 1/4"-20 x 1 1/2", G5

1шт.

492-11025

LOCK WASHER,1/4"

WASHER, LOCK, , Tee to bracket (Replaces washer K19480) 1/4"

1шт.

425-104

NUT,1/4"-20, Cl 5

- hex, 1/4 inch NC, tee to bracket (Replaces nut K607000)

1шт.

25

K943541

PIPE

- left-hand, no longer available

1шт.

26

K621644

CLIP

- pipe to axle (Replaces clip K19932)

1шт.

27

K11189

SCREW

- hex, 3/16 NC x 1/2 inch, pipe to axle, no longer available, order bolt 111-113, nut 129-101 and two 425-104 nuts, Ref. 34 - 36 below

1шт.

492-11010

LOCK WASHER,#10

WASHER, LOCK, , Pipe to axle (Replaces washer K19488) #10

1шт.

K19415

NUT

- hex, 3/4 inch, pipe to axle, no longer available

1шт.

28

K972441

PIPE

BRACKET - support, left-hand, no longer available

1шт.

29

K972385

HOSE

PIPE - flexible 3/8 NF x 13 inch (330 mm) long, no longer available

1шт.

K626447

WASHER

- copper, 3/8 inch, no longer available

1шт.

425-156

JAM NUT,Jam, 3/8"-24, G5

- hex, 3/8 inch NF (Replaces nut K617052)

1шт.

493-81008

LOCK WASHER,Int Tooth, 5/16"

WASHER - internal tooth lock, 5/16 inch (Replaces washer K626479)

1шт.

30

K943543

PIPE

- right-hand, no longer available

1шт.

31

K953701

SUPPORT

BRACKET - support, right-hand (Replaces bracket K943540)

1шт.

32

K972385

HOSE

PIPE - flexible, 3/8 NF x 13 inch (330 mm) long, no longer available

1шт.

K626447

WASHER

- copper, 3/8 inch, no longer available

1шт.

425-156

JAM NUT,Jam, 3/8"-24, G5

- hex, 3/8 inch NF (Replaces nut K617052)

1шт.

493-81008

LOCK WASHER,Int Tooth, 5/16"

WASHER - internal tooth lock, 5/16 inch (Replaces washer K626479)

1шт.

33

K943507

BRAKE

ASSEMBLY - left-hand, Girling 64027186, parts list Fig. 7-20, no longer available

1шт.

K943508

BRAKE

ASSEMBLY - right-hand, Girling 64027188, parts list Fig. 7-20, no longer available

1шт.

34

111-113

CARRIAGE BOLT,Short NK, 1/4"-20 x 1 3/4", G2

BOLT - carriage, 1/4 NC x 3/4 inch, grade 2, not shown

1шт.

35

425-104

NUT,1/4"-20, Cl 5

- hex, 1/4 inch NC, not shown

1шт.

36

425-104

NUT,1/4"-20, Cl 5

- hex, 1/4 inch NC, not shown

2шт.

Выбрано товаров: 62