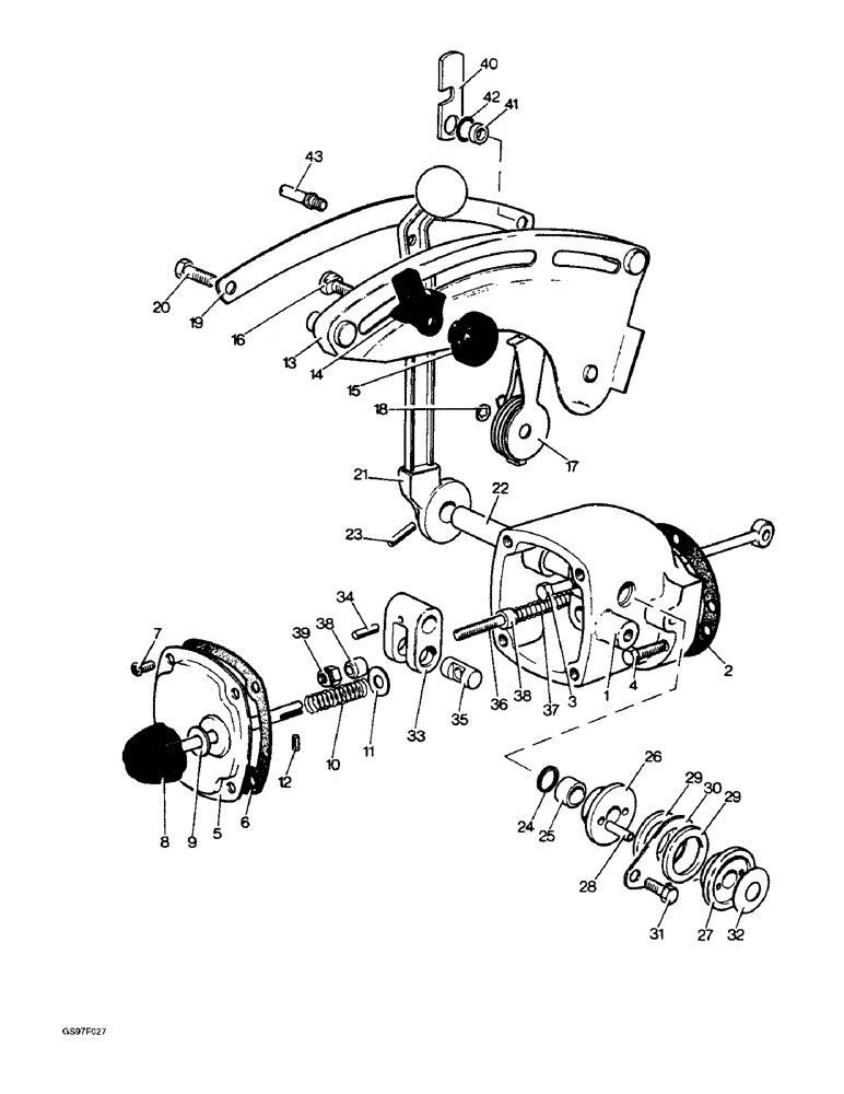
Запчасти Case IH 885 (8-12) - CONTROL LEVER AND QUADRANT, 885 NARROW TRACTORS (08) - HYDRAULICS

Схема запчастей Case IH 885 - (8-12) - CONTROL LEVER AND QUADRANT, 885 NARROW TRACTORS (08) - HYDRAULICS
34
29
41
8
33
27
1
39
14
25
6
2
31
21
37
38
12
23
24
35
22
42
43
13
15
16
32
7
10
28
4
26
18
11
3
36
5
17
29
20
40
9
38
19
30
FIT
1:1
100%

Артикул

Название

Примечание

Количество

1

K926128

HOUSING

- control lever, no longer available

1шт.

2

K903026

GASKET

- control lever, control housing to axle housing

1шт.

3

413-548

BOLT,Hex, 5/16" - 18 x 3", Gr 5

- hex, 5/16 NC x 3 inch, control housing to axle housing (Replaces bolt K600217)

2шт.

4

413-516

BOLT,Hex, 5/16" - 18 x 1", Gr 5

- hex, 5/16 NC x 1 inch, control housing to axle housing (Replaces bolt K602805)

1шт.

492-11031

LOCK WASHER,5/16"

WASHER, LOCK, , control housing to axle housing (Replaces washer K19481) 5/16"

3шт.

5

K910860

WASHER

COVER - housing

1шт.

6

K909559

GASKET,1.59mm Thk

-, Serial Range: cover-housing

1шт.

7

182-515

SCREW,Sl Pan Hd, 5/16" - 18 x 5/8"

- machine, No. 10 x 1/2 inch, cover to housing (Replaces screw K604477)

4шт.

492-11031

LOCK WASHER,5/16"

WASHER, LOCK, , cover to housing (Replaces washer K19481) 5/16"

4шт.

8

K910721

KNOB

- housing

1шт.

9

K909573

DISC

- friction

2шт.

10

K24887

SPRING

- connecting rod

1шт.

11

K19472

WASHER

- flat, 3/8 inch

2шт.

12

38-1812

LOCK PIN,1/8" x 3/4", Slotted

Pin, (replaces pin K623930) 1/8" x 3/4", Slotted

1шт.

13

K926520

QUADRANT

- control lever, no longer available

1шт.

14

K947403

BRACKET

GUIDE - finger

2шт.

15

K921826

SERRATED NUT

- hand, 5/16 inch NF

2шт.

16

K909577

STUD

- special, 5/16 inch NF

2шт.

17

K927049

SPRING

PLATE - carrier, with spring, no longer available

1шт.

18

K624582

RETAINER

CLIP - retainer, carrier, Serial Range: plate-quadrant

1шт.

K626662

WASHER

- flat, 1/4 inch, carrier plate to quadrant (Replaces washer K19470)

1шт.

K626682

WASHER

- flat, 5/16 inch, carrier, Serial Range: plate-quadrant

1шт.

425-105

NUT,5/16"-18, G5

- hex, 5/16 inch NC, Carrier plate to quadrant (Replaces nut K607044)

1шт.

19

K913637

STOP

PLATE - abutment

1шт.

20

413-540

BOLT,Hex, 5/16" - 18 x 2-1/2", Gr 5

- hex, 5/16 NC x 2-1/2 inch, Quadrant to fender (Replaces bolt K600322)

2шт.

492-11031

LOCK WASHER,5/16"

WASHER, LOCK, , quadrant to fender (Replaces washer K19481) 5/16"

2шт.

21

K926157

LEVER

- control, no longer available

1шт.

22

K925090

SHAFT

- housing, no longer available

1шт.

23

38-11020

LOCK PIN,5/32" x 1 1/4", Slotted

Pin, (Replaces pin K623942) 5/32" x 1 1/4", Slotted

1шт.

24

K623424

RING

- sealing, 1/2 inch ID

2шт.

25

K627068

BUSHING

SLEEVE - plastic

1шт.

26

K925089

DISC

- friction, inner, no longer available

1шт.

27

K950864

PLATE

DISC - friction, outer (Replaces disc K909583)

1шт.

28

37-1316

DOWEL,3/16" x 1"

PIN - dowel, 3/16 x 1 inch

2шт.

29

K626715

WASHER - friction, no longer available (Replaces washer K909582)

2шт.

30

K925105

PLATE

- friction, no longer available

1шт.

31

K602845

BOLT,Hex Hd, 5/16"-18 x 3/4"

SCREW - special, 5/16 NC x 3/4 inch, plate to housing

2шт.

492-11031

LOCK WASHER,5/16"

WASHER, LOCK, , plate to housing (Replaces washer K19481) 5/16"

2шт.

K626686

WASHER

- flat, 1/2 inch

1шт.

425-148

JAM NUT,Jam, 1/2"-13, G5

- hex jam, 1/2 inch NC (Replaces nut K607084)

1шт.

K607804

NUT

- capped, 1/2 inch NC

1шт.

33

K909584

FORK

- housing

1шт.

34

38-11020

LOCK PIN,5/32" x 1 1/4", Slotted

Pin, (Replaces pin K623942) 5/32" x 1 1/4", Slotted

1шт.

35

K903370

PIN

- fork

1шт.

36

K909585

ROD

- connecting

1шт.

37

K625161

SPRING

- connecting rod

1шт.

38

K903367

COLLAR

- connecting rod

2шт.

39

K964098

NUT

- hex, self-locking, 5/16 inch NC, no longer available (Replaces nut K607326)

1шт.

40

K914833

WASHER

CATCH - abutment plate, if used

1шт.

K626682

WASHER

- flat, 5/16 inch, if used

1шт.

41

K914835

BUSHING

- abutment plate, if used

1шт.

42

238-5112

O-RING,0.103" Thk x 0.487" ID, -112, Cl 5, 75 Duro

If used (Replaces O-ring K900380) -112, 70 Duro, .487" ID x .103" Thk

2шт.

43

K914834

STUD

- special, 1/4 inch NC, if used

1шт.

K607514

NUT

- hex, 1/4 inch NC, if used

1шт.

Выбрано товаров: 54