Запчасти Case IH 885 (8-14) - CONTROL MECHANISM (08) - HYDRAULICS

Схема запчастей Case IH 885 - (8-14) - CONTROL MECHANISM (08) - HYDRAULICS
43
48
12
42
36
33
10
40
15
27
22
9
49
38
1
35
14
5
44
3
45
17
8
12
18
24
41
13
26
30
20
32
2
7
13
6
25
29
46
37
47
31
4
21
19
28
23
18
14
39
34
16
11
FIT
1:1
100%

Артикул

Название

Примечание

Количество

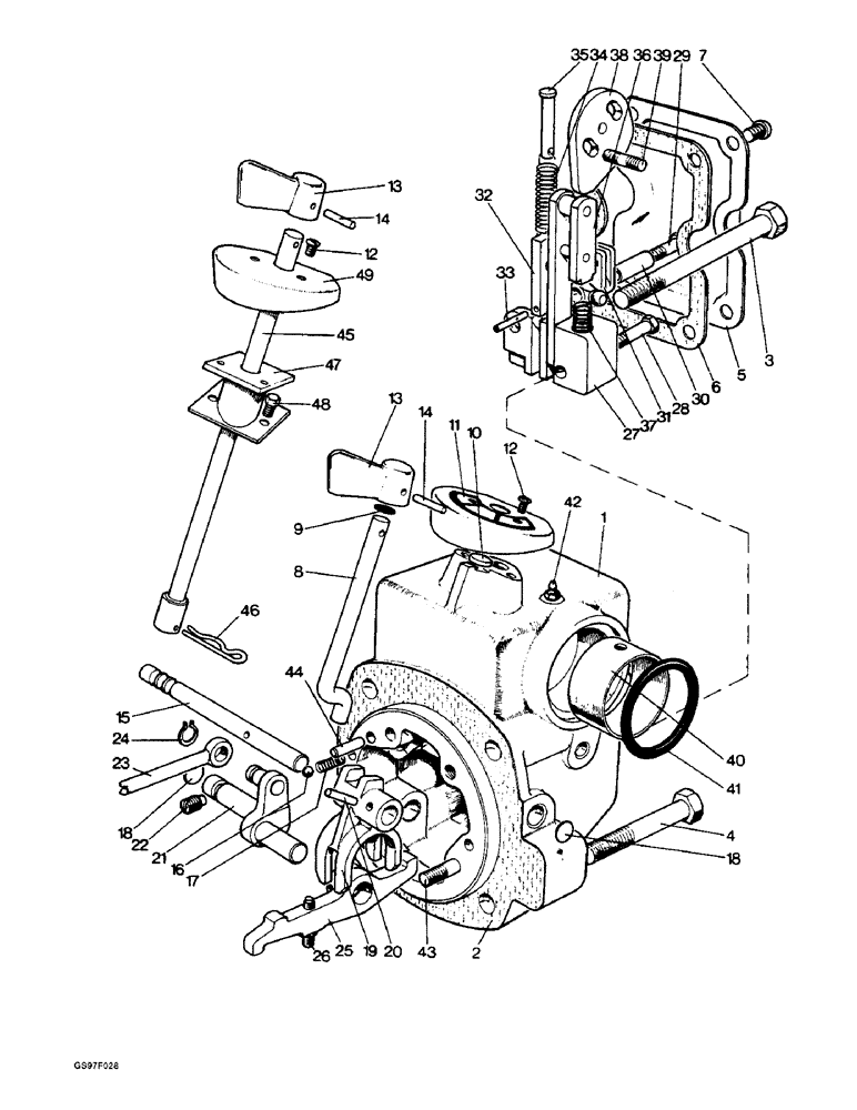
1

K913003

BRACKET

- ramshaft

1шт.

2

K913141

GASKET

- bracket to axle housing

1шт.

3

413-880

BOLT,Hex, 1/2" - 13 x 5", Gr 5

- hex, 1/2 NC x 5 inch, bracket to axle housing (Replaces bolt K600822)

2шт.

4

413-852

BOLT,Hex, 1/2" - 13 x 3-1/4", Gr 5

- hex, 1/2 NC x 3-1/4 inch, bracket to axle housing (Replaces bolt K600815)

2шт.

193-87

LOCK WASHER,Ext-Int Tooth, 1/2"

WASHER, LOCK, , Bracket to axle housing (Replaces washer K11518) Ext-Int Tooth, 1/2"

4шт.

5

K910859

COVER

- ramshaft bracket

1шт.

6

K909558

GASKET,1.59mm Thk

-, Serial Range: cover-bracket

1шт.

7

182-515

SCREW,Sl Pan Hd, 5/16" - 18 x 5/8"

- machine, No. 10 x 1/2 inch, cover to bracket (Replaces screw K604477)

4шт.

492-11031

LOCK WASHER,5/16"

WASHER, LOCK, , cover to bracket (Replaces washer K19481) 5/16"

4шт.

8

K919363

KNOB

ROD - selector

1шт.

9

K24554

O-RING

- 3/8 inch ID

1шт.

10

K923237

SKID/SHOE

PAD - breather, no longer available

1шт.

11

K909542

WASHER

PANEL - selector, used with 885, 885H, 885G and 885N tractors

1шт.

12

K614943

SCREW

- hex, No. 10 NF

2шт.

13

K947405

KNOB

POINTER - indicator panel

1шт.

14

38-1812

LOCK PIN,1/8" x 3/4", Slotted

Pin, (replaces pin K623936) 1/8" x 3/4", Slotted

1шт.

15

K913160

SELECTOR

SHAFT - selector

1шт.

16

211-1008

BALL,1/4" Dia

- chrome alloy steel, 1/4 inch, grade 24 (Replaces ball K17063)

1шт.

17

K24563

SPRING

- ramshaft bracket

1шт.

18

172529

PLUG

- rocker shaft, 5/8 inch

2шт.

K923284

PLUG

- 9/16 inch

1шт.

19

K942417

SELECTOR

FORK - selector

1шт.

20

438-11214

LOCK PIN,4.76mm OD x 22.23mm L, Slotted

Pin, (Replaces pin K623740) 3/16" x 7/8", Slotted

1шт.

21

K913119

ROCKER LEVER

SHAFT - rocker

1шт.

22

K602750

SCREW

- retaining

1шт.

23

K909585

ROD

- connecting

1шт.

24

K621562

RING, SNAP

RING - snap, 3/8 inch OD

1шт.

25

K913088

ROCKER LEVER

LEVER - rocker

1шт.

26

K909552

SCREW,3/16"

- adjusting

1шт.

231-1444

NUT,1/4"-20, GB

NUT, LOCK, (Replaces nut K607300) 1/4"-20, GB

1шт.

27

K916362

GUIDE

BRACKET - guide

1шт.

28

413-526

BOLT,Hex, 5/16" - 18 x 1-5/8", Gr 5

- hex, 5/16 NC x 1-5/8 inch, guide bracket to ramshaft bracket (Replaces bolt K600206)

1шт.

492-11031

LOCK WASHER,5/16"

WASHER, LOCK, , guide bracket to ramshaft bracket (Replaces washer K19481) 5/16"

1шт.

29

13-530

BOLT,Hex, 5/16" - 18 x 1-7/8", Gr 5

- hex, 5/16 NC x 1-7/8 inch, guide bracket to ramshaft bracket (Replaces bolt K600361)

1шт.

30

K627019

BUSHING

- guide bracket to ramshaft bracket

1шт.

K626682

WASHER

- flat, 5/16 inch, guide bracket to ramshaft bracket (Replaces washer K19471)

1шт.

31

K913607

LEVER

- actuating, no longer available

1шт.

K912967

WASHER

FORK - end, cable to actuating lever

1шт.

K912968

PIN

- clevis, cable to actuating lever

1шт.

432-48

COTTER PIN,1/16" x 1/2"

PIN, SPLIT (COTTER), (Replaces pin K11934) 1/16" x 1/2"

1шт.

32

K912971

ROD

- push, depth control

1шт.

33

138-38

LOCK PIN,3/32" x 9/16", Slotted

PIN - roll, 3/32 x 5/8 inch (Replaces pin K623973)

1шт.

34

K624922

SPRING

- guide bracket

1шт.

35

K621833

SPRING

ANCHOR - spring

1шт.

36

K921722

ROD

- push, height control

1шт.

37

K625196

SPRING

- guide bracket

1шт.

38

K926095

CAM

- control mechanism

1шт.

39

K608001

STUD

- 1/4 NC x 1-1/16 inch

2шт.

K626662

WASHER

- flat, 1/4 inch (Replaces washer K19470)

2шт.

231-1444

NUT,1/4"-20, GB

NUT, LOCK, 1/4"-20, GB

2шт.

40

K912012

BUSHING

- ramshaft bracket

1шт.

41

K623538

O-RING,6.99mm Thk x 50.16mm ID, 60 Duro

- 2 inch ID

1шт.

42

219-8

LUBE NIPPLE,1/4" - 28 NPTF

NIPPLE, LUBE, , straight, taper (Replaces fitting K13176) 1/4"-28 NPT x .54" lg

1шт.

43

K608143

STUD

- 5/16 NC x 1-1/2 inch

2шт.

44

K24853

PIN

DOWEL - 1/4 x 11/16 inch

2шт.

45

K951303

ROD

EXTENSION - control rod, used with 885Q, 885QH and 885Sk tractors, no longer available

1шт.

46

K624874

SPRING

CLIP - spring, used with 885Q, 885QH and 885Sk tractors

1шт.

47

K949282

SUPPORT - panel, used with 885Q, 885QH and 885Sk tractors, no longer available

1шт.

48

413-410

BOLT,Hex, 1/4" - 20 x 5/8", Gr 5

- hex, 1/4 NC x 5/8 inch, support to cab, used with 885Q, 885QH and 885Sk tractors (Replaces bolt K602733)

2шт.

492-11025

LOCK WASHER,1/4"

WASHER, LOCK, , Support to cab, used with 885Q, 885QH and 885Sk tractors (Replaces washer K19480) 1/4"

2шт.

49

K909542

WASHER

PANEL - indicator, used with 885Q, 885QH and 885Sk tractors (Replaces panel K951967)

1шт.

Выбрано товаров: 61