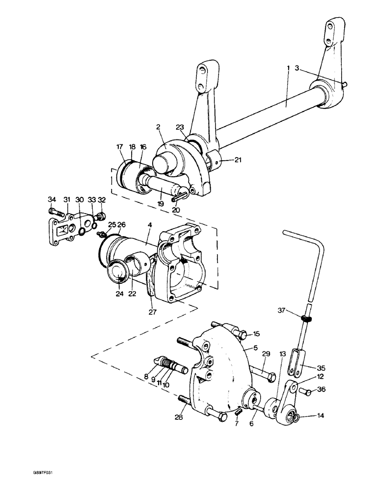
Запчасти Case IH 885 (8-20) - RAMSHAFT AND RAM CYLINDER, ALL MODELS EXCEPT 885N TRACTORS (08) - HYDRAULICS

Схема запчастей Case IH 885 - (8-20) - RAMSHAFT AND RAM CYLINDER, ALL MODELS EXCEPT 885N TRACTORS (08) - HYDRAULICS
18
28
30
26
23
6
31
22
25
11
33
16
5
4
14
27
20
2
7
24
32
8
35
29
21
1
37
12
9
36
3
15
17
19
34
13
10
FIT
1:1
100%

Артикул

Название

Примечание

Количество

1

K921719

SHAFT

RAMSHAFT ASSEMBLY - with levers, Includes: Ref. 2 and 3

1шт.

2

K906796

ARM

LEVER - ram

1шт.

K622381

KEY

- ramshaft

2шт.

3

K621807

PIN

DOWEL - 5/16 x 1/2 inch

1шт.

4

K961748

CYLINDER

- body, with cover, no longer available

1шт.

5

K961742

COVER

ASSEMBLY - with lift lock, no longer available, Includes: Ref. 6 - 15, Nut, and Washer

1шт.

6

K620027

NEEDLE

ROLLER - needle

2шт.

7

K606052

SET SCREW,Hex Skt, 5/16" - 18 x 3/4"

- locating, no longer available

1шт.

8

K913846

PIN

- latch

1шт.

9

K913436

SPRING

- cover

1шт.

10

238-5210

O-RING,0.139" Thk x 0.734" ID, -210, Cl 5, 75 Duro

Latch pin (Replaces O-ring K24556) -210, 70 Duro, .734" ID x .139" Thk

1шт.

11

K907061

BUSHING

RING - spacer

1шт.

12

K950045

LEVER

- operating, used with 885Q, 885QH, 885Sk and 885LP tractors

1шт.

12

K947974

LEVER ASSY.

LEVER - operating, used with 885, 885H and 885G tractors

1шт.

K626210

SHIM,.030" Thk

Cover .030" Thk

1шт.

13

K913724

DUST CAP

EXCLUDER - dirt, used with 885, 885H and 885G tractors, no longer available

1шт.

14

K11290

RING, SNAP

RING - snap, 3/4 inch OD

2шт.

K924685

RUBBER

RESTRICTOR - cylinder body

1шт.

15

413-856

BOLT,Hex, 1/2" - 13 x 3-1/2", Gr 5

- hex, 1/2 NC x 3-1/2 inch (Replaces bolt K600816)

2шт.

425-108

NUT,1/2" - 13, Gr 5

NUT, (Replaces nut K607004) 1/2"-13, G5

2шт.

193-87

LOCK WASHER,Ext-Int Tooth, 1/2"

WASHER, LOCK, (Replaces washer K11518) Ext-Int Tooth, 1/2"

2шт.

16

K907502

PISTON

- with insert, standard

1шт.

16

K961769

PISTON - with insert, oversize 0.020 inch, no longer available

1шт.

17

238-5335

O-RING,0.21" Thk x 2.725" ID, -335, Cl 5, 75 Duro

- piston, 2-3/4 inch ID (Replaces O-ring K623542)

1шт.

18

K628050

RING,69.6mm ID x 79.65mm OD x 2.64mm Thk

- anti-extrusion

1шт.

19

K910106

ROD

- connecting

1шт.

20

138-141

LOCK PIN,1/4" x 1 7/8", Slotted

PIN, (Replaces pin K623920) 1/4" x 1 7/8", Slotted

1шт.

21

K912013

BEARING HALF,50.22mm ID x 54.52mm OD x 30.63mm W

BEARING - half

2шт.

22

K912012

BUSHING

BUSH - cylinder body

1шт.

23

K623538

O-RING,6.99mm Thk x 50.16mm ID, 60 Duro

- ramshaft, 2 inch ID

1шт.

24

K30061

COVER

DISC - sealing

1шт.

25

K910104

SCREW

- bleed

1шт.

211-1010

BALL,5/16" OD

- chrome alloy steel, 5/16 inch, grade 200 (Replaces ball K11286)

1шт.

26

238-5241

O-RING,0.139" Thk x 3.859" ID, -241, Cl 5, 75 Duro

Cylinder body (Replaces O-ring K623566) -241, 70 Duro, 3.859" ID x .139" Thk

1шт.

27

K926385

GASKET

- cylinder to rear axle housing (Replaces gasket K913768)

1шт.

28

413-880

BOLT,Hex, 1/2" - 13 x 5", Gr 5

- hex, 1/2 NC x 5 inch (Replaces bolt K600822)

2шт.

193-87

LOCK WASHER,Ext-Int Tooth, 1/2"

WASHER, LOCK, (Replaces washer K11518) Ext-Int Tooth, 1/2"

2шт.

29

K601274

BOLT

- hex, 5/8 NC x 12-1/2 inch, no longer available

2шт.

K623515

SEAL,16.38mm ID x 25.53mm OD x 3.2mm Thk

WASHER - sealing, 5/8 inch

2шт.

425-1010

NUT,5/8"-11, G5

(Replaces nut K607006) 5/8"-11, G5

2шт.

219-8

LUBE NIPPLE,1/4" - 28 NPTF

NIPPLE, LUBE, , straight, taper (Replaces fitting K13176) 1/4"-28 NPT x .54" lg

2шт.

30

238-6116

O-RING,0.103" Thk x 0.737" ID, -116, Cl 6, 90 Duro

Connector to cylinder, used with 885, 885H and 885G tractors -116, 90 Duro, .737" ID x .103" Thk

1шт.

31

K910107

HYD CONNECTOR

CONNECTOR - pipe to cylinder, used with 885, 885H and 885G tractors, no longer available, order connector K928448, Ref. 31, plug K19590, Ref. 32 and washer K626780

1шт.

31

K928448

CONNECTOR, ELEC

CONNECTOR -, Serial Range: pipe-cylinder

1шт.

32

K619527

PLUG

- 1/2 inch NF, used with 885, 885H and 885G tractors

1шт.

32

K19590

PLUG

- 3/8 inch BSP, used with connector K928448, Ref. 31

1шт.

K15735

WASHER

- sealing, 1/2 inch, used with 885, 885H and 885G tractors

1шт.

K626780

WASHER

- 3/8 inch BSP, used with plug K19590, Ref. 32

1шт.

33

238-6114

O-RING,0.103" Thk x 0.612" ID, -114, Cl 6, 90 Duro

Connector to pipe, Used with 885, 885H and 885G tractors (Replaces O-ring K24676) -114, 90 Duro, .612" ID x .103" Thk

1шт.

34

413-624

BOLT,Hex, 3/8" - 16 x 1-1/2", Gr 5

- hex, 3/8 NC x 1-1/2 inch, connector to cylinder, used with 885, 885H and 885G tractors (Replaces bolt K600404)

4шт.

492-11038

LOCK WASHER,3/8"

connector to cylinder, used with 885, 885H and 885G tractors (Replaces washer K19482) 3/8"

4шт.

35

K955607

LEVER

- hand, used with 885Q, 885QH and 885Sk tractors, with serial number 11010300 and after, no longer available

1шт.

35

K949578

LEVER

- hand, used with 885Q, 885QH and 885Sk tractors with serial numbers prior to 11010300, no longer available

1шт.

35

K956752

LEVER

- hand, used with 885LP tractors, no longer available

1шт.

36

K625956

PIN

- clevis, 1/16 x 1-1/8 inch, used with 885Q, 885QH, 885Sk and 885LP tractors, no longer available

1шт.

432-48

COTTER PIN,1/16" x 1/2"

PIN, SPLIT (COTTER), , Used with 885Q, 885QH, 885Sk and 885LP tractors (Replaces pin K11934) 1/16" x 1/2"

1шт.

37

K627729

GROMMET

- 7/8 inch, used with 885Q, 885QH, 885Sk and 885LP tractors

1шт.

Выбрано товаров: 57