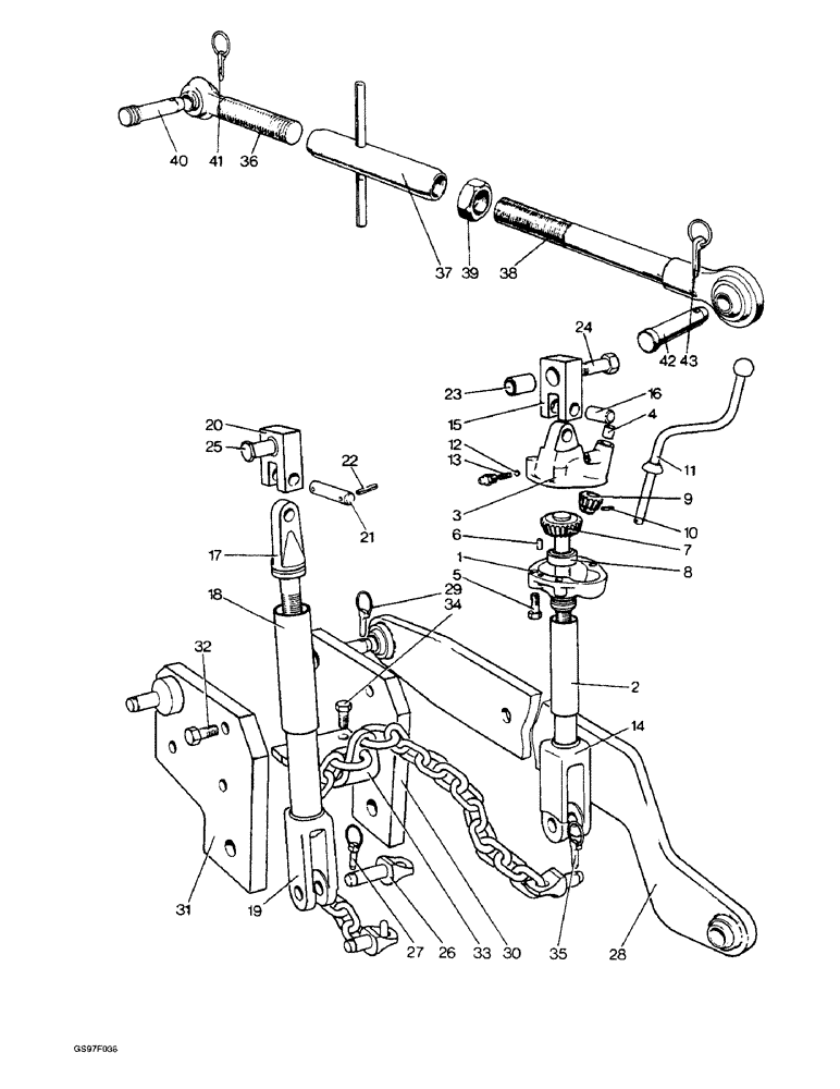
Запчасти Case IH 885 (8-28) - THREE-POINT LINKAGE, 885 NARROW TRACTORS (08) - HYDRAULICS

Схема запчастей Case IH 885 - (8-28) - THREE-POINT LINKAGE, 885 NARROW TRACTORS (08) - HYDRAULICS
26
41
22
27
12
32
35
19
7
3
39
36
43
4
18
16
25
20
11
23
40
15
14
28
38
5
31
30
13
10
24
33
17
37
1
34
2
9
21
6
42
8
29
FIT
1:1
100%

Артикул

Название

Примечание

Количество

K943272

LEVER

ASSEMBLY - levelling, complete, no longer available, Includes: Ref. 1 - 16

1шт.

1

K913166

GEAR

HOUSING - gear

1шт.

2

K913165

TUBE

- gear housing, 1-1/4 x 5 inch, no longer available

1шт.

3

K961754

CAP

- with bushings and dowels

1шт.

4

K621373

BUSHING

- cap

2шт.

5

413-520

BOLT,Hex, 5/16" - 18 x 1-1/4", Gr 5

- hex, 5/16 NC x 1-1/4 inch (Replaces bolt K602807)

4шт.

492-11031

LOCK WASHER,5/16"

WASHER, LOCK, (Replaces washer K19481) 5/16"

4шт.

6

K32063

PIN

DOWEL - lever, 3/16 x 1/2 inch

2шт.

7

K913224

BEVEL GEAR

SCREW - leveling, 3/4 NC x 7-7/16 inch

1шт.

8

K620181

THRUST BEARING

BEARING - thrust

1шт.

9

K913170

GEAR

PINION - bevel

1шт.

10

38-1811

LOCK PIN,1/8" x 11/16", Slotted

Pin, , replaces pin K623931 1/8" x 11/16", Slotted

1шт.

11

K913171

LEVER

- hand

1шт.

12

211-1007

BALL,7/32" Dia

Chrome alloy steel, grade 48 (Replaces ball K620179) 7/32" Dia

1шт.

13

K625174

SPRING

- lever

1шт.

K622251

FITTING

- grease, 5/16 inch NF

1шт.

14

K943274

NUT

- adjusting, 3/4 NC x 10-5/8 inch

1шт.

15

K921914

FORK

- end (Replaces fork K901960)

1шт.

16

K901962

PIN

- pivot, no longer available

1шт.

K940505

ROD

ASSEMBLY - lift, complete, no longer available as an assembly, order screw K962978, tube K940510, nut K940700, pin K948353, pin 438-11214 and grease fitting 219-8 below, Includes: Ref. 17 - 31

1шт.

17

K962978

SET SCREW

SCREW - adjusting, Whitworth, 1 x 10-7/8 inch

1шт.

18

K940510

TUBE,1.75" ID x 6.187" L

- 1-3/4 x 6-1/4 inch

1шт.

19

K940700

NUT

- adjusting, Whitworth, 1 x 10-5/8 inch

1шт.

20

K921914

FORK

- end

1шт.

21

K948353

PIVOT PIN

PIN - pivot

1шт.

22

438-11214

LOCK PIN,4.76mm OD x 22.23mm L, Slotted

Pin, (Replaces pin K623740) 3/16" x 7/8", Slotted

2шт.

23

K901963

BUSHING

- fork ends to lift arms

2шт.

24

413-1260

BOLT,Hex, 3/4" - 10 x 3-3/4", Gr 5

- hex, 3/4 NC x 3-3/4 inch, fork ends to lift arms (Replaces bolt K601413)

1шт.

25

413-1260

BOLT,Hex, 3/4" - 10 x 3-3/4", Gr 5

- hex, 3/4 NC x 3-3/4 inch, fork ends to lift arms (Replaces bolt K601413)

1шт.

K19476

WASHER

- flat, 3/4 inch, fork ends to lift arms

2шт.

K607446

NUT

- Cleveloc, 3/4 inch NC, fork ends to lift arms

2шт.

219-8

LUBE NIPPLE,1/4" - 28 NPTF

NIPPLE, LUBE, , straight, taper, Fork ends to lift arms (Replaces fitting K13176) 1/4"-28 NPT x .54" lg

4шт.

26

K946108

HEADED PIN

PIN - link, check chain

2шт.

27

3053363R91

LINCH PIN,32mm OD

PIN - linch, includes ring (Replaces pin K915678)

2шт.

28

K943277

LINK

- lower, left-hand and right-hand

2шт.

29

A33509

PIN,11.18mm OD

- linch, includes ring (Replaces pin K920359)

4шт.

30

K925084

BRACKET

- hitch, right-hand, no longer available

1шт.

31

K925086

BRACKET

- hitch, left-hand, no longer available

1шт.

32

413-824

BOLT,Hex, 1/2" - 13 x 1-1/2", Gr 5

Brackets to PTO housing (Replaces bolt K603108) Hex, 1/2"-13 x 1 1/2", G5, Full Thd

6шт.

80679

LOCK WASHER,1/20.507 CST ZND

WASHER, LOCK, , Brackets to PTO housing (Replaces washer K19484) 1/2"

6шт.

33

K927078

CHAIN (AG)

CHAIN - check, chain to PTO housing, no longer available

1шт.

34

13-620

BOLT,Hex, 3/8" - 16 x 1-1/4", Gr 5, Full Thd

Chain to PTO housing (Replaces bolt K602906) Hex, 3/8"-16 x 1 1/4", G5, Full Thd

3шт.

492-11038

LOCK WASHER,3/8"

(Replaces washer K19482) 3/8"

3шт.

35

K210316

LINCH PIN

PIN - linch, with ring (Replaces pin K66408)

2шт.

K927079

LINK

ASSEMBLY - top, no longer available as an assembly, order components, Includes: Ref. 36 - 39

1шт.

36

K912362

SCREW

- with housing, 7-1/2 inch, tractor end

1шт.

37

K927080

TUBE

TURNBUCKLE - 1 inch NC

1шт.

219-8

LUBE NIPPLE,1/4" - 28 NPTF

NIPPLE, LUBE, , straight, taper, Fork ends to lift arms (Replaces fitting K13176) 1/4"-28 NPT x .54" lg

1шт.

38

K912365

SCREW

- with housing, 7-1/2 inch, implement end

1шт.

39

425-1416

JAM NUT,Jam, 1"-8, G5

- hex jam, 1 inch NC (Replaces nut K607059)

1шт.

40

K912936

PIN

- link, sensing unit

1шт.

41

K210316

LINCH PIN

PIN - linch, includes ring (Replaces pin K66408)

1шт.

42

K903981

HITCH PIN

PIN - link

1шт.

43

A33509

PIN,11.18mm OD

- linch, includes ring (Replaces pin K920359)

1шт.

Выбрано товаров: 54